电脑桌面
添加小米粒文库到电脑桌面
安装后可以在桌面快捷访问

通风与空调工程质量检验评定标准GBJ304-88VIP免费

通风与空调工程质量检验评定标准GBJ304-88_第1页
1/14
通风与空调工程质量检验评定标准GBJ304-88_第2页
2/14
通风与空调工程质量检验评定标准GBJ304-88_第3页
3/14
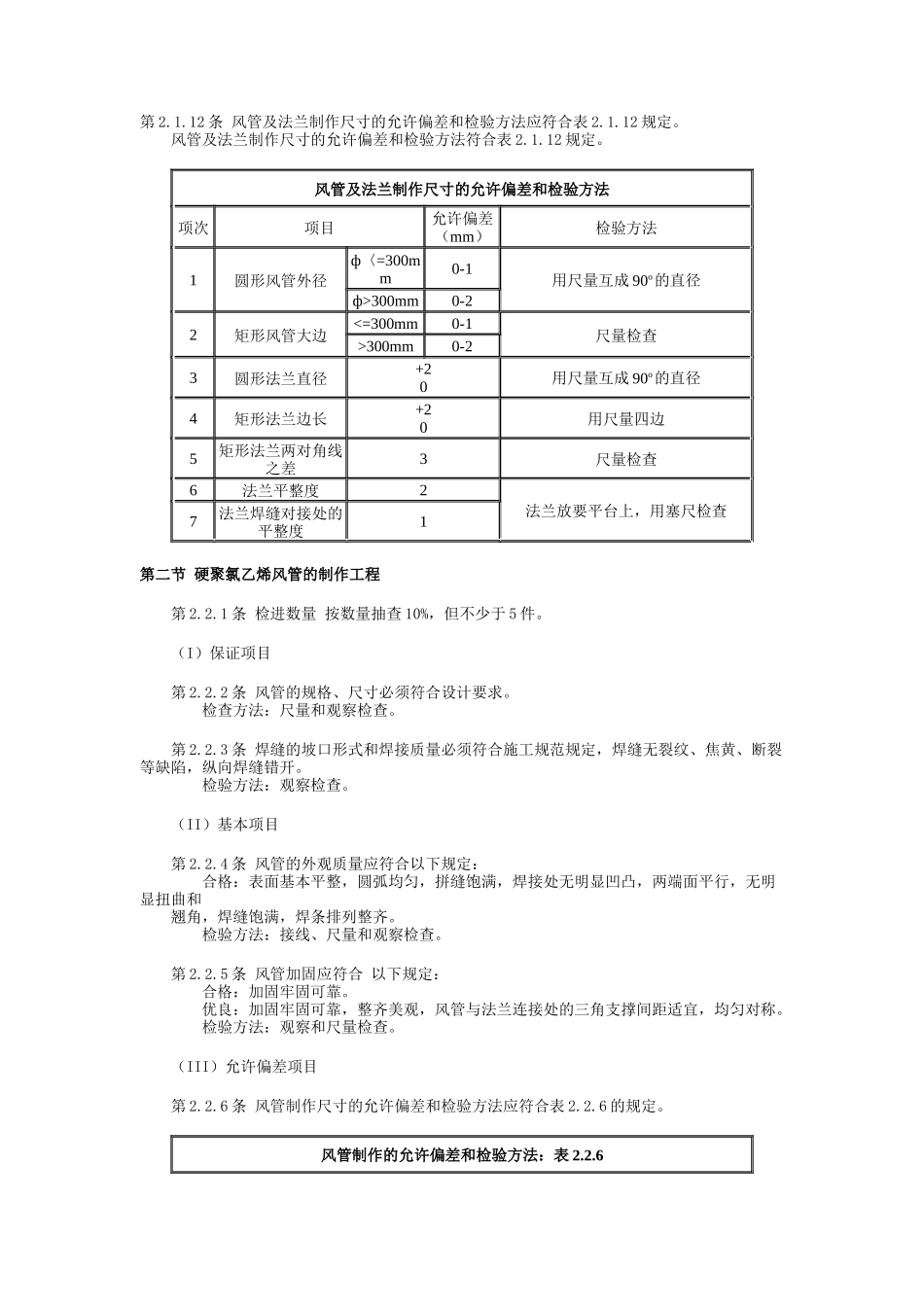
通风与空调工程质量检验评定标准GBJ304-88(一)第一章总则第1.0.1条为了统一建筑通风与空气调节工程质量检验评定方法,促进企业加强管理体,确保工程质量,特制定标准。第1.0.2条本标准适用于工业与民用建筑的通风与调节工程(包括有一定洁净要求的洁净工程)的风管、部件及空气处理设备的制作与安装的空调的制冷嘲热讽管道安装工程的质量检验和评定。第1.0.3条本标准主要指标和要求是根据《通风与空调工程施工及验收规范》GB-234-82(以下简称施工规范)的规定提出的。执行本规定时,尚应遵守《建筑安装工程质量检验评定统一标准》的规定。第1.0.4条由本标准检验和评定的通风与空调工程,其所用材料的材质,规格必须符合设计要求和施工规范规定。第1.0.5条在本标准的保证项目条文中,没有注明检查数量的均按全数检查。第1.0.6条使用国外引进装置或器材的工程,以及扩建、改建的工程其质量的检验和评定,可根据具体情况参照本标准执行。第二章风管、部件制作与安装工程第2.0.1条本章适用于工业与民用建筑通风与空气调节系统的风管及部件的制作与安装工程的质量检验评定。第一节金属风管制作工程第2.1.1条本节适用于薄钢板、不锈钢板、铝板和复合钢板风管及法兰的制作工程。检查数量一般通风与空调工程按制作数量抽查10%,但不少于5件。(I)保证项目第2.1.2条风管的规格、尺寸必须符合设计要求。检验方法:尺量和观察检查。第2.1.3条内管咬缝必须紧密,宽度均匀,无孔洞、半咬口和胀裂等缺陷。直管纵向咬缝必须错开。第2.1.4条焊缝严禁有烧穿、漏焊和裂纹等缺陷。纵向焊缝必须错开。检验方法:观察检查。第2.1.5条洁净系统的风管、配件、部件和静压箱的所有接缝必须严密不漏。检验方法:灯光及观察检查。第2.1.6条洁净系统风管内表面必须平整光滑,严禁有横向拼接缝和管内设加固或采用凸棱加固的方法。第2.1.7条洁净系统风管必须保持清洁,无油污和浮尘。检验方法:白绸布擦拭检查。(II)基本项目第2.1.8条风管外观质量应符合以下规定:合格:折角平直,圆弧均匀,两端面平行,无明显翘角,表面凹凸不大于10MM;风管与法兰连接牢固,翻边平整,宽度不小于6MM,紧贴法兰。检验方法:拉线、尺量和观察检查。第2.1.9条风管的法兰应符合以下规定:合格:法兰的孔距符合设计要求和施工规范的规定,焊接牢固,焊缝处不设置螺孔。优良:在合格的基础上,螺孔具备互换性。检验方法:尺量和观察检查。第2.1.10条风管加固应符合以下规定:合格:加固牢固可靠。优良:加固牢固可靠、整齐、间距适宜、均匀对称。检验方法:观察和手扳检查。第2.1.11条不锈钢板、铝板和复合钢板风管外观应符合以下规定:合格:不锈钢板和铝板风管表面无明显刻痕、复合钢板风管表面无破损。优良:不锈钢板和铝板风管表面无刻痕、划痕、凹穴等缺陷、复合钢板风管表面无损伤。检验方法:观察检查。(III)允许偏差项目第2.1.12条风管及法兰制作尺寸的允许偏差和检验方法应符合表2.1.12规定。风管及法兰制作尺寸的允许偏差和检验方法符合表2.1.12规定。风管及法兰制作尺寸的允许偏差和检验方法项次项目允许偏差(mm)检验方法1圆形风管外径ф〈=300mm0-1用尺量互成90o的直径ф>300mm0-22矩形风管大边<=300mm0-1尺量检查>300mm0-23圆形法兰直径+20用尺量互成90o的直径4矩形法兰边长+20用尺量四边5矩形法兰两对角线之差3尺量检查6法兰平整度2法兰放要平台上,用塞尺检查7法兰焊缝对接处的平整度1第二节硬聚氯乙烯风管的制作工程第2.2.1条检进数量按数量抽查10%,但不少于5件。(I)保证项目第2.2.2条风管的规格、尺寸必须符合设计要求。检查方法:尺量和观察检查。第2.2.3条焊缝的坡口形式和焊接质量必须符合施工规范规定,焊缝无裂纹、焦黄、断裂等缺陷,纵向焊缝错开。检验方法:观察检查。(II)基本项目第2.2.4条风管的外观质量应符合以下规定:合格:表面基本平整,圆弧均匀,拼缝饱满,焊接处无明显凹凸,两端面平行,无明显扭曲和翘角,焊缝饱满,焊条排列整齐。检验方法:接线、尺量和观察检查。第2.2.5条风管加固应符合以下规定:合格:加固牢固可靠。优良:加固牢固可靠,整齐美观,风管与法兰连接处的三角支...

1、当您付费下载文档后,您只拥有了使用权限,并不意味着购买了版权,文档只能用于自身使用,不得用于其他商业用途(如 [转卖]进行直接盈利或[编辑后售卖]进行间接盈利)。
2、本站所有内容均由合作方或网友上传,本站不对文档的完整性、权威性及其观点立场正确性做任何保证或承诺!文档内容仅供研究参考,付费前请自行鉴别。
3、如文档内容存在违规,或者侵犯商业秘密、侵犯著作权等,请点击“违规举报”。

碎片内容

通风与空调工程质量检验评定标准GBJ304-88

您可能关注的文档

确认删除?
VIP
微信客服
  • 扫码咨询
会员Q群
  • 会员专属群点击这里加入QQ群
客服邮箱
回到顶部