电脑桌面
添加小米粒文库到电脑桌面
安装后可以在桌面快捷访问

管道暖通给排水识图与施工工艺课件VIP专享VIP免费

管道暖通给排水识图与施工工艺课件_第1页
1/34
管道暖通给排水识图与施工工艺课件_第2页
2/34
管道暖通给排水识图与施工工艺课件_第3页
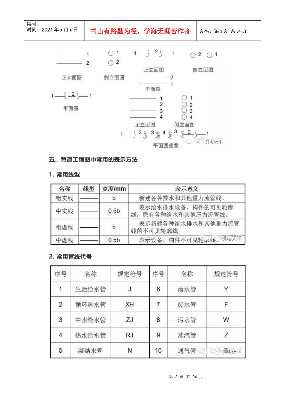
3/34
第1页共34页编号:时间:2021年x月x日书山有路勤为径,学海无涯苦作舟页码:第1页共34页管道、暖通、给排水识图与施工工艺,值得收藏第一章管道工程识图基础知识一、管道工程管道是指输送介子的通道。二、管道工程施工工艺是指管道工程施工的全过程。主要包括:1.管材、管件的选用、测绘;2.支架制作安装;3.管道(段)预制安装;4.设备、容器、卫生器具、附件以及构筑物安装;5.管道及设备的保温、试验、试运转(行)等。三、管道工程图第2页共34页第1页共34页编号:时间:2021年x月x日书山有路勤为径,学海无涯苦作舟页码:第2页共34页四、管道交叉与重叠1.管道交叉2.管子重叠第3页共34页第2页共34页编号:时间:2021年x月x日书山有路勤为径,学海无涯苦作舟页码:第3页共34页五、管道工程图中常用的表示方法1.常用线型2.常用管线代号第4页共34页第3页共34页编号:时间:2021年x月x日书山有路勤为径,学海无涯苦作舟页码:第4页共34页3.管道的坡度坡向4.管道标高表示(1)给排水工程图样中室内工程应标注相对标高。(2)室外工程宜标注绝对标高,当无绝对标高资料时,可标注相对标高,但应与总图一致。(3)压力管道(如生活管道、热水给水管、热水回水管等)应标注管中心标高。(4)重力管道(排水管道)宜标注管内底标高。第二章建筑给排水工程识图与施工工艺第一节基础知识一、给排水工程分类二、室内给水系统的基础知识第5页共34页第4页共34页编号:时间:2021年x月x日书山有路勤为径,学海无涯苦作舟页码:第5页共34页2.室内给水系统的组成①引入管:自室外给水管将水引入室内的管段,也称进户管。②水表节点③给水管道:包括干管、立管和支管。④给水附件:如阀门、过滤器、配水龙头等。第6页共34页第5页共34页编号:时间:2021年x月x日书山有路勤为径,学海无涯苦作舟页码:第6页共34页⑤增压和储水设备:水泵、水箱等。⑥室内消防设备。3.建筑给水系统的给水方式(1)直接给水方式(2)水箱的给水方式(3)水泵的给水方式第7页共34页第6页共34页编号:时间:2021年x月x日书山有路勤为径,学海无涯苦作舟页码:第7页共34页(4)水池—水泵—水箱联合给水方式(5)单设气压给水设备的给水方式气压给水装置可分为变压式和定压式两种。第8页共34页第7页共34页编号:时间:2021年x月x日书山有路勤为径,学海无涯苦作舟页码:第8页共34页(6)分区给水方式城市供水压力不足,多层建筑只能满足下部几层的用水而不能供到上部楼层时,为了能充分利用室外管网的压力,常将室内给水系统分为上下两个供水区。4.室内给水系统的管路布置(1)下行上给式如图3、图5、图6所示(2)上行下给式如图9所示(3)两种兼用的管路布置(4)环状式第9页共34页第8页共34页编号:时间:2021年x月x日书山有路勤为径,学海无涯苦作舟页码:第9页共34页第10页共34页第9页共34页编号:时间:2021年x月x日书山有路勤为径,学海无涯苦作舟页码:第10页共34页三、室内排水系统的基础知识1.室内排水系统的分类(1)生活排水系统①生活污水排水系统:来自于大、小便器(槽)的粪便污水。②生活废水排水系统:来自于浴盆、洗脸盆、洗涤盆、洗衣机等的洗涤、沐浴水。(2)工业排水系统①生产污水:工业生产中排出的受污染严重的水,由于工艺不同水质差异很大。②生产废水:工业生产中排出的受轻度污染的水,如工业冷却水。(3)雨水排水系统雨水排水系统是排除屋面雨水和雪水的。雨雪水比较清洁,可不经处理排入水体。(4)其他排水从公共厨房排出的含油脂的废水,经隔油池处理排入废水管道,冲洗汽车的废水,也需单独收集,局部处理后排放。还有游泳池排水等。2.室内排水系统的组成第11页共34页第10页共34页编号:时间:2021年x月x日书山有路勤为径,学海无涯苦作舟页码:第11页共34页(1)卫生器具或生产设备受水器它是室内排水系统的起点,污水、废水从卫生器具排水栓经器具内的水封装置或器具排水管连接的存水弯排入排水管系统。(2)排水管道①器具排水管②横支管③立管④排出管(3)通气管第12页共34页第11页共34页编号:时间:2021年x月x日书山有路勤为径,学海无涯苦作舟页码:第12页共34页排水管必须和...

1、当您付费下载文档后,您只拥有了使用权限,并不意味着购买了版权,文档只能用于自身使用,不得用于其他商业用途(如 [转卖]进行直接盈利或[编辑后售卖]进行间接盈利)。
2、本站所有内容均由合作方或网友上传,本站不对文档的完整性、权威性及其观点立场正确性做任何保证或承诺!文档内容仅供研究参考,付费前请自行鉴别。
3、如文档内容存在违规,或者侵犯商业秘密、侵犯著作权等,请点击“违规举报”。

碎片内容

管道暖通给排水识图与施工工艺课件

确认删除?
VIP
微信客服
  • 扫码咨询
会员Q群
  • 会员专属群点击这里加入QQ群
客服邮箱
回到顶部