电脑桌面
添加小米粒文库到电脑桌面
安装后可以在桌面快捷访问

韶关市公共汽车公司城市客车和空调采购项目VIP免费

韶关市公共汽车公司城市客车和空调采购项目_第1页
1/4
韶关市公共汽车公司城市客车和空调采购项目_第2页
2/4
韶关市公共汽车公司城市客车和空调采购项目_第3页
3/4
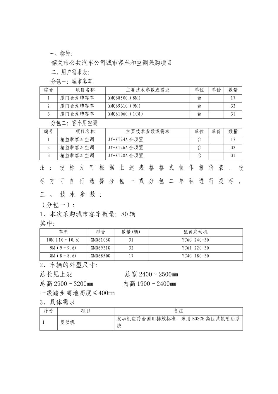
一、标的:韶关市公共汽车公司城市客车和空调采购项目二、用户需求表:分包一:城市客车编号项目名称主要技术参数或需求单位单价数量1厦门金龙牌客车XMQ6850G(8M)台172厦门金龙牌客车XMQ6931G(9M)台323厦门金龙牌客车XMQ6106G(10M)台31分包二:客车用空调编号项目名称主要技术参数或需求单位单价数量1精益牌客车空调JY-KT24A全顶置台172精益牌客车空调JY-KT26A全顶置台323精益牌客车空调JY-KT28A全顶置台31注:投标方可根据上述表格格式制作报价表。投标方可自行选择分包一或分包二单独进行投标。三、技术参数:(分包一):1、本次采购城市客车数量:80辆其中:车型型号数量(辆)配置发动机10M(10~10.6)XMQ6106G31YC6G240-309M(9~9.6)XMQ6931G32YC6J220-308M(8~8.6)XMQ6850G17YC4G180-302、车辆的外型尺寸:总长见上表总宽2400~2500㎜总高2900~3200㎜内高1900~2400㎜一级踏步离地高度≤400㎜3、具体需求序号项目备注1发动机发动机应符合国Ⅲ排放标准,采用BOSCH高压共轨喷油系统第2页共4页编号:时间:2021年x月x日书山有路勤为径,学海无涯苦作舟页码:第2页共4页2底盘自制底盘及东风底盘3前后桥自制或东风前后桥4转向系统整体式动力转向,江门转向机5变速器綦江变速器6空调厂家自制空调或我公司选定的品牌型号空调(保修三年)7报站器及电子显示屏福建南平GPS电子自动报站器及电子显示屏8发动机舱自动灭火器苏州东润产,适合城市客车配置9救生锤电子防盗式,适合城市客车配置,安装后有明显标志10车门应急开关适合城市客车配置,有明显标志11制动调整臂山西铁哥们自动制动调整臂12乘客座椅开平13车门系统江苏金湖戈尔或江苏淮安(分包二):空调主要配件需求序号名称品牌或产地1压缩机比泽尔2冷凝风机SPAL3蒸发风机SPAL4膨胀阀丹麦Danfoss5蒸发器芯及铜管奥托昆普铜管6视液镜丹麦Danfoss美国ALCO7冷凝器器芯及铜管奥托昆普铜管8截止阀丹麦Danfoss意大利CASTEL9干燥瓶美国Alco10继电器葡萄牙TYCO11冷气总成铜管+软管12液视镜丹麦Danfoss意大利CASTEL13接插件美国AMP14控制面板SK-915外壳铝合金16发电机佩特莱发电机17制冷剂R134a第3页共4页第2页共4页编号:时间:2021年x月x日书山有路勤为径,学海无涯苦作舟页码:第3页共4页四、售后服务1、买方享有货物原厂承诺的无偿和/或优惠有偿服务。2、投标人应确保其产品的完整性、实用性,保证全部设备及时投入正常运行。否则若出现因投标人提供的设备不满足要求、不合理,或者其所提供的技术支持和服务不全面,而导致用户目标无法实现或不能完全实现的状况,投标人负全部责任。3、车身长9米以下客车,整车“保修”期为:自交车之日起12个月或总行驶里程5万公里,先到为准;车身长9米以上(含9米)客车整车“保修”期为:自交车之日起12个月或总行驶里程8万公里,先到为准;客车空调保修两年或以上。4、其他服务:投标人自行制定详尽的售后服务承诺。五、质量保证1、投标人必须确保设备的完整性。对于招标书没有列出,而对产品的正常运行和维护必不可少的且应属于设备配套的部件、配件等,投标人有责任给予补充。2、投标人提供的所有设备都应是制造商的原厂产品,投标人应提供有关质量保证文件。3、卖方为其提供的货物应提供足够的质保期保障。4、有需要的,交货时应提供产品质量合格证书、测试报告和主要设备材料的原产地证书。5、包装必须与运输方式相适应,包装方式的确定及包装费用均由卖方负责;由于不适当的包装造成货物在运输过程中有任何损坏由卖方负责。6、本项目为交钥匙工程,所有产品交货地点在采购单位指定地点,包装费、运费、保险费、安装费等一切相关费用已包含在合同价内。六、验收成交供应商必须在签订合同之日起35天内完成供货和设备安装。七、付款分包一:签订合同后预付合同总价款的5%,车辆交付前支付合同总价款的25%,余款在项目经验收合格后两年内免息等额分二十四期付清。分包二:签订合同后支付合同总价款的30%,余款在项目经验收合格后两年内无息付清。第4页共4页第3页共4页编号:时间:2021年x月x日书山有路勤为径,学海无涯苦作舟页码:第4页共4页

1、当您付费下载文档后,您只拥有了使用权限,并不意味着购买了版权,文档只能用于自身使用,不得用于其他商业用途(如 [转卖]进行直接盈利或[编辑后售卖]进行间接盈利)。
2、本站所有内容均由合作方或网友上传,本站不对文档的完整性、权威性及其观点立场正确性做任何保证或承诺!文档内容仅供研究参考,付费前请自行鉴别。
3、如文档内容存在违规,或者侵犯商业秘密、侵犯著作权等,请点击“违规举报”。

碎片内容

韶关市公共汽车公司城市客车和空调采购项目

中小学教育精品资料+ 关注
实名认证
内容提供者

中小学教育资料,优质文档创作者

确认删除?
VIP
微信客服
  • 扫码咨询
会员Q群
  • 会员专属群点击这里加入QQ群
客服邮箱
回到顶部