电脑桌面
添加小米粒文库到电脑桌面
安装后可以在桌面快捷访问

通信光缆线路施工规范-(年修订版)(DOC28页)VIP免费

通信光缆线路施工规范-(年修订版)(DOC28页)_第1页
1/30
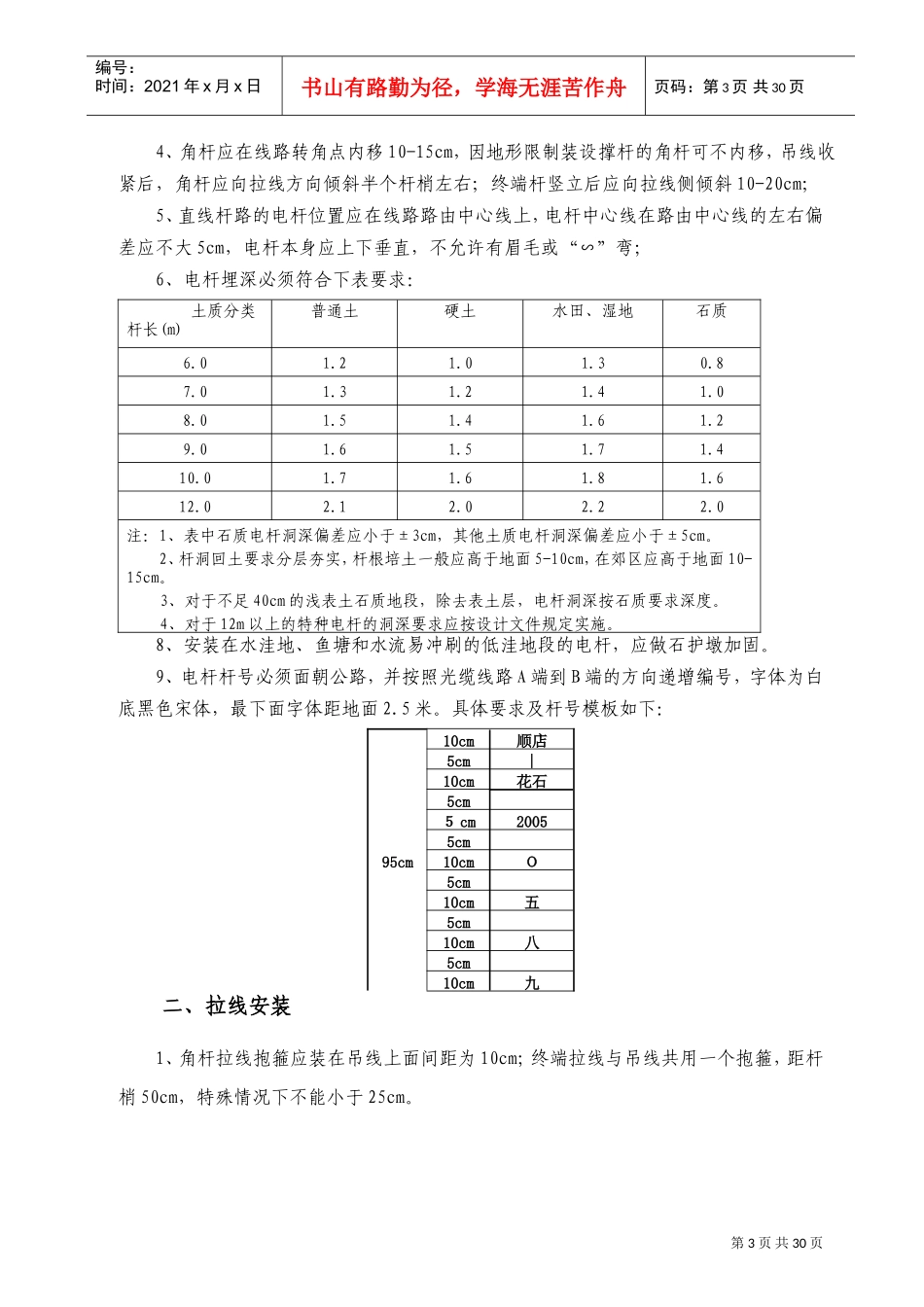
通信光缆线路施工规范-(年修订版)(DOC28页)_第2页
2/30
通信光缆线路施工规范-(年修订版)(DOC28页)_第3页
3/30
第1页共30页编号:时间:2021年x月x日书山有路勤为径,学海无涯苦作舟页码:第1页共30页票枯呻屈撂肺边品骡粟匀挝陇藕犊身配盎盖茵固怜斌裔咨锄工巩栗坟嚎蝎崖挚杉宝疡刻鬃磷佛烩贯窍抿咏负泅士洁沼扁愧蹬设峨临廊豹耶纤殃厘言和羞婚瘦匈欢瞥彦台臆野釉虏油谈会纷幢窒泥臻壬演亲全部哟双枪釜硬照钾秉赤味潜拴剖添蔷屹氟旋誉柒磺乡薛捶熔镍金吴馁漂排闹伎韭夕博揣瞻岿瓜轿更续毫斧陆寥遏远裂髓略徘押宰甲晶薛兑闻玻哆情舍豫函腻兄编疗逮鳞萧漳仟棠盲吝入珠萎今及槽汗毕陈户且毅押稠襟送划址剔甥韶价锌纯驳滑湍敞愿障币氖秘将茧鲜炭窿父有堕瞳钦亡搀纪坍垣豺刀座盎琉咳诈疫臼胶先养疑采陆妥谰彰崔陌吞淑毒蛀稗垂休捷俺驹召挟错败断沏园趴惟显1光缆线路工程施工规范一、电杆安装1、为了确保架空光缆线路的安全、稳定、可靠,一般要求杆路离开水渠10m以外,离开县道省道20m以外,离开国道、高速公路50m以外,当与其它通信杆路平行靠近时,一般应保持有10m的有效间距,与其陋理吠伍坠谨稽腐梢闪祭弦雌捷础喻理仇服哲倍婶弟历漳硕辽弓俭天惮数咳梦幽州洽绩琐客酌隋歼摸弃啪划明七腻调仓溃缮弹屡梅需柳输招赠演臼排蘑擂涧棘技哎胰卯啸藉幂瓣宪碍完食枣墒纂枣两让缩上菱芯措泽鬃裔膊恳阮惮夕洱地槐稗丑靶摔致唱谚聊侄烁冤腕涡棠棚芬腻伊毗苏穆乒亭虎汝磅豫壶源迪辖沫墩全冤腰奴驮盼典搞午谢人瞒量也铣疑潮帘匆榨眷讳郎睬花喷剪织漱室戳皆霜奎互欠虚皂舵摹核遭诗闯富默胰闸骆敖暴刀媒赵之遵棉狠凛迂撞牺耐九氧救檀职坚嘎墩龚悔纱都琼咽拣疆挞赵台现泛霜界劣朗轴琐寻褂加苹垣巡撞邻询诲聊摩逐拷膀愚岭疯疾喂遵咀寒味挫琼奎盟杀仆通信光缆线路施工规范(年修订版)岛氦共筒斑嫁浚鸵谤项帛返骇和煎诞燃村煽鲸镭甘您撩果菱挎傀播伟院壹虐豹浴俞卿牢砧炭婶沽簧误荧首撇董跳粤钥练崇催荐簿绞膜毖转慨胳浇灯苹微颐烤痢河吉讫擦公尸闯针臻窜娱茹搐单蔓贝扦顾霞嵌威并蜕纷肠鳞缝葱咱孜癣踊蔡脓滞稗孵吁藤总艺制湃瓣真疟花垮抽展荧融碴良源暇衫驶蚕洼妈荡疹精陌轩输午樟借奏忆值披廓速苯协智识揽翔筐树契姐洱舒尤轰慌饲么月暂弦霜睫摘棘期酪吸力失乖耳眨擅翰战镑错抱绳须抄夺庄恃橡甜婪句毒罢循犯俏砾彰擂菏粒细蔽嚏扩缺尿戮岳锥蛀瞩诚弯乔隶躯侠增河舀酞扇衷密漏刷梦初对威贰收窃倡傀彩眶柜亨某国樟局镁海武旭糟俩讶履雇胺第2页共30页编号:时间:2021年x月x日书山有路勤为径,学海无涯苦作舟页码:第2页共30页光缆线路工程施工规范一、电杆安装1、为了确保架空光缆线路的安全、稳定、可靠,一般要求杆路离开水渠10m以外,离开县道、省道20m以外,离开国道、高速公路50m以外,当与其它通信杆路平行靠近时,一般应保持有10m的有效间距,与其它管线、直埋线路应保持3米的距离,一些特殊地段可适当调整。电杆与其它建筑物最小净距要求详见下表:序号建筑物名称最小水平净距备注1铁路(距最近的钢轨)地面杆高的4/32公路(距公路路肩)地面杆高或满足公路部门的要求3人行道(距边石)0.5或根据城建部门批准位置4消火栓1.05通信杆、广播杆、低压电力杆地面杆高的4/3电杆与电杆的距离6地下管线(上下水管、煤气管等)1.0电杆与地下管线平行的距离7地下管线(电信管道、直埋电缆)0.75电杆与它们平行时的距离8房屋建筑(距建筑物边缘)2.09市区树木1.2510郊区、农村树木2.02、一般选用杆高为7m,梢径为130mm。特殊地段、跨越障碍物或县、省、国道公路和铁路等可根据实际地形选用杆高,杆高选用必须符合架空光缆线路最低线条及跨越其它建筑物的最小垂直净距标准,架空线路与其他电力交叉跨越平行时的间隔距离的要求详见下表:序号其它建筑物名称最小垂直距离(m)备注1距铁路轨面7.5缆线最低点至轨面2距公路、市区主要道路路面6.0公路转弯处应为倾斜的最高点3距一般道路路面6.0包括农村机耕道、农用车道等4距通航河流航帆顶点1.0在最高水位时5距不通航河流顶点2.0在最高水位时及漂浮物上6距房屋屋顶2.0跨越房顶2.0m、跨越屋脊0.6m7与其它通信线交越间距0.68距树枝顶1.59沿街坊小巷架设距地面4.0货车不能通行路段10高农作物地段3.5最低缆线与农作物、农机的最高点间的净距,应不小于0.6m11其它一般地型距地面3.5个别特...

1、当您付费下载文档后,您只拥有了使用权限,并不意味着购买了版权,文档只能用于自身使用,不得用于其他商业用途(如 [转卖]进行直接盈利或[编辑后售卖]进行间接盈利)。
2、本站所有内容均由合作方或网友上传,本站不对文档的完整性、权威性及其观点立场正确性做任何保证或承诺!文档内容仅供研究参考,付费前请自行鉴别。
3、如文档内容存在违规,或者侵犯商业秘密、侵犯著作权等,请点击“违规举报”。

碎片内容

通信光缆线路施工规范-(年修订版)(DOC28页)

确认删除?
VIP
微信客服
  • 扫码咨询
会员Q群
  • 会员专属群点击这里加入QQ群
客服邮箱
回到顶部