电脑桌面
添加小米粒文库到电脑桌面
安装后可以在桌面快捷访问

电力电缆管线敷设工程组织设计VIP免费

电力电缆管线敷设工程组织设计_第1页
1/25
电力电缆管线敷设工程组织设计_第2页
2/25
电力电缆管线敷设工程组织设计_第3页
3/25
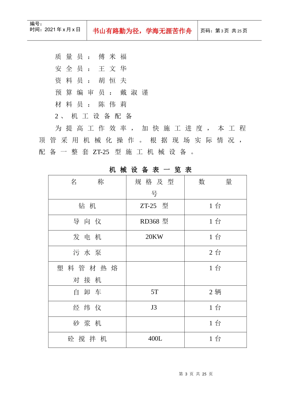
第1页共25页编号:时间:2021年x月x日书山有路勤为径,学海无涯苦作舟页码:第1页共25页一、工程概述随着温岭市经济建设的飞速发展,城市建设需铺设和修复大量的地下管线。根据业主提供的图纸,经我们认真阅读研究,仔细考察工程施工现场和交通情况后,立即组织主要技术负责人和管理人员进行分析,编制本工程的施工组织设计。在编制过程中,充分考虑了各关键部位的施工方法及要点,并作分解。在严格遵守技术规范的前提下。按照市政排水工程的施工与组织管理程序。结合本公司多年的施工经验和目前的施工技术,编制本工程的施工组织设计。二、工程概况锦屏路电力电缆保护管工程,由8孔D160管材和12孔D160管材组成,自河滨路与锦屏路交叉口处沿锦屏路北侧人行道敷设至人民东路口,其中4号井至8号井为12孔D160管材敷设。中间自锦屏路与万昌中路交叉口处沿万昌中路南侧人行道向西分支,长度为270m,由6孔D160管材组成。锦屏路全线管线敷设除各个路口采用非开挖施工外,其余均采用开挖敷设施工,管线长为1875米,中间设立2只接头井,1只转角井;6只分支井和19只工作井,并且跨越一座桥梁。部分路段因土建单位施工,有些房屋、变压器及附属设施无法拆除,影响开挖施工,第2页共25页第1页共25页编号:时间:2021年x月x日书山有路勤为径,学海无涯苦作舟页码:第2页共25页本公司建议采用非开挖施工。非开挖敷设施工段采用HDPE管材管径为D160,密度≤1.5g/cm3,最大绕度为15°,壁厚11.8mm,接口:采用加热对接接头法连接。开挖敷设施工采用PVC-u管材管径为D160,密度≤1.5g/cm3,弹性模量≥3000Mpa,维卡软化温度≥79℃,接口:采用橡胶圈承插式接口连接。三、沿线自然地理概况1、地形地貌:本工程位于温岭市锦屏路繁华地段,地势平坦,居民区密集,管线复杂,纵横交错。2、工程地质:锦屏路人行道表面为人行道砖,基层为5cm厚砼,路基为2.0m厚大的塘渣,再下层为0.5m的耕植土,接着约1.8~4.0m的粘土层。四、施工总体部署1、管理机构设置及管理人员部署为确保本工程的施工工期,质量及安全目标的实现。将抽调专业能力强,管理水平高,具有丰富施工组织的技术人员。进行现场施工管理,成立一支精干的施工队伍。本工程主要现场专业管理人员项目经理:陈清辉技术负责人:林斌施工员:陈梅富第3页共25页第2页共25页编号:时间:2021年x月x日书山有路勤为径,学海无涯苦作舟页码:第3页共25页质量员:傅米福安全员:王文华资料员:胡恒夫预算编审员:戴淑谨材料员:陈伟莉2、机工设备配备为提高工作效率,加快施工进度,本工程顶管采用机械化操作。根据现场实际情况,配备一整套ZT-25型施工机械设备。机械设备表一览表名称规格及型号数量钻机ZT-25型1台导向仪RD368型1台发电机20KW1台污水泵2台塑料管材热熔对接机1台自卸车5T2辆经纬仪J31台砂浆机1台砼搅拌机400L1台第4页共25页第3页共25页编号:时间:2021年x月x日书山有路勤为径,学海无涯苦作舟页码:第4页共25页磅称1台污水泵4只3、材料调配供应部置制订详细的材料供应计划。并根据施工进度计划合理供应材料,保证施工期间不断料。4、施工作业安排锦屏路开挖施工,自河滨路交叉口开始施工,中间根据电力电缆井及路口与分段施工至人民路口。具体施工顺序:先做开挖施工1#~5#、6#~9#、10#~12#、13#~22#、6-1#~6-4#。后做非开挖施工:5#~6#、9#~10#、12#~13#、22#~23#、6#~6-1#(具体见下)1#~5#井段放样挖电缆管沟6#~9#井安管砌筑管线井及管线井10#~12#井段钻孔管道施工13#~22#井段6-1#~6-4#井段5#~6#9#~10#12#~13#砌筑管线井土方回填22#~23#6#~6-1#土方回填第5页共25页第4页共25页编号:时间:2021年x月x日书山有路勤为径,学海无涯苦作舟页码:第5页共25页5、施工顺序安排根据本工程特征及施工进度要求,我们作了精心组织,合理按排,充分利用公司类似工程施工中的宝贵经验,进行流水施工作业,保质保量控制在工期内完成本工程的全部工程量,根据施工安排,从进场开工时间至完工时间总工期为41天。(具体见下页)具体施工工艺流程场地初勘查管线非开挖定机位开挖放样检查安管质量导向孔钻井挖沟槽分级扩孔安管检查拉管质量第6页共25...

1、当您付费下载文档后,您只拥有了使用权限,并不意味着购买了版权,文档只能用于自身使用,不得用于其他商业用途(如 [转卖]进行直接盈利或[编辑后售卖]进行间接盈利)。
2、本站所有内容均由合作方或网友上传,本站不对文档的完整性、权威性及其观点立场正确性做任何保证或承诺!文档内容仅供研究参考,付费前请自行鉴别。
3、如文档内容存在违规,或者侵犯商业秘密、侵犯著作权等,请点击“违规举报”。

碎片内容

电力电缆管线敷设工程组织设计

您可能关注的文档

确认删除?
VIP
微信客服
  • 扫码咨询
会员Q群
  • 会员专属群点击这里加入QQ群
客服邮箱
回到顶部