电脑桌面
添加小米粒文库到电脑桌面
安装后可以在桌面快捷访问

高效数控恒流电源VIP免费

高效数控恒流电源_第1页
1/13
高效数控恒流电源_第2页
2/13
高效数控恒流电源_第3页
3/13
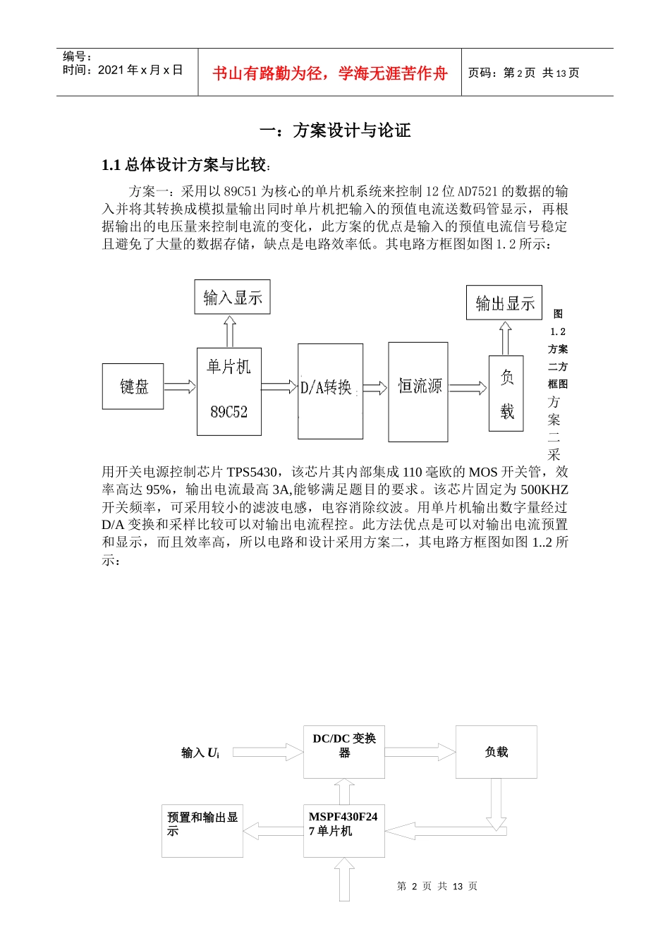
第1页共13页编号:时间:2021年x月x日书山有路勤为径,学海无涯苦作舟页码:第1页共13页高效数控恒流电源摘要随着低碳经济时代的到来,提高能源利用率对工业和社会发展起着重要的作用。基于此本文描述了高效率数控恒流电源的设计原理和实现方法,本系统采用DC/DC变换器芯片TPS5430,它是一款高效的电源开关控制芯片,输入电压范围宽,输出电流高达3A。以MSP430F247单片机为主控制器,通过键盘来设置电源的输出电流,设置步进等级为1mA,并可由液晶显示器显示实际输出电流值和负载功率。本系统还具有开路检测和过压保护功能,可广泛应用于需要高效恒流源的领域。关键词:MSP430F247单片机DC/DC变换器高效恒流源AbstractThispaperdescribesthedesignofhigh-powerLEDpowersupplyprincipleandmethodtoMSP430F247microcontroller-basedcontroller,DCpowerthroughthekeyboardtosettheoutputcurrent,setthesteplevelas1mA,andtheactualoutputcurrentvalueandloadpowercanbedisplayedbytheLCD.ThissystemusesDC/DCconverterchipTPS5430,theoutputpowerMOStubecanexpansionthecurrent.SingleChipProgrammableoutputdigitalsignal,throughD/Aconverter(TLV5618)outputanalog,throughtheoperationalamplifierisolationamplifier,andprecisionvoltagesamplingresistorcollectionenlargedcomparedtocontrolDC/DCconverter'sfeedbackside,toachievetheoutputcurrentcontrol.Outputcurrentthroughthecurrent/voltagechanges,theadoptionofA/Dconverterchip,real-timeintotheanalogdata,andthenanalyzedbymicrocomputerprocessing,thefeedbackthroughtheformofdatalinks,sothatcurrentismorestable,itconstitutesastablevoltage-controlledcurrentsource.Actualtestresultsshowthatthesystemoutputcurrentstability,withtheloadandambienttemperaturechangesandhighJingDu,outputcurrenterrorof±5mA,outputcurrentat20mA~2000mAFanWeicanbearbitrarilysetwithin,outputefficiencyupto90%,andthustheactualapplicationsrequiringhighstabilityandhighefficiencyconstantcurrentfield.Keywords:MSP430F247MCUDC/DCconverterefficiencyconstantcurrentsource目录第2页共13页第1页共13页编号:时间:2021年x月x日书山有路勤为径,学海无涯苦作舟页码:第2页共13页一:方案设计与论证1.1总体设计方案与比较:方案一:采用以89C51为核心的单片机系统来控制12位AD7521的数据的输入并将其转换成模拟量输出同时单片机把输入的预值电流送数码管显示,再根据输出的电压量来控制电流的变化,此方案的优点是输入的预值电流信号稳定且避免了大量的数据存储,缺点是电路效率低。其电路方框图如图1.2所示:图1.2方案二方框图方案二采用开关电源控制芯片TPS5430,该芯片其内部集成110毫欧的MOS开关管,效率高达95%,输出电流最高3A,能够满足题目的要求。该芯片固定为500KHZ开关频率,可采用较小的滤波电感,电容消除纹波。用单片机输出数字量经过D/A变换和采样比较可以对输出电流程控。此方法优点是可以对输出电流预置和显示,而且效率高,所以电路和设计采用方案二,其电路方框图如图1..2所示:输入UiDC/DC变换器预置和输出显示负载MSPF430F247单片机第3页共13页第2页共13页编号:时间:2021年x月x日书山有路勤为径,学海无涯苦作舟页码:第3页共13页图1.2方案二方框图二模块电路设计及比较本系统以MSP430F247单片机为核心,外围包括DC/DC变换器模块,数模和模数转换模块,液晶显示模块,电流采集模块。2.1DC/DC变换器模块TPS5430是一款输入电压范围宽,工作频率高,转换效率高的直流变换器件,可做升压和降压之用,本系统用做降压输出,输出经电感电容滤波,可得到稳定的电压,引入电流反馈可得稳定电流。电路原理图如下图2.1所示键盘12J10CON2J90.05C231043261874U3OP07+5-5R120k+5C150.1uFC330.1uFC362KC172KC162KC321K+5-5R22.7kC210.1uFC430.1uFBOOT1PH8VSENSE4POWERPAD9GND6NC3NC2ENA5VIN7U1TPS5430C3103D11N5819L115uh+15C5220uC610kC72kC182k1J4CON11J2CON132618745C20AD620+C4447u+C2247u+C1447u+C3547u1...

1、当您付费下载文档后,您只拥有了使用权限,并不意味着购买了版权,文档只能用于自身使用,不得用于其他商业用途(如 [转卖]进行直接盈利或[编辑后售卖]进行间接盈利)。
2、本站所有内容均由合作方或网友上传,本站不对文档的完整性、权威性及其观点立场正确性做任何保证或承诺!文档内容仅供研究参考,付费前请自行鉴别。
3、如文档内容存在违规,或者侵犯商业秘密、侵犯著作权等,请点击“违规举报”。

碎片内容

高效数控恒流电源

中小学教育精品资料+ 关注
实名认证
内容提供者

中小学教育资料,优质文档创作者

确认删除?
VIP
微信客服
  • 扫码咨询
会员Q群
  • 会员专属群点击这里加入QQ群
客服邮箱
回到顶部