电脑桌面
添加小米粒文库到电脑桌面
安装后可以在桌面快捷访问

钢筋机械连接技术指导书VIP免费

钢筋机械连接技术指导书_第1页
1/15
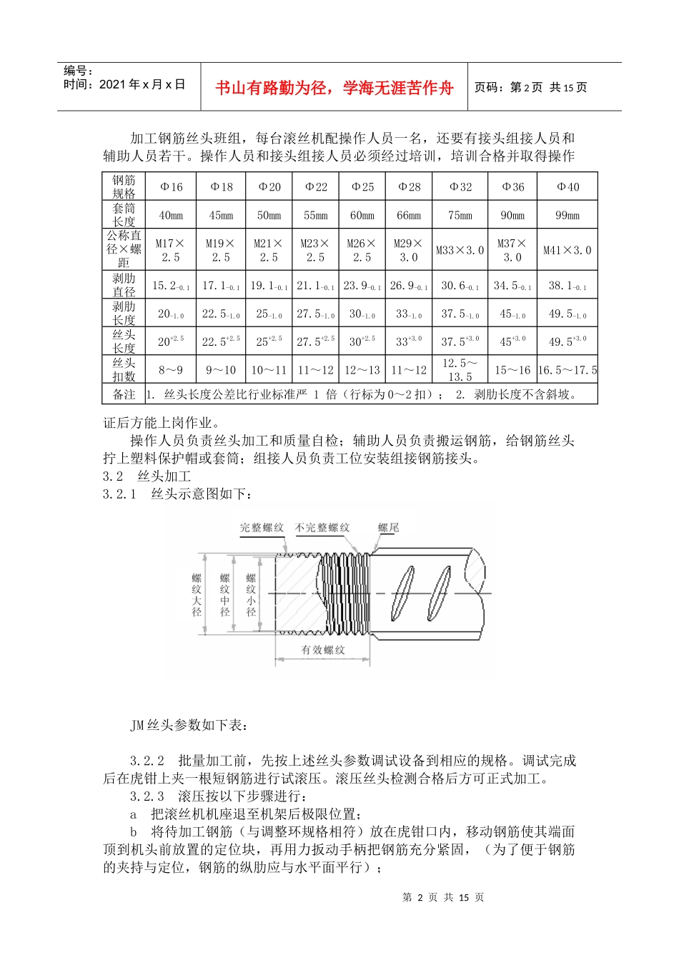
钢筋机械连接技术指导书_第2页
2/15
钢筋机械连接技术指导书_第3页
3/15
钢筋机械连接作业指导书1、目的明确钢筋机械连接作业的工艺流程、操作要点和相应的工艺标准,指导、规范钢筋机械连接作业施工。2、适用的条件及范围适用于贵广铁路GGTJ-12标段钢筋的机械连接。3,施工工艺1.滚压直螺纹连接作业1.JM钢筋剥肋滚丝设备钢筋剥肋滚丝机是现场加工钢筋丝头的机械,是决定丝头质量和加工效率的关键因素。JM型钢筋剥肋滚丝机由电控箱、虎钳组、张刀剥肋滚丝机构、减速机构、冷却机构、电机、机架等组成。主要参数见下表:设备型号BLGS-40系列外形尺寸(mm)1260×580×1070(最大外型)滚轮型号1622202528323640加工钢筋规格16、18、20、2220、22、2528、3236、40螺距(mm)2.53.0工作电压(V)380(50Hz,三相四线制)设备重量(kg)450~600主电机功率(kW)4水泵电机功率(kW)0.12第1页共15页编号:时间:2021年x月x日书山有路勤为径,学海无涯苦作舟页码:第1页共15页2.JM剥肋滚压直螺纹连接套筒直螺纹套筒是构成接头的重要组成部分,用45号优质碳素结构钢加工而成。机械性能应符合下表要求:套筒尺寸参数如下:型号规格BG16BG18BG20BG22BG25BG28BG32BG36G40适用钢筋直径φ16φ18φ20φ22φ25φ28φ32φ36φ40套筒长度H404550556066759099套筒外径D25283133.53842.5485460螺纹大径×螺距M17×2.5M19×2.5M21×2.5M23×2.5M26×2.5M29×3.0M33×3.0M37×3.0M41×3.0备注符合上表尺寸参数的直螺纹套筒满足HRB335、HRB400钢筋Ⅰ级接头连接要求3.丝头加工工艺及接头组接3.1准备工作3.1.1设备、工具、附件、配电装置的准备滚丝机必须平稳着落在坚实的地面上,保证工作时稳固可靠。滚丝机机头前须搭设钢筋支架,待加工钢筋放在支架上,钢筋轴线与机头中心应在同一平面上。常用工具有:螺纹环规、定位块与棒、丝头保护帽、呆扳手(管钳)、测力扳手等。加工现场要配备有漏电保护器的配电箱,箱内有三相四线插座(380V、20A)和接地端子。其它附件、易损易耗件:冷却润滑液、滚轮、滚针、垫片、滚轮轴、剥肋刀等。3.1.2钢筋的准备钢筋端面要平整,并与钢筋轴线垂直。任何可能影响滚压螺纹牙型完整度的缺陷均应处理,如切口马蹄、翘边、坡度等。距钢筋端头0.5米范围内不得有影响钢筋丝头加工质量的弯曲。距钢筋端头0.3米范围内不得粘结沙土、砂浆等附着物。3.1.3人员的准备项目性能指标屈服强度MPa≥355抗拉强度MPa≥600延伸率%≥16第2页共15页第1页共15页编号:时间:2021年x月x日书山有路勤为径,学海无涯苦作舟页码:第2页共15页加工钢筋丝头班组,每台滚丝机配操作人员一名,还要有接头组接人员和辅助人员若干。操作人员和接头组接人员必须经过培训,培训合格并取得操作证后方能上岗作业。操作人员负责丝头加工和质量自检;辅助人员负责搬运钢筋,给钢筋丝头拧上塑料保护帽或套筒;组接人员负责工位安装组接钢筋接头。3.2丝头加工3.2.1丝头示意图如下:JM丝头参数如下表:3.2.2批量加工前,先按上述丝头参数调试设备到相应的规格。调试完成后在虎钳上夹一根短钢筋进行试滚压。滚压丝头检测合格后方可正式加工。3.2.3滚压按以下步骤进行:a把滚丝机机座退至机架后极限位置;b将待加工钢筋(与调整环规格相符)放在虎钳口内,移动钢筋使其端面顶到机头前放置的定位块,再用力扳动手柄把钢筋充分紧固,(为了便于钢筋的夹持与定位,钢筋的纵肋应与水平面平行);钢筋规格Φ16Φ18Φ20Φ22Φ25Φ28Φ32Φ36Φ40套筒长度40mm45mm50mm55mm60mm66mm75mm90mm99mm公称直径×螺距M17×2.5M19×2.5M21×2.5M23×2.5M26×2.5M29×3.0M33×3.0M37×3.0M41×3.0剥肋直径15.2-0.117.1-0.119.1-0.121.1-0.123.9-0.126.9-0.130.6-0.134.5-0.138.1-0.1剥肋长度20-1.022.5-1.025-1.027.5-1.030-1.033-1.037.5-1.045-1.049.5-1.0丝头长度20+2.522.5+2.525+2.527.5+2.530+2.533+3.037.5+3.045+3.049.5+3.0丝头扣数8~99~1010~1111~1212~1311~1212.5~13.515~1616.5~17.5备注1.丝头长度公差比行业标准严1倍(行标为0~2扣);2.剥肋长度不含斜坡。第3页共15页第2页共15页编号:时间:2021年x月x日书山有路勤为径,学海无涯苦作舟页码:第3页共15页c启动机器,冷却液流出...

1、当您付费下载文档后,您只拥有了使用权限,并不意味着购买了版权,文档只能用于自身使用,不得用于其他商业用途(如 [转卖]进行直接盈利或[编辑后售卖]进行间接盈利)。
2、本站所有内容均由合作方或网友上传,本站不对文档的完整性、权威性及其观点立场正确性做任何保证或承诺!文档内容仅供研究参考,付费前请自行鉴别。
3、如文档内容存在违规,或者侵犯商业秘密、侵犯著作权等,请点击“违规举报”。

碎片内容

钢筋机械连接技术指导书

中小学教育精品资料+ 关注
实名认证
内容提供者

中小学教育资料,优质文档创作者

确认删除?
VIP
微信客服
  • 扫码咨询
会员Q群
  • 会员专属群点击这里加入QQ群
客服邮箱
回到顶部