电脑桌面
添加小米粒文库到电脑桌面
安装后可以在桌面快捷访问

建筑工程质量验收记录表(doc 9页)VIP免费

建筑工程质量验收记录表(doc 9页)_第1页
1/9
建筑工程质量验收记录表(doc 9页)_第2页
2/9
建筑工程质量验收记录表(doc 9页)_第3页
3/9
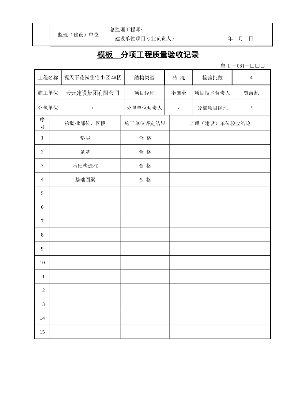
地基与基础分部(子分部)工程验收记录鲁JJ-079-□□□工程名称观天下花园住宅小区4#楼结构类型砖混层数四层施工单位天元建设集团有限公司技术部门负责人质量部门负责人分包单位/分包单位负责人/分包技术负责人/序号分项工程名称检验批数施工单位检查评定验收意见1土方开挖2模板工程3钢筋工程4混凝土工程5现浇结构工程6砌体工程7土方回填8防潮层质量控制资料安全和功能检验(检测)报告观感质量验收参收单位分包单位项目经理:年月日施工单位项目经理:年月日勘察单位项目负责人:年月日设计单位项目负责人:年月日监理(建设)单位总监理工程师:(建设单位项目专业负责人)年月日模板分项工程质量验收记录鲁JJ-081-□□□工程名称观天下花园住宅小区4#楼结构类型砖混检验批数4施工单位天元建设集团有限公司项目经理李国全项目技术负责人贾海彪分包单位/分包单位负责人/分部项目经理/序号检验批部位、区段施工单位评定结果监理(建设)单位验收结论1垫层合格2条基合格3基础构造柱合格4基础圈梁合格56789101112131415检查结论项目专业技术负责人:年月日验收结论监理工程师:(建设单位项目专业负责人)年月日土方开挖分项工程质量验收记录鲁JJ-081-□□□工程名称观天下花园住宅小区4#楼结构类型砖混检验批数1施工单位天元建设集团有限公司项目经理李国全项目技术负责人贾海彪分包单位/分包单位负责人/分部项目经理/序号检验批部位、区段施工单位评定结果监理(建设)单位验收结论1土方开挖合格23456789101112131415检查结论项目专业技术负责人:年月日验收结论监理工程师:(建设单位项目专业负责人)年月日混凝土分项工程质量验收记录鲁JJ-081-□□□工程名称观天下花园住宅小区4#楼结构类型砖混检验批数4施工单位天元建设集团有限公司项目经理李国全项目技术负责人贾海彪分包单位/分包单位负责人/分部项目经理/序号检验批部位、区段施工单位评定结果监理(建设)单位验收结论1垫层合格2条基合格3基础构造柱合格4基础圈梁合格56789101112131415检查结论项目专业技术负责人:年月日验收结论监理工程师:(建设单位项目专业负责人)年月日钢筋分项工程质量验收记录鲁JJ-081-□□□工程名称观天下花园住宅小区4#楼结构类型砖混检验批数9施工单位天元建设集团有限公司项目经理李国全项目技术负责人贾海彪分包单位/分包单位负责人/分部项目经理/序号检验批部位、区段施工单位评定结果监理(建设)单位验收结论1条基合格2基础构造柱合格3基础圈梁合格456789101112131415检查结论项目专业技术负责人:年月日验收结论监理工程师:(建设单位项目专业负责人)年月日砖砌体分项工程质量验收记录鲁JJ-081-□□□工程名称观天下花园住宅小区4#楼结构类型砖混检验批数1施工单位天元建设集团有限公司项目经理李国全项目技术负责人贾海彪分包单位/分包单位负责人/分部项目经理/序号检验批部位、区段施工单位评定结果监理(建设)单位验收结论1基础砖砌体合格23456789101112131415检查结论项目专业技术负责人:年月日验收结论监理工程师:(建设单位项目专业负责人)年月日现浇结构外观及尺寸偏差分项工程质量验收记录鲁JJ-081-□□□工程名称观天下花园住宅小区4#楼结构类型砖混检验批数1施工单位天元建设集团有限公司项目经理李国全项目技术负责人贾海彪分包单位/分包单位负责人/分部项目经理/序号检验批部位、区段施工单位评定结果监理(建设)单位验收结论1现浇结构工程合格23456789101112131415检查结论项目专业技术负责人:年月日验收结论监理工程师:(建设单位项目专业负责人)年月日地基与基础分部(子分部)工程观感检查记录鲁JJ-080-□□□工程名称观天下花园住宅小区4#楼包括的子分部(分项)工程名称地基与基础施工单位天元建设集团有限公司项目技术负责人贾海彪序号项目施工单位自评验收检查记录验收质量评价好一般差好一般差1土方开挖工程√边坡稳定:无危险土体或悬空物体,无危及基槽安全的裂缝或出水口2模板工程√模板拼缝严密,截面尺寸准确3钢筋工程√钢筋绑扎间距标准、轴线无位移4混凝土工程√混凝土感观良好5现浇结构工程√无影响结构性能设备安装的尺寸...

1、当您付费下载文档后,您只拥有了使用权限,并不意味着购买了版权,文档只能用于自身使用,不得用于其他商业用途(如 [转卖]进行直接盈利或[编辑后售卖]进行间接盈利)。
2、本站所有内容均由合作方或网友上传,本站不对文档的完整性、权威性及其观点立场正确性做任何保证或承诺!文档内容仅供研究参考,付费前请自行鉴别。
3、如文档内容存在违规,或者侵犯商业秘密、侵犯著作权等,请点击“违规举报”。

碎片内容

建筑工程质量验收记录表(doc 9页)

确认删除?
VIP
微信客服
  • 扫码咨询
会员Q群
  • 会员专属群点击这里加入QQ群
客服邮箱
回到顶部