电脑桌面
添加小米粒文库到电脑桌面
安装后可以在桌面快捷访问

电力变压器铁芯柱截面的优化设计VIP免费

电力变压器铁芯柱截面的优化设计_第1页
1/2
电力变压器铁芯柱截面的优化设计_第2页
2/2
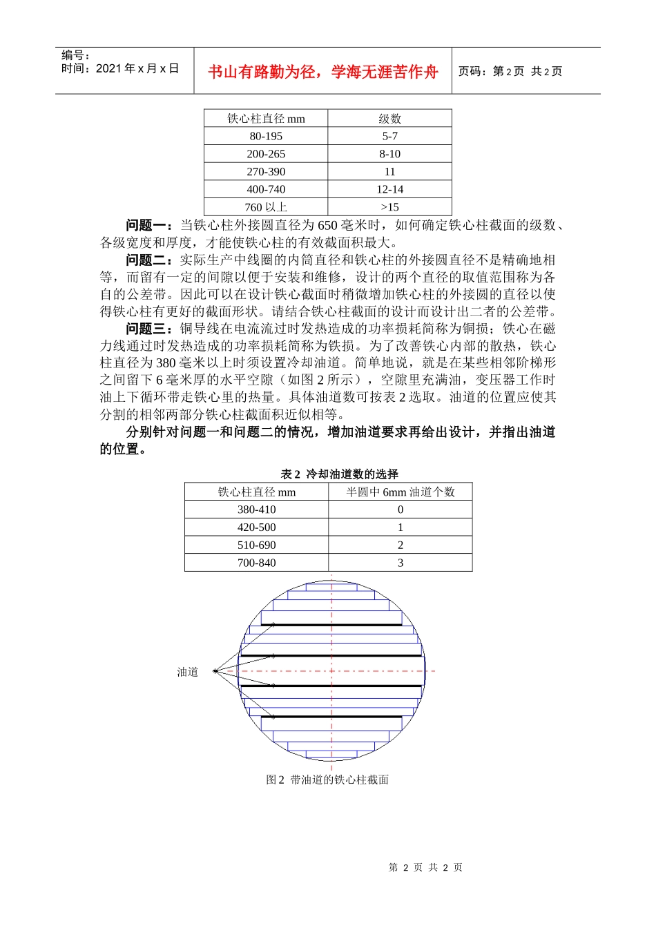
第1页共2页图1铁心柱截面示意图编号:时间:2021年x月x日书山有路勤为径,学海无涯苦作舟页码:第1页共2页A题电力变压器铁心柱截面的优化设计电力变压器的设计中很重要的一个环节就是铁心柱的截面如何设计。我国变压器制造业通常采用全国统一的标准铁心设计图纸。根据多年的生产经验,各生产厂存在着对已有设计方案的疑问:能否改进及如何改进这些设计,才能在提高使用效果的同时降低变压器的成本。现在以心式铁心柱为例试图进行优化设计。电力变压器铁心柱截面在圆形的线圈筒里面。为了充分利用线圈内空间又便于生产管理,心式铁心柱截面常采用多级阶梯形结构,如图1所示。截面在圆内上下轴对称,左右也轴对称。阶梯形的每级都是由许多同种宽度的硅钢片迭起来的。由于制造工艺的要求,硅钢片的宽度一般取为5的倍数(单位:毫米)。因为在多级阶梯形和线圈之间需要加入一定的撑条来起到固定的作用,所以一般要求第一级的厚度最小为26毫米,硅钢片的宽度最小为20毫米。铁心柱有效截面的面积,等于多级铁心柱的几何截面积(不包括油道)乘以叠片系数。而叠片系数通常与硅钢片厚度、表面的绝缘漆膜厚度、硅钢片的平整度以及压紧程度有关。设计时希望有效截面尽量大,既节省材料又减少能量损耗。显然铁心柱的级数愈多,其截面愈接近于圆形,在一定的直径下铁心柱有效截面也愈大。但这样制造也工艺复杂,一般情况下铁心柱的级数可参照表1选取。表1铁心柱截面级数的选择第2页共2页第1页共2页油道图2带油道的铁心柱截面编号:时间:2021年x月x日书山有路勤为径,学海无涯苦作舟页码:第2页共2页铁心柱直径mm级数80-1955-7200-2658-10270-39011400-74012-14760以上>15问题一:当铁心柱外接圆直径为650毫米时,如何确定铁心柱截面的级数、各级宽度和厚度,才能使铁心柱的有效截面积最大。问题二:实际生产中线圈的内筒直径和铁心柱的外接圆直径不是精确地相等,而留有一定的间隙以便于安装和维修,设计的两个直径的取值范围称为各自的公差带。因此可以在设计铁心截面时稍微增加铁心柱的外接圆的直径以使得铁心柱有更好的截面形状。请结合铁心柱截面的设计而设计出二者的公差带。问题三:铜导线在电流流过时发热造成的功率损耗简称为铜损;铁心在磁力线通过时发热造成的功率损耗简称为铁损。为了改善铁心内部的散热,铁心柱直径为380毫米以上时须设置冷却油道。简单地说,就是在某些相邻阶梯形之间留下6毫米厚的水平空隙(如图2所示),空隙里充满油,变压器工作时油上下循环带走铁心里的热量。具体油道数可按表2选取。油道的位置应使其分割的相邻两部分铁心柱截面积近似相等。分别针对问题一和问题二的情况,增加油道要求再给出设计,并指出油道的位置。表2冷却油道数的选择铁心柱直径mm半圆中6mm油道个数380-4100420-5001510-6902700-8403

1、当您付费下载文档后,您只拥有了使用权限,并不意味着购买了版权,文档只能用于自身使用,不得用于其他商业用途(如 [转卖]进行直接盈利或[编辑后售卖]进行间接盈利)。
2、本站所有内容均由合作方或网友上传,本站不对文档的完整性、权威性及其观点立场正确性做任何保证或承诺!文档内容仅供研究参考,付费前请自行鉴别。
3、如文档内容存在违规,或者侵犯商业秘密、侵犯著作权等,请点击“违规举报”。

碎片内容

电力变压器铁芯柱截面的优化设计

中小学教育精品资料+ 关注
实名认证
内容提供者

中小学教育资料,优质文档创作者

确认删除?
VIP
微信客服
  • 扫码咨询
会员Q群
  • 会员专属群点击这里加入QQ群
客服邮箱
回到顶部