电脑桌面
添加小米粒文库到电脑桌面
安装后可以在桌面快捷访问

装修工程消防设计审核申报表VIP专享VIP免费

装修工程消防设计审核申报表_第1页
1/4
装修工程消防设计审核申报表_第2页
2/4
装修工程消防设计审核申报表_第3页
3/4
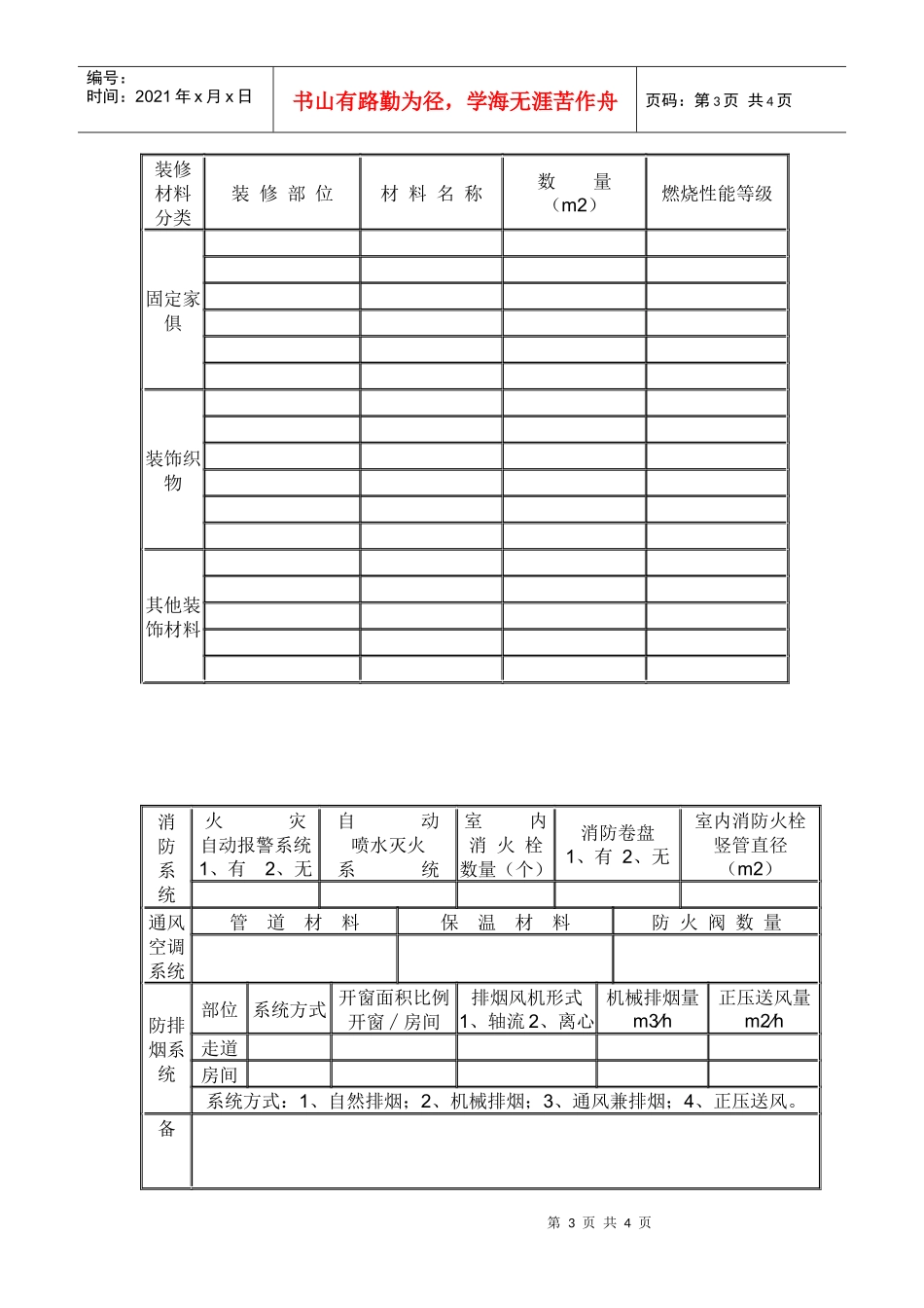
第1页共4页编号:时间:2021年x月x日书山有路勤为径,学海无涯苦作舟页码:第1页共4页装修工程消防设计审核申报表申报单位:(盖章)申报日期:江西省公安消防总队工程名称建筑地址单位类别单位名称负责人联系人联系电话建筑单位设计单位施工单位使用功能建筑结构原有用途装修面积m2建筑层数装修层数标准层层高m安全疏散设施出口数量出口宽度间距最大层人数走道长度mm人m应急照明形式疏散指示标志数量(个)走道出口装修材料分类装修部位材料名称数量(m2)燃烧性能等级顶棚装修材料第2页共4页第1页共4页编号:时间:2021年x月x日书山有路勤为径,学海无涯苦作舟页码:第2页共4页装修材料分类装修部位材料名称数量(m2)燃烧性能等级墙面装修材料地面装修材料房间隔断材料第3页共4页第2页共4页编号:时间:2021年x月x日书山有路勤为径,学海无涯苦作舟页码:第3页共4页装修材料分类装修部位材料名称数量(m2)燃烧性能等级固定家俱装饰织物其他装饰材料消防系统火灾自动报警系统1、有2、无自动喷水灭火系统室内消火栓数量(个)消防卷盘1、有2、无室内消防火栓竖管直径(m2)通风空调系统管道材料保温材料防火阀数量防排烟系统部位系统方式开窗面积比例开窗∕房间排烟风机形式1、轴流2、离心机械排烟量m3∕h正压送风量m2∕h走道房间系统方式:1、自然排烟;2、机械排烟;3、通风兼排烟;4、正压送风。备第4页共4页第3页共4页编号:时间:2021年x月x日书山有路勤为径,学海无涯苦作舟页码:第4页共4页注装修企业自审意见企业盖章:

1、当您付费下载文档后,您只拥有了使用权限,并不意味着购买了版权,文档只能用于自身使用,不得用于其他商业用途(如 [转卖]进行直接盈利或[编辑后售卖]进行间接盈利)。
2、本站所有内容均由合作方或网友上传,本站不对文档的完整性、权威性及其观点立场正确性做任何保证或承诺!文档内容仅供研究参考,付费前请自行鉴别。
3、如文档内容存在违规,或者侵犯商业秘密、侵犯著作权等,请点击“违规举报”。

碎片内容

装修工程消防设计审核申报表

确认删除?
VIP
微信客服
  • 扫码咨询
会员Q群
  • 会员专属群点击这里加入QQ群
客服邮箱
回到顶部