电脑桌面
添加小米粒文库到电脑桌面
安装后可以在桌面快捷访问

电缆交联工艺学VIP免费

电缆交联工艺学_第1页
1/11
电缆交联工艺学_第2页
2/11
电缆交联工艺学_第3页
3/11
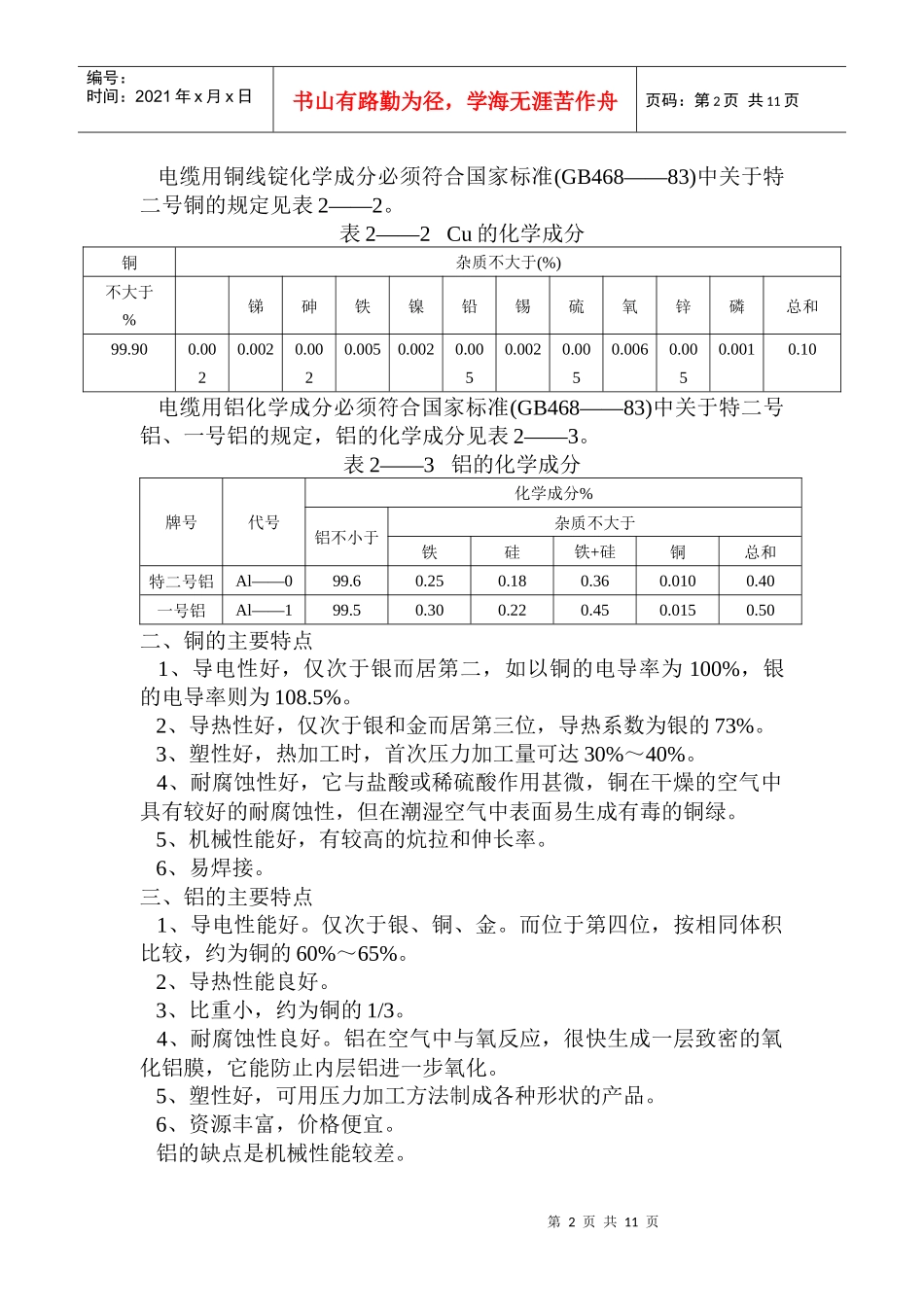
第1页共11页编号:时间:2021年x月x日书山有路勤为径,学海无涯苦作舟页码:第1页共11页第三章交联电缆用原材料使用材料的质量好坏,直接影响到电缆产品的质量,因而电缆的发展很大程度上取决于使用材料的发展。电缆使用材料的品种多、数量大、从生产成本中看,材料费用约占百分之七十以上。交联电缆使用的导体及绝缘材料主要有铜、铝、交联聚乙烯料和内、外半导电料。第一节导体用金属材料交联电缆导体使用的导体材料,首先必须具有良好的导电性能;第二,有良好的机械强度;第三,具有一定的防腐蚀能力;第四,在冷热状态下都具有良好的工艺性能;第五,在资源上能保证供应。铜、铝等金属是常用的导体材料,铜的导电性能好,铝的导电性能和机械物理性能虽然不如铜,但其具有资源丰富,重量轻等特点,也已成为应用较广的导体材料。一、铜、铝性能作为导体使用的铜、铝一般都用电解法制成,纯度很好,铝导体的纯度应在99.5%以上,铜导体的纯度应在99.9%以上。钒、钛、锰等是电解铝中影响导电性能较大的杂质。砷、铁、锑、锌等则是电解铜中影响导电性能较大的杂质。标准中规定有这些含量的限量。电解铜中含氧量在0.001%以下称为“无氧铜”。1、铜、铝物理性能纯铜是玫瑰红色金属,表面生成氧化铜膜后呈紫红色,因此俗称为紫铜。工作用纯铜和纯铝的物理性能见表2——1。表2——1纯铜和纯铝的物理性能项目性能铜铝熔点℃沸点℃比重g/Cm3线膨胀系数1/℃(0~100℃)抗拉强度kg·f/mm2伸长率%弹性模数kg·f/mm2电阻率Ω·mm2/m(20)℃108323108.891.65~17.0×10-635~45(硬态)50(软)<50(硬)108000.017241(软)65818002.723×10-615~18(硬)0.5~2(硬)63000.028264(硬)2、铜和铝的化学成分第2页共11页第1页共11页编号:时间:2021年x月x日书山有路勤为径,学海无涯苦作舟页码:第2页共11页电缆用铜线锭化学成分必须符合国家标准(GB468——83)中关于特二号铜的规定见表2——2。表2——2Cu的化学成分铜杂质不大于(%)不大于%锑砷铁镍铅锡硫氧锌磷总和99.900.0020.0020.0020.0050.0020.0050.0020.0050.0060.0050.0010.10电缆用铝化学成分必须符合国家标准(GB468——83)中关于特二号铝、一号铝的规定,铝的化学成分见表2——3。表2——3铝的化学成分牌号代号化学成分%铝不小于杂质不大于铁硅铁+硅铜总和特二号铝Al——099.60.250.180.360.0100.40一号铝Al——199.50.300.220.450.0150.50二、铜的主要特点1、导电性好,仅次于银而居第二,如以铜的电导率为100%,银的电导率则为108.5%。2、导热性好,仅次于银和金而居第三位,导热系数为银的73%。3、塑性好,热加工时,首次压力加工量可达30%~40%。4、耐腐蚀性好,它与盐酸或稀硫酸作用甚微,铜在干燥的空气中具有较好的耐腐蚀性,但在潮湿空气中表面易生成有毒的铜绿。5、机械性能好,有较高的炕拉和伸长率。6、易焊接。三、铝的主要特点1、导电性能好。仅次于银、铜、金。而位于第四位,按相同体积比较,约为铜的60%~65%。2、导热性能良好。3、比重小,约为铜的1/3。4、耐腐蚀性良好。铝在空气中与氧反应,很快生成一层致密的氧化铝膜,它能防止内层铝进一步氧化。5、塑性好,可用压力加工方法制成各种形状的产品。6、资源丰富,价格便宜。铝的缺点是机械性能较差。第3页共11页第2页共11页编号:时间:2021年x月x日书山有路勤为径,学海无涯苦作舟页码:第3页共11页第二节交联聚乙烯绝缘材料一、技术性能交联聚乙烯绝缘材料应具备下列的主要性能:1、高的击穿场强(脉冲、工频、操作波);2、低的介质损耗角正切(tgδ);3、相当高的绝缘电阻;4、优良的耐树枝(移滑)放电、局部放电性能;5、具有一定的柔软性和机械强度;6、绝缘性能长期稳定等。交联聚乙烯绝缘料是由聚乙烯加入其他添加剂组成的。不同的交联方法,加入交联聚乙烯绝缘混合料中的添加剂也不同,但都是将聚乙烯分子结构从线型变成立体网状型,从而大大地提高了聚乙烯耐热和机械性能。1、交联聚乙烯绝缘料的机械物理和电气性能见表2——4表2——4交联聚乙烯料机械物理和电气性能序号检验项目单位指标1密度G/Cm30.922±0.0032抗张强度Mpa≥17.03断裂伸长率%≥4204...

1、当您付费下载文档后,您只拥有了使用权限,并不意味着购买了版权,文档只能用于自身使用,不得用于其他商业用途(如 [转卖]进行直接盈利或[编辑后售卖]进行间接盈利)。
2、本站所有内容均由合作方或网友上传,本站不对文档的完整性、权威性及其观点立场正确性做任何保证或承诺!文档内容仅供研究参考,付费前请自行鉴别。
3、如文档内容存在违规,或者侵犯商业秘密、侵犯著作权等,请点击“违规举报”。

碎片内容

电缆交联工艺学

确认删除?
VIP
微信客服
  • 扫码咨询
会员Q群
  • 会员专属群点击这里加入QQ群
客服邮箱
回到顶部