电脑桌面
添加小米粒文库到电脑桌面
安装后可以在桌面快捷访问

电气设计常用资料文本VIP免费

电气设计常用资料文本_第1页
1/8
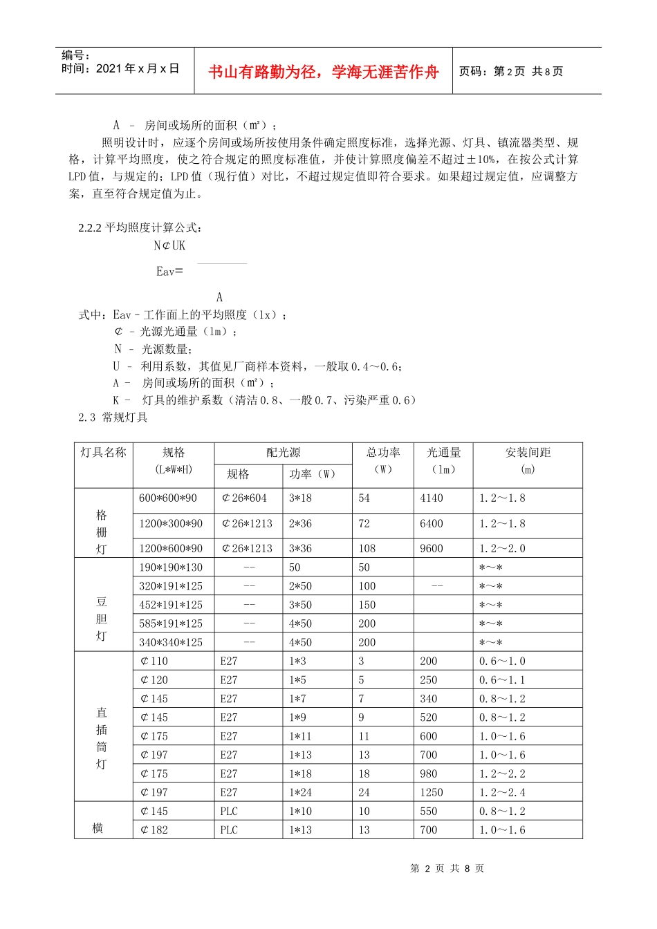
电气设计常用资料文本_第2页
2/8
电气设计常用资料文本_第3页
3/8
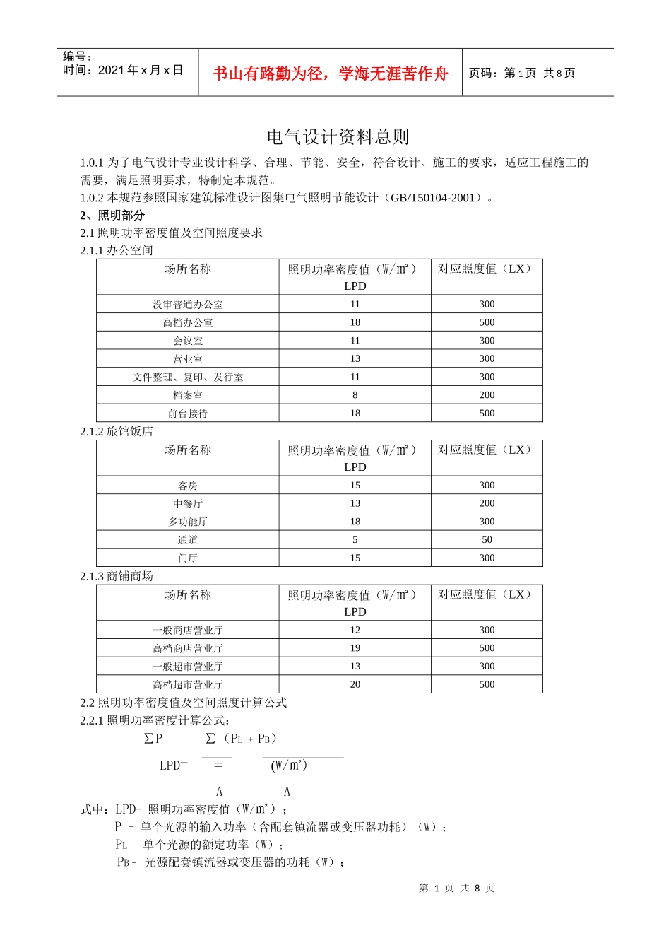
第1页共8页编号:时间:2021年x月x日书山有路勤为径,学海无涯苦作舟页码:第1页共8页电气设计资料总则1.0.1为了电气设计专业设计科学、合理、节能、安全,符合设计、施工的要求,适应工程施工的需要,满足照明要求,特制定本规范。1.0.2本规范参照国家建筑标准设计图集电气照明节能设计(GB/T50104-2001)。2、照明部分2.1照明功率密度值及空间照度要求2.1.1办公空间场所名称照明功率密度值(W/㎡)LPD对应照度值(LX)没审普通办公室11300高档办公室18500会议室11300营业室13300文件整理、复印、发行室11300档案室8200前台接待185002.1.2旅馆饭店场所名称照明功率密度值(W/㎡)LPD对应照度值(LX)客房15300中餐厅13200多功能厅18300通道550门厅153002.1.3商铺商场场所名称照明功率密度值(W/㎡)LPD对应照度值(LX)一般商店营业厅12300高档商店营业厅19500一般超市营业厅13300高档超市营业厅205002.2照明功率密度值及空间照度计算公式2.2.1照明功率密度计算公式:∑P∑(PL+PB)LPD==(W/㎡)AA式中:LPD-照明功率密度值(W/㎡);P-单个光源的输入功率(含配套镇流器或变压器功耗)(W);PL-单个光源的额定功率(W);PB–光源配套镇流器或变压器的功耗(W);第2页共8页第1页共8页编号:时间:2021年x月x日书山有路勤为径,学海无涯苦作舟页码:第2页共8页A-房间或场所的面积(㎡);照明设计时,应逐个房间或场所按使用条件确定照度标准,选择光源、灯具、镇流器类型、规格,计算平均照度,使之符合规定的照度标准值,并使计算照度偏差不超过±10%,在按公式计算LPD值,与规定的;LPD值(现行值)对比,不超过规定值即符合要求。如果超过规定值,应调整方案,直至符合规定值为止。2.2.2平均照度计算公式:N¢UKEav=A式中:Eav–工作面上的平均照度(lx);¢-光源光通量(lm);N–光源数量;U–利用系数,其值见厂商样本资料,一般取0.4~0.6;A-房间或场所的面积(㎡);K-灯具的维护系数(清洁0.8、一般0.7、污染严重0.6)2.3常规灯具灯具名称规格(L*W*H)配光源总功率(W)光通量(lm)安装间距(m)规格功率(W)格栅灯600*600*90¢26*6043*185441401.2~1.81200*300*90¢26*12132*367264001.2~1.81200*600*90¢26*12133*3610896001.2~2.0豆胆灯190*190*130--5050*~*320*191*125--2*50100--*~*452*191*125--3*50150*~*585*191*125--4*50200*~*340*340*125--4*50200*~*直插筒灯¢110E271*332000.6~1.0¢120E271*552500.6~1.1¢145E271*773400.8~1.2¢145E271*995200.8~1.2¢175E271*11116001.0~1.6¢197E271*13137001.0~1.6¢175E271*18189801.2~2.2¢197E271*242412501.2~2.4横¢145PLC1*10105500.8~1.2¢182PLC1*13137001.0~1.6第3页共8页第2页共8页编号:时间:2021年x月x日书山有路勤为径,学海无涯苦作舟页码:第3页共8页插筒灯¢197PLC2*132614001.0~1.8¢220PLC2*183619801.2~2.2¢250PLC2*244828601.2~2.6灯具名称规格(L*W*H)配光源总功率(W)光通量(lm)安装间距(m)规格功率(W)天花射灯¢75G5.312V35W35--按设计要求¢85G5.312V50W50--按设计要求轨道射灯¢140G4/G5.312V10W101201.0~1.6¢140G4/G5.312V15W152201.0~1.6¢140G4/G5.312V20W202801.0~1.6¢140G4/G5.312V35W356001.0~1.6¢140G4/G5.312V50W508501.0~1.6¢140G4/G5.312V75W7513251.0~1.6工矿灯10寸、12寸、14寸、16寸、19寸E2726W2616901.4~2.2E2732W3221001.5~2.4金卤筒灯¢193R7S70705500按设计要求¢246R7S15015011500按设计要求¢278R7S15015011500按设计要求灯带(T5)--¢16*56314141200按设计要求¢16*86321211900按设计要求--¢16*116328282600按设计要求¢16*146335353300按设计要求庭院灯高度为3—4m,间距15m—20m草坪灯高度为0.8—1m,间距6m—8m3、插座面板3.1强电插座:插座的作用是为移动式电器和设备提供电源。分为单相三孔、五孔和三相四孔式及三相五孔,明装和暗装等种类。一般设计要求如下:3.1.1插座的容量一定要与用电设备容量一致,导线负载大于和等于设备负荷。3.1.2单相电源一般应采用单相三孔和五孔插座;三相电源应采用三相四孔插座。3.1....

1、当您付费下载文档后,您只拥有了使用权限,并不意味着购买了版权,文档只能用于自身使用,不得用于其他商业用途(如 [转卖]进行直接盈利或[编辑后售卖]进行间接盈利)。
2、本站所有内容均由合作方或网友上传,本站不对文档的完整性、权威性及其观点立场正确性做任何保证或承诺!文档内容仅供研究参考,付费前请自行鉴别。
3、如文档内容存在违规,或者侵犯商业秘密、侵犯著作权等,请点击“违规举报”。

碎片内容

电气设计常用资料文本

您可能关注的文档

确认删除?
VIP
微信客服
  • 扫码咨询
会员Q群
  • 会员专属群点击这里加入QQ群
客服邮箱
回到顶部