电脑桌面
添加小米粒文库到电脑桌面
安装后可以在桌面快捷访问

电缆敷设施工组织设计VIP专享VIP免费

电缆敷设施工组织设计_第1页
1/27
电缆敷设施工组织设计_第2页
2/27
电缆敷设施工组织设计_第3页
3/27
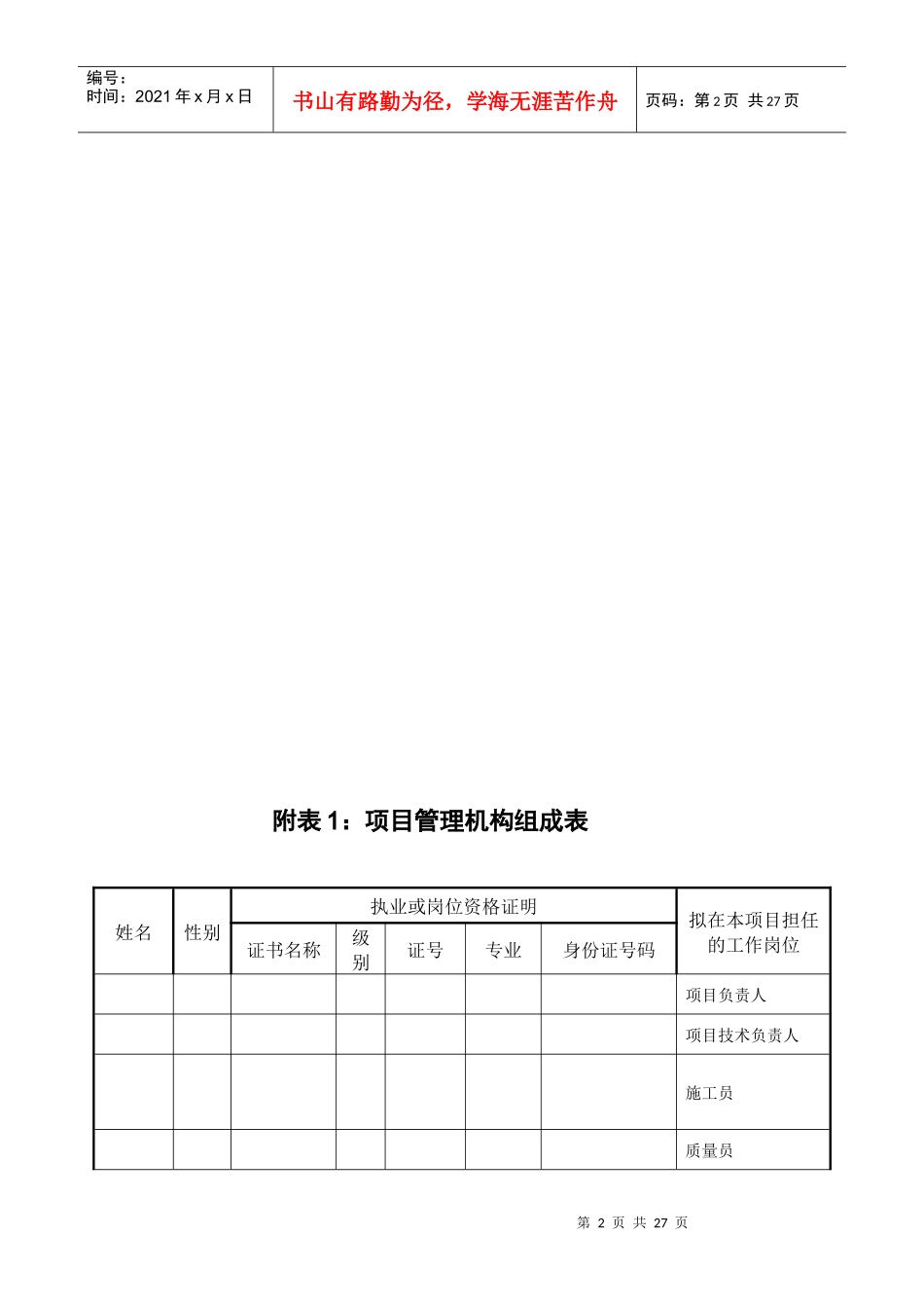
第1页共27页施工员材料员安全员技术员质检员安装技术员资料员项目经理项目副经理技术主管编号:时间:2021年x月x日书山有路勤为径,学海无涯苦作舟页码:第1页共27页第一章工程概况一、总体概况1.1工程概况:工程名称:建设地址:建设单位:工程内容:电杆的T接下火线、保护钢管、埋地排管、电缆敷设等第二章施工组织机构及施工部署一、施工组织机构1、组建以项目经理为核心的现场施工项目经理部,经理部的组成本着专业配置,精干高效的原则进行,按照企业项目管理模式建立项目组织机构,形成以全面质量、安全、成本管理为中心环节,以专业管理和计算机管理相结合的科学化管理体制,高效地组装和优化企业及社会生产要素,出色地实现我企业的质量方针、质量目标以及对业主的承诺。2、本工程项目班子以项目经理为首,下设安全员(1名)、技术负责人(1名)、质检员(1名)、材料员(1名)、资料员(1名)等进行全方位管理。根据管理体系项目经理部建立岗位责任制,明确分工职责,落实施工责任,各岗位各行其职,但要协调配合,互相沟通。3、工程施工组建专业技能高的管理人员,组织技术水平高的劳务队伍,确保工程均衡快速施工、保安全、保质量。项目组织结构图第2页共27页第1页共27页编号:时间:2021年x月x日书山有路勤为径,学海无涯苦作舟页码:第2页共27页附表1:项目管理机构组成表姓名性别执业或岗位资格证明拟在本项目担任的工作岗位证书名称级别证号专业身份证号码项目负责人项目技术负责人施工员质量员第3页共27页第2页共27页编号:时间:2021年x月x日书山有路勤为径,学海无涯苦作舟页码:第3页共27页安全员材料员造价员注:项目部主要人员(项目负责人、项目技术负责人、施工员、质量员、安全员、材料员、造价员)须附执业或岗位资格证明的复印件(加盖投标单位公章)。法定代表人或其委托代理人:投标单位(盖章)(签字或盖章)2016年12月14日附表2:项目负责人简历表姓名年龄30学历本科职称初级职务项目经理拟在本合同任职项目负责人毕业学校2015年毕业于东北大学学校电气自动化专业主要工作经历时间参加过的类似项目担任职务发包人及联系电话第4页共27页第3页共27页编号:时间:2021年x月x日书山有路勤为径,学海无涯苦作舟页码:第4页共27页附表3:项目技术负责人简历表姓名年龄学历大专职称职务技术员拟在本合同任职项目技术负责人毕业学校年毕业于学校专业主要工作经历时间参加过的类似项目担任职务发包人及联系电话第5页共27页第4页共27页编号:时间:2021年x月x日书山有路勤为径,学海无涯苦作舟页码:第5页共27页二、项目人员的分工职责1、项目经理:主持工程施工管理全面工作,对整个项目部的施工进度、质量、安全、经济效益等负全面责任。3、项目技术负责人:主持项目施工中的全部生产、技术管理、质量控制和安全监督工作及贯彻管理工作。4、施工员:服从组织安排,在顾全项目生产大局的情况下,着重抓好分管专业的质量进度、安全生产、文明施工,并及时提供材料、机具使用计划和工程检验批的初步验收。5、协调员:负责与各施工队、业主、监理的工作联系,解决施工中遇到的各种意外情况。6、质量员:负责工程质量的工序质量检查,分项工程检验批的验收,对工程质量负直接管理责任,并负责组织开展质量管理和QC小组活动。第6页共27页第5页共27页编号:时间:2021年x月x日书山有路勤为径,学海无涯苦作舟页码:第6页共27页8、安全员:负责工程日常的安全生产管理与检查、监督工作,负责安全资料的收集、管理和对施工班组的安全技术交底,做好施工现场文明工地的规划与管理,以及日常安全隐患及事故的处理工作。9、材料员:负责编制材料供应计划、根据施工进度分批组织材料进场,负责材料的发放与管理,协助试验员做好原材料的取样、抽检工作。8、施工队:严格按照制定的施工计划进度和质量管理目标,投入足够的劳动力进行安全文明施工,确保工程按期完成。第三章施工方案一、施工准备为了本工程能够早日开工,缓解工期紧张的矛盾,在正式开工前必须做好施工准备。施工准备的内容包括施工场地的“三通一平”工作,搭建临时设施,图纸会审,材料进场等施工工作。...

1、当您付费下载文档后,您只拥有了使用权限,并不意味着购买了版权,文档只能用于自身使用,不得用于其他商业用途(如 [转卖]进行直接盈利或[编辑后售卖]进行间接盈利)。
2、本站所有内容均由合作方或网友上传,本站不对文档的完整性、权威性及其观点立场正确性做任何保证或承诺!文档内容仅供研究参考,付费前请自行鉴别。
3、如文档内容存在违规,或者侵犯商业秘密、侵犯著作权等,请点击“违规举报”。

碎片内容

电缆敷设施工组织设计

确认删除?
VIP
微信客服
  • 扫码咨询
会员Q群
  • 会员专属群点击这里加入QQ群
客服邮箱
回到顶部