电脑桌面
添加小米粒文库到电脑桌面
安装后可以在桌面快捷访问

浆砌石排洪渠单元及工序工程施工质量评定表范例docVIP免费

浆砌石排洪渠单元及工序工程施工质量评定表范例doc_第1页
1/9
浆砌石排洪渠单元及工序工程施工质量评定表范例doc_第2页
2/9
浆砌石排洪渠单元及工序工程施工质量评定表范例doc_第3页
3/9
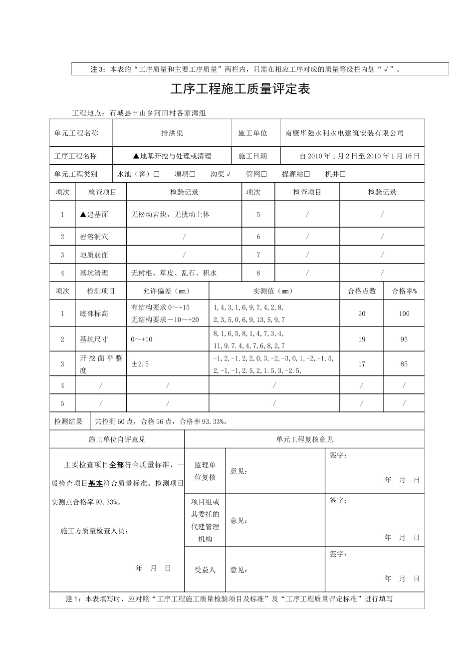
单元工程施工质量评定表工程地点:赣州市石城县丰山乡河田村各家湾组单位工程名称丰山乡河田村烟水配套工程施工单位南康华强水利水电建筑安装有限公司单元工程名称排洪渠施工日期自2009年1月2日至2010年4月23日单元工程类别水池(窖)(m3)塘坝(m3)沟渠(km)管网(km)提灌站(kw)机(水)井(m)主要工程量//0.415///序号工序名称工序质量等级主要工序质量等级合格优良合格优良1△1地基开挖与处理或清淤22砂砾垫层33渠堤衬砌44渠底混凝土浇筑55抹面66勾缝77附属设施88土方回填合计(个)62施工单位自评质量等级单元工程复核意见本单元工程共计7个工序,合格7个,合格率为100%;其中优良工序6个,工序优良率为100%;主要工序2个,主要工序优良率为100%。单元工程质量等级:优良施工方质检员:监理单位复核意见:签字:年月日项目组或其委托的代建管理机构意见:签字:年月日受益人意见:签字:年月日单元工程核定等级:优良注1:本表应对照单元工程质量评定标准进行填写;注2:本表的“主要工程量”一行,只填写本单元所属的单元工程类型一栏,其他不属于的的栏划“/”;注3:本表的“工序质量和主要工序质量”两栏内,只需在相应工序对应的质量等级栏内划“√”。工序工程施工质量评定表工程地点:石城县丰山乡河田村各家湾组单元工程名称排洪渠施工单位南康华强水利水电建筑安装有限公司工序工程名称▲地基开挖与处理或清理施工日期自2010年1月2日至2010年1月16日单元工程类别水池(窖)□塘坝□沟渠√管网□提灌站□机井□项次检查项目检验记录项次检查项目检验记录1▲建基面无松动岩块,无扰动土体5//2岩溶洞穴/6//3地质弱面/7//4基坑清理无树根、草皮、乱石、积水8//项次检测项目允许偏差(㎜)实测值(㎜)合格点数合格率%1底部标高有结构要求0~+15无结构要求-10~+201,4,3,1,6,9,7,4,2,8,2,3,5,0,6,9,13,5,9,7201002基坑尺寸0~+108,1,6,5,8,1,4,7,3,4,11,9.7.4,4,7,6,8,2,719953开挖面平整度±2.5-1,2,-1.2,2,0,3,-2,-3,0,1,-2,-1.5,2,-1,-1,2.5,2,1.5,3,-2.5,17854/////5/////检测结果共检测60点,合格56点,合格率93.33%。施工单位自评意见单元工程复核意见主要检查项目全部符合质量标准,一般检查项目基本符合质量标准。检测项目实测点合格率93.33%。施工方质量检查人员:年月日监理单位复核意见:签字:年月日项目组或其委托的代建管理机构意见:签字:年月日受益人意见:签字:年月日注1:本表填写时,应对照“工序工程施工质量检验项目及标准”及“工序工程质量评定标准”进行填写注2:填写“检查项目”一列时,应在主要检查项目前标注▲工序工程施工质量评定表工程地点:石城县丰山乡河田村各家湾组单元工程名称排洪渠施工单位南康华强水利水电建筑安装有限公司工序工程名称砂砾垫层施工日期自2010年1月17日至2010年1月22日单元工程类别水池(窖)□塘坝□沟渠√管网□提灌站□机井□项次检查项目检验记录项次检查项目检验记录1▲沟渠垫层或田间道路基层厚度达到设计要求和施工规范52▲沟渠垫层或田间道路基层宽度达到设计要求和施工规范63748项次检测项目允许偏差(㎜)实测值(㎜)合格点数合格率%1沟渠垫层厚度±20-25、+13、+15、+18,-12、-8、-15、+10、+15、-1599023456检测结果共检测9点,合格9点,合格率90%。施工单位自评意见单元工程复核意见主要检查项目全部符合质量标准,一般检查项目基本符合质量标准。检测项目实测点合格率90%。监理单位复核意见:签字:年月日项目组或其委托的代建管理机构意见:签字:年月日施工方质量检查人员:受益人意见:签字:年月日注1:本表填写时,应对照“工序工程施工质量检验项目及标准”及“工序工程质量评定标准”进行填写注2:填写“检查项目”一列时,应在主要检查项目前标注▲工序工程施工质量评定表工程地点:石城县丰山乡河田村各家湾组单元工程名称排洪渠施工单位南康华强水利水电建筑安装有限公司工序工程名称渠堤衬砌施工日期自2010年1月23日至2010年3月19日单元工程类别水池(窖)□塘坝□沟渠√管网□提灌站□机井□项次检查项目检验记录项次检查项目检验记录1▲砂浆配合比符合设计及规范要求5▲砌...

1、当您付费下载文档后,您只拥有了使用权限,并不意味着购买了版权,文档只能用于自身使用,不得用于其他商业用途(如 [转卖]进行直接盈利或[编辑后售卖]进行间接盈利)。
2、本站所有内容均由合作方或网友上传,本站不对文档的完整性、权威性及其观点立场正确性做任何保证或承诺!文档内容仅供研究参考,付费前请自行鉴别。
3、如文档内容存在违规,或者侵犯商业秘密、侵犯著作权等,请点击“违规举报”。

碎片内容

浆砌石排洪渠单元及工序工程施工质量评定表范例doc

海纳百川+ 关注
实名认证
内容提供者

热爱教学事业,对互联网知识分享很感兴趣

相关文档

确认删除?
VIP
微信客服
  • 扫码咨询
会员Q群
  • 会员专属群点击这里加入QQ群
客服邮箱
回到顶部