电脑桌面
添加小米粒文库到电脑桌面
安装后可以在桌面快捷访问

内部质量体系审核记录VIP免费

内部质量体系审核记录_第1页
1/39
内部质量体系审核记录_第2页
2/39
内部质量体系审核记录_第3页
3/39
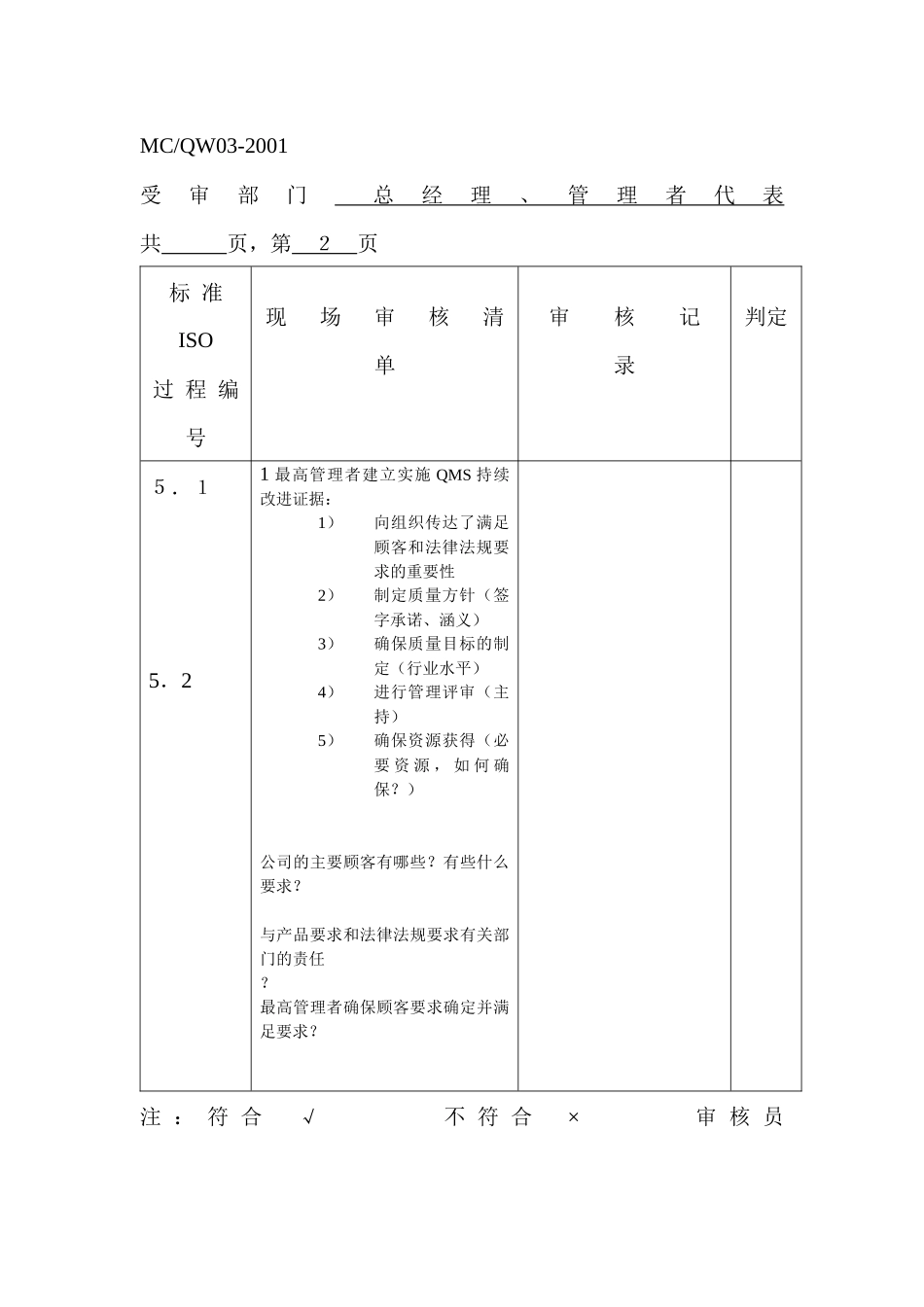
内部质量管理体系审核记录MC/QW03-2001受审部门总经理、管理者代表共页,第1页标准ISO过程编号现场审核清单审核记录判定4.11.组织是否建立了文件化的质量管理体系?1)QMS过程的识别及其在组织中的应用(1。2删减);2)过程顺序和相互作用;3)过程有效性运作和控制所需的准则和方法;4)支持过程运作和监视,必要的资源和信息;5)测量、监视和分析过程;6)措施—持续改进—过程及其策划结果。2.外包过程—控制—识别?注:符合√不符合×审核员日期内部质量管理体系审核记录MC/QW03-2001受审部门总经理、管理者代表共页,第2页标准ISO过程编号现场审核清单审核记录判定5.15.21最高管理者建立实施QMS持续改进证据:1)向组织传达了满足顾客和法律法规要求的重要性2)制定质量方针(签字承诺、涵义)3)确保质量目标的制定(行业水平)4)进行管理评审(主持)5)确保资源获得(必要资源,如何确保?)公司的主要顾客有哪些?有些什么要求?与产品要求和法律法规要求有关部门的责任?最高管理者确保顾客要求确定并满足要求?注:符合√不符合×审核员日期内部质量管理体系审核记录MC/QW03-2001受审部门总经理、管理者代表共页,第3页标准ISO过程编号现场审核清单审核记录判定5.35.4.15.4.2质量方针是否与公司的宗旨相适应?质量方针是否包括猤满足要求和持续改进QMS有效性的承诺?方针为制定和评审质量目标提供框架?质量方针是否已传达到各级人员?最高管理者是否评审质量方针的持续适宜性?质量目标是否与质量方针保持一致?在各相关职能和层次上建立质量目标?质量目标包括满足产品要求所需的内容?质量目标是否可测量?最高管理者如何确保对QMS进行策划,以满足质量目标及条款4。1的要求?最高管理者如何确保在对QMS的更改进行策划和实施时,保持QMS的完整性?质量策划是否形成文件?保存在何处注:符合√不符合×审核员日期内部质量管理体系审核记录MC/QW03-2001受审部门总经理、管理者代表共页,第4页标准ISO过程编号现场审核清单审核记录判定5.5.15.5.25.5.2查职责分配书或岗位责任制:部门和人员的职责和权限明确规定?职能部门之间相互关系是否明确规定?管代是否由最高管理者指定?查任命书?管代职责和权限是否明确包括以下内容:建立、实施和保持QMS所需的过程;向最高管理者报告业绩和改进需求;提高组织对顾客要求的意识。向管理者代表提问,看其是否了解并履行其职责和权限?是否明确规定组织内部沟通渠道和方式?各部门人员是否了解沟通渠道和方式?能否保证各部门和层次之间的信息交流?注:符合√不符合×审核员日期内部质量管理体系审核记录MC/QW03-2001受审部门总经理、管理者代表共页,第5页标准ISO过程编号现场审核清单审核记录判定5.5.35.6.15.6.2管理评审是否由最高管理者主持?管理评审是否按计划的时间间隔进行?QMS适宜性、充分性和有效性进行评审?管理评审是否包括评价QMS改进机会和变更需要,以及质量方针和质量目标?管理评审记录保存在何处?管理评审输入是否包括以下信息:A.审核结果—内审(QMS、EMS)、外审、产品等;B.顾客反馈—抱怨、建议等;C.过程业绩和产品符合性;D.预防和纠正措施;E.以往管理评审的跟踪措施;F.可能影响QMS策划的变更;G.改进建议。注:符合√不符合×审核员日期内部质量管理体系审核记录MC/QW03-2001受审部门总经理、管理者代表共页,第6页标准ISO过程编号现场审核清单审核记录判定5.6.36.18.1管理评审输出是否包括与以下有关的决定和措施:A.QMS及其过程有效性的改进;B.与顾客要求有关的产品改进;资源需求。是否已确定了资源的需要?在实施、保持QMS并持续改进其有效性,使顾客满足中,是否提供了所需的资源?监视、测量、分析和改进过程?策划结果是否形成文件?实施否?(产品符合性/QMS符合性/持续改进QMS的有效性)2.是否已明确规定适当的方法?是否已确定统计技术的采用?统计技术和方法的应用是否适当?注:符合√不符合×审核员日期内部质量管理体系审核记录MC/QW03-2001受审部门供销部共页,第7页标准ISO过程编号现场审核清单审核记录判定7.2.17.2.21是否已...

1、当您付费下载文档后,您只拥有了使用权限,并不意味着购买了版权,文档只能用于自身使用,不得用于其他商业用途(如 [转卖]进行直接盈利或[编辑后售卖]进行间接盈利)。
2、本站所有内容均由合作方或网友上传,本站不对文档的完整性、权威性及其观点立场正确性做任何保证或承诺!文档内容仅供研究参考,付费前请自行鉴别。
3、如文档内容存在违规,或者侵犯商业秘密、侵犯著作权等,请点击“违规举报”。

碎片内容

内部质量体系审核记录

确认删除?
VIP
微信客服
  • 扫码咨询
会员Q群
  • 会员专属群点击这里加入QQ群
客服邮箱
回到顶部