电脑桌面
添加小米粒文库到电脑桌面
安装后可以在桌面快捷访问

景观水系河道项目物业管理方案VIP专享VIP免费

景观水系河道项目物业管理方案_第1页
1/109
景观水系河道项目物业管理方案_第2页
2/109
景观水系河道项目物业管理方案_第3页
3/109
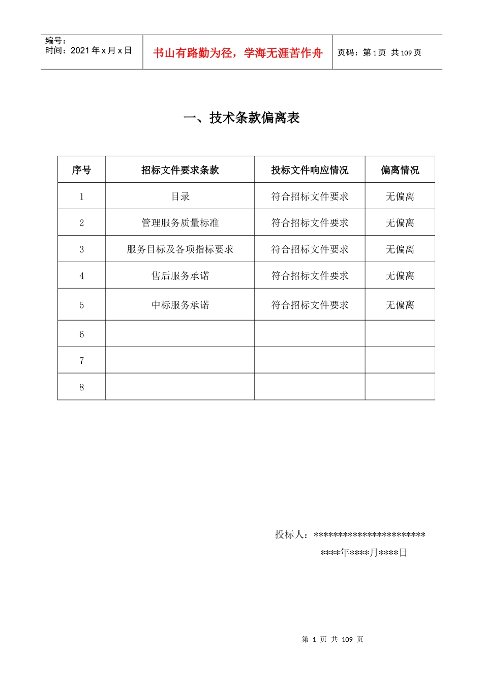
景观水系河道项目物业管理方案目录一、技术条款偏离表........................................................1二、技术服务方案..........................................................2第一章物业管理服务理念及目标.............................................2第一节项目概况........................................................2第二节物业服务定位....................................................2第三节管理服务理念....................................................2第四节管理服务运作构思................................................3第五节物业服务具体要求及目标..........................................4第六节承诺履约措施,以确保物业管理服务水平...........................10第二章项目管理机构及管理制度............................................11第一节项目管理机构设置及机构运行图...................................11第二节机构职能及管理职责.............................................16第三节日常管理制度和考核办法目录.....................................22第三章物业服务人员配置、员工培训实施方案................................27第一节物业服务人员配置及岗位要求.....................................27第二节培训措施.......................................................28第四章物业服务具体方案..................................................33第一节建筑本体及配套设施的养护和管理.................................33第二节物业设备的运行、养护和管理.....................................36(一)供配电系统..................................................37(二)公共照明系统................................................41(三)治安、消防系统..............................................43(四)给排水(污)系统............................................44(五)弱电系统....................................................46(六)其他设施设备的维护..........................................50第三节水系的维护与管理...............................................50一、景观水系的维护与管理..........................................50二、音乐喷泉的维护与管理..........................................51第四节清洁及绿化服务管理.............................................53一、清洁服务管理..................................................53二、绿化维护管理..................................................60第五节道路交通及车辆停放秩序管理.....................................65第六节安保管理.......................................................68第七节各类突发事件的应急处理.........................................74一、本物业范围共用部位突然断水、断电的应急措施....................74二、共用部位雨、污水管及排水管网阻塞的应急措施....................75三、突发治安事件的应急措施........................................76四、消防应急措施..................................................79五、突发公共卫生事件应急预案......................................81六、自然灾害中的应急预案..........................................83七、群体性事件应急预案............................................90第八节档案管理.......................................................92第1页共109页编号:时间:2021年x月x日书山有路勤为径,学海无涯苦作舟页码:第1页共109页一、技术条款偏离表序号招标文件要求条款投标文件响应情况偏离情况1目录符合招标文件要求无偏离2管理服务质量标准符合招标文件要求无偏离3服务目标及各项指标要求符合招标文件要求无偏离4售后服务承诺符合招标文件要求无偏离5中标服务承诺符合招标文件要求无偏离678投标人:*********...

1、当您付费下载文档后,您只拥有了使用权限,并不意味着购买了版权,文档只能用于自身使用,不得用于其他商业用途(如 [转卖]进行直接盈利或[编辑后售卖]进行间接盈利)。
2、本站所有内容均由合作方或网友上传,本站不对文档的完整性、权威性及其观点立场正确性做任何保证或承诺!文档内容仅供研究参考,付费前请自行鉴别。
3、如文档内容存在违规,或者侵犯商业秘密、侵犯著作权等,请点击“违规举报”。

碎片内容

景观水系河道项目物业管理方案

确认删除?
VIP
微信客服
  • 扫码咨询
会员Q群
  • 会员专属群点击这里加入QQ群
客服邮箱
回到顶部