电脑桌面
添加小米粒文库到电脑桌面
安装后可以在桌面快捷访问

浙江省大中型餐饮业VIP免费

浙江省大中型餐饮业_第1页
1/3
浙江省大中型餐饮业_第2页
2/3
浙江省大中型餐饮业_第3页
3/3
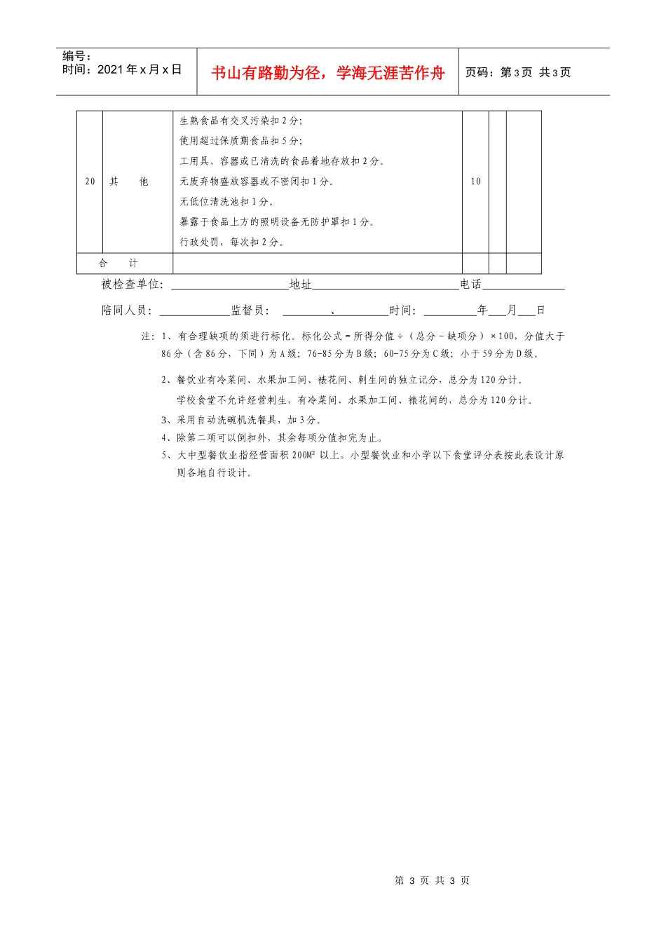
第1页共3页编号:时间:2021年x月x日书山有路勤为径,学海无涯苦作舟页码:第1页共3页浙江省大中型餐饮业、学校食堂卫生监督量化评分表序号检查项目检查内容与扣分标准分值得分备注1卫生许可卫生许可证超过有效期限或擅自扩大许可范围的,不予评级。2布局流程改变原工艺布局的,每处扣3分;功能间改作他用的,每处扣2分;功能间标志不明显扣1分。53地面食品处理区地面破损、积水、不整洁、有鼠迹每一间/场所扣2分。排水沟不畅通不清洁或无隔栅板的,每一场所扣2分。54墙面顶面食品处理区墙面、顶面破损、有蜘蛛网、霉斑、油滴或流油痕迹的,每一间/场所扣1分。55设备及、工用具设备及工用具不符合卫生要求或不清洁卫生扣2分。工用具容器不按原料、半成品、成品分开使用或标志不明显扣2分。冷藏/冻设施不能满足需要或不能正常运转扣2分。冷藏/冻设施内外不整洁、结霜超过1cm扣2分。冷藏/冻设施生熟食品存放区域标志不明显扣1分。无留样设备或不使用或不能使用扣3分(适用于100餐位以上的大中型餐饮业和食堂)。供应食用冰的无净水设备或制冰设备或不能使用扣2分。86粗加工间无水产品、肉类、蔬菜专用清洗池或混用或标志不明显扣3分37切配间/区无刀、墩板、食品搁架或清洗水池扣2分28餐用具清洗消毒间餐具不消毒或消毒设备不能使用扣8分;保洁设备不使用或不足或不洁扣2分;无专用清洗水池扣2分。69点心制作间无工用具清洗水池或搁架的扣2分210烹调间、蒸煮间排气、排烟设备不能使用扣2分4第2页共3页第1页共3页编号:时间:2021年x月x日书山有路勤为径,学海无涯苦作舟页码:第2页共3页11冷菜制作间(包括冷菜间、裱花间、刺生间)水果加工间/区通过式缓冲间不使用或内设洗手消毒更衣设备不全扣3分。制作间内无工用具清洗设备或空气消毒设备或独立空调机、不能使用扣2分;设制明沟或使用不带水封地漏扣1分;冰箱不能使用或内外不整洁、结霜超过1cm扣2分;无净水设备或不能使用扣1分。不使用开合式传送窗扣1分。未经清洗的水果、蔬菜、及食品外包装物进入扣2分。不设水果加工间而水果加工不在冷菜间的扣5分4012烧烤间成品加工不在独立间操作扣3分;独立间内无工用具清洗设备或空气消毒设备、不能使用扣2分;通过式缓冲间不使用或内设洗手消毒更衣设备不全扣2分。513备餐、饭菜出售间(仅适用于学校食堂)入口处无洗手、消毒、更衣设备扣5分;餐具保洁设备不足或不洁扣2分。设独立间的,内无空气消毒设备和独立空调或不能使用扣3分。不设独立间的,无送排风设备或不能使用扣2分;室温在25℃以上扣2分;窗能自由开启或与外界相通的门不使用风帘扣2分。1014原料采购及卫生采购肉制品、豆制品、食用油、调味品(酒、酱油、味精)等主要食品有一种未索取生产企业卫生许可证扣1分;食品原料进货无验收记录或记录不完整扣1分。利用腐败变质的食品原料加工食品或出售变质食品扣5分815食品库房食品库房内(小学、幼儿园食堂可为区域)脏乱、通风不良或食品未离地离墙存放或与非食品混放扣2分。食品库房内存放洗洁精、洗衣粉等有毒有害物品扣1分。316更衣设施更衣间设施不能满足需要扣2分。217三防设施防蝇、防鼠、防尘设施不全或不能正常使用,每一处扣1分。318个人卫生与健康要求抽查五名以上从业人员健康合格证明或卫生知识培训合格证明或个人卫生(工作服、手指甲和手饰)或本职岗位主要卫生知识掌握情况,一人不全部符合扣1分。419卫生管理与制度检查任命文件或其它有关证明材料,无卫生管理组织扣2分;学校食堂卫生不实行校长负责制扣5分;无专、兼职卫生管理人员扣2分。抽查两项卫生管理制度落实情况,查记录,每一项不符合扣2分。卫生制度不上墙扣2分。5第3页共3页第2页共3页编号:时间:2021年x月x日书山有路勤为径,学海无涯苦作舟页码:第3页共3页20其他生熟食品有交叉污染扣2分;使用超过保质期食品扣5分;工用具、容器或已清洗的食品着地存放扣2分。无废弃物盛放容器或不密闭扣1分。无低位清洗池扣1分。暴露于食品上方的照明设备无防护罩扣1分。行政处罚,每次扣2分。10合计被检查单位:地址电话陪同人员:监督员:、时间:年月日注:1、有合理缺项的须进行标化。标化公式=所得分...

1、当您付费下载文档后,您只拥有了使用权限,并不意味着购买了版权,文档只能用于自身使用,不得用于其他商业用途(如 [转卖]进行直接盈利或[编辑后售卖]进行间接盈利)。
2、本站所有内容均由合作方或网友上传,本站不对文档的完整性、权威性及其观点立场正确性做任何保证或承诺!文档内容仅供研究参考,付费前请自行鉴别。
3、如文档内容存在违规,或者侵犯商业秘密、侵犯著作权等,请点击“违规举报”。

碎片内容

浙江省大中型餐饮业

中小学文库+ 关注
实名认证
内容提供者

精品资料应用尽有

确认删除?
VIP
微信客服
  • 扫码咨询
会员Q群
  • 会员专属群点击这里加入QQ群
客服邮箱
回到顶部