电脑桌面
添加小米粒文库到电脑桌面
安装后可以在桌面快捷访问

某石化仓储项目电气施工方案培训资料VIP免费

某石化仓储项目电气施工方案培训资料_第1页
1/32
某石化仓储项目电气施工方案培训资料_第2页
2/32
某石化仓储项目电气施工方案培训资料_第3页
3/32
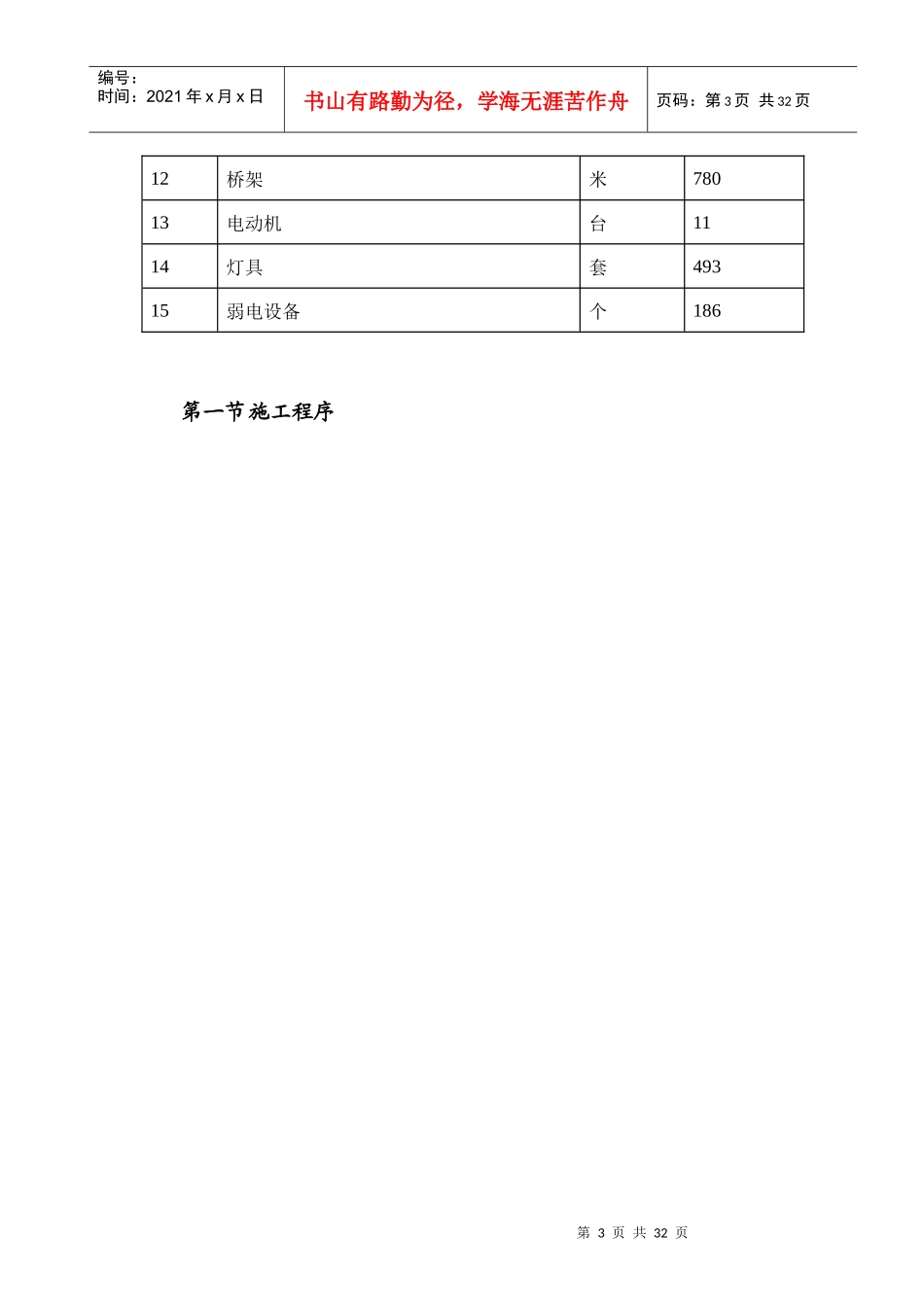
第1页共32页编号:时间:2021年x月x日书山有路勤为径,学海无涯苦作舟页码:第1页共32页1某石化仓储项目电气施工方案第一节编制依据1.1编制说明本施工方案是在招标文件相关设计资料不全的情况下,依据我公司承建的同类工程施工经验和电气安装施工经验编制。2.1编制依据**⑴石化仓储项目招标文件。⑵《电气装置安装工程高压电气施工及验收规范》GBJ147-90⑶《电气装置安装工程电力变压器、油浸电抗器、互感器施工及验收规范》GBJ148-90⑷《电气装置安装工程母线装置施工及验收规范》GBJ149-90⑸《电气装置安装工程电缆线路施工及验收规范》GBJ50168-92⑹《电气装置安装工程旋转电机施工及验收规范》GBJ50170-92⑺《电气装置安装工程盘柜及二次回路结线施工及验收规范》GBJ50171-92⑻《电气装置安装工程低压电器施工及验收规范》GBJ50254-96⑼《电气装置安装工程爆炸和火灾危险环境电气装置施工及验收规范》GB50257-96⑽《电气装置安装工程1KV及以下配线工程施工及验收规范》GB50258-96⑾《电气装置安装工程电气照明装置施工及验收规范》GB50259-96⑿《电气装置安装工程接地装置施工及验收规范》GBJ50169-92⒀《火灾自动报警系统施工及验收规范》GB50166-92⒁《电气装置安装工程电气设备交接试验标准》GB50150-91第2页共32页第1页共32页编号:时间:2021年x月x日书山有路勤为径,学海无涯苦作舟页码:第2页共32页⒂《工业安装工程质量检验评定统一标准》GB50252-94⒃《建筑安装工程质量检验评定统一标准》GBJ303-88⒄《施工现场临时用电安全技术规范》JGJ46-88⒅《化学工业工程建设交工技术文件规定》HG20237-94第一节工程概况***石化仓储项目共分两个标段:办公楼、实验室、变配电室为一标段,厂区内除办公楼、实验室、变配电室以外为一标段。电气安装工程主要内容是:电力变压器、柴油发电机组、高压低压开关柜、自动无功补偿装置、直流操作电流屏、不间断电流装置、照明配电箱、电缆桥架、电缆、电缆保护管、灯具、电机、操作柱、电线、开关插座、防雷接地系统及火灾报警装置安装。主要工程量序号工程量名称单位数量1变压器台22高压柜低压柜台193柴油发电机组成台14照明箱插座箱配线箱分线箱台115计算机网络柜台16弱电控制盘台47门禁系统套18电缆米182259电线米2917010接地圆钢φ10米11011钢管米14802第3页共32页第2页共32页编号:时间:2021年x月x日书山有路勤为径,学海无涯苦作舟页码:第3页共32页12桥架米78013电动机台1114灯具套49315弱电设备个186第一节施工程序第4页共32页第3页共32页编号:时间:2021年x月x日书山有路勤为径,学海无涯苦作舟页码:第4页共32页第5页共32页第4页共32页编号:时间:2021年x月x日书山有路勤为径,学海无涯苦作舟页码:第5页共32页第一节设备材料的标识、检验1.1设备、材料标识一览表序号设备、材料名称入库标识过程标识最终标识1电力变压器铭牌安装位号铭牌2配电盘柜铭牌安装编号设备位号3桥架挂牌铭牌铭牌4对讲装置挂牌铭牌铭牌5喇叭挂牌铭牌铭牌6通讯设备挂牌铭牌铭牌7伴热线挂牌铭牌铭牌8钢管分类挂牌铭牌铭牌9电缆分类挂牌临时贴纸永久挂牌10导线分类挂牌11型钢分类挂牌12接线盒分类挂牌13开关、插座分类挂牌14按钮分类挂牌设备位号设备位号15灯具分类挂牌铭牌铭牌16弱电控制盘分类挂牌安装编号铭牌17程控交换机分类挂牌安装编号铭牌18探头分类挂牌位号铭牌2.1电气设备、材料管理第6页共32页第5页共32页编号:时间:2021年x月x日书山有路勤为径,学海无涯苦作舟页码:第6页共32页4.2.1采购。(1)乙供材料的采购必须依据技术人员的乙供材料清单。清单需注明材料的详细名称、规格、数量、业主要求、质量标准。(2)材料的供应商须经评审合格。(3)采购的材料符合清单上的技术、质量要求,并附质量保证书、合格证。(4)采购的材料外包装良好,运输过程中不得有雨水浸湿。4.2.2入库保管。(1)业主有要求的须经业主检查验收后入库保管。(2)电气库房必须干燥、洁净,不得有渗、漏水现象。(3)存放架牢固可靠,电气材料应悬高摆放,防止潮气浸入,影响绝缘强度。(4)设备材料入库前应进行认真检查、检验(由材料部门发出通知,质检、技术部门负责检验,确...

1、当您付费下载文档后,您只拥有了使用权限,并不意味着购买了版权,文档只能用于自身使用,不得用于其他商业用途(如 [转卖]进行直接盈利或[编辑后售卖]进行间接盈利)。
2、本站所有内容均由合作方或网友上传,本站不对文档的完整性、权威性及其观点立场正确性做任何保证或承诺!文档内容仅供研究参考,付费前请自行鉴别。
3、如文档内容存在违规,或者侵犯商业秘密、侵犯著作权等,请点击“违规举报”。

碎片内容

某石化仓储项目电气施工方案培训资料

您可能关注的文档

确认删除?
VIP
微信客服
  • 扫码咨询
会员Q群
  • 会员专属群点击这里加入QQ群
客服邮箱
回到顶部