电脑桌面
添加小米粒文库到电脑桌面
安装后可以在桌面快捷访问

某小区室外二级热网改造工程施工组织设计(DOC34页)VIP免费

某小区室外二级热网改造工程施工组织设计(DOC34页)_第1页
1/19
某小区室外二级热网改造工程施工组织设计(DOC34页)_第2页
2/19
某小区室外二级热网改造工程施工组织设计(DOC34页)_第3页
3/19
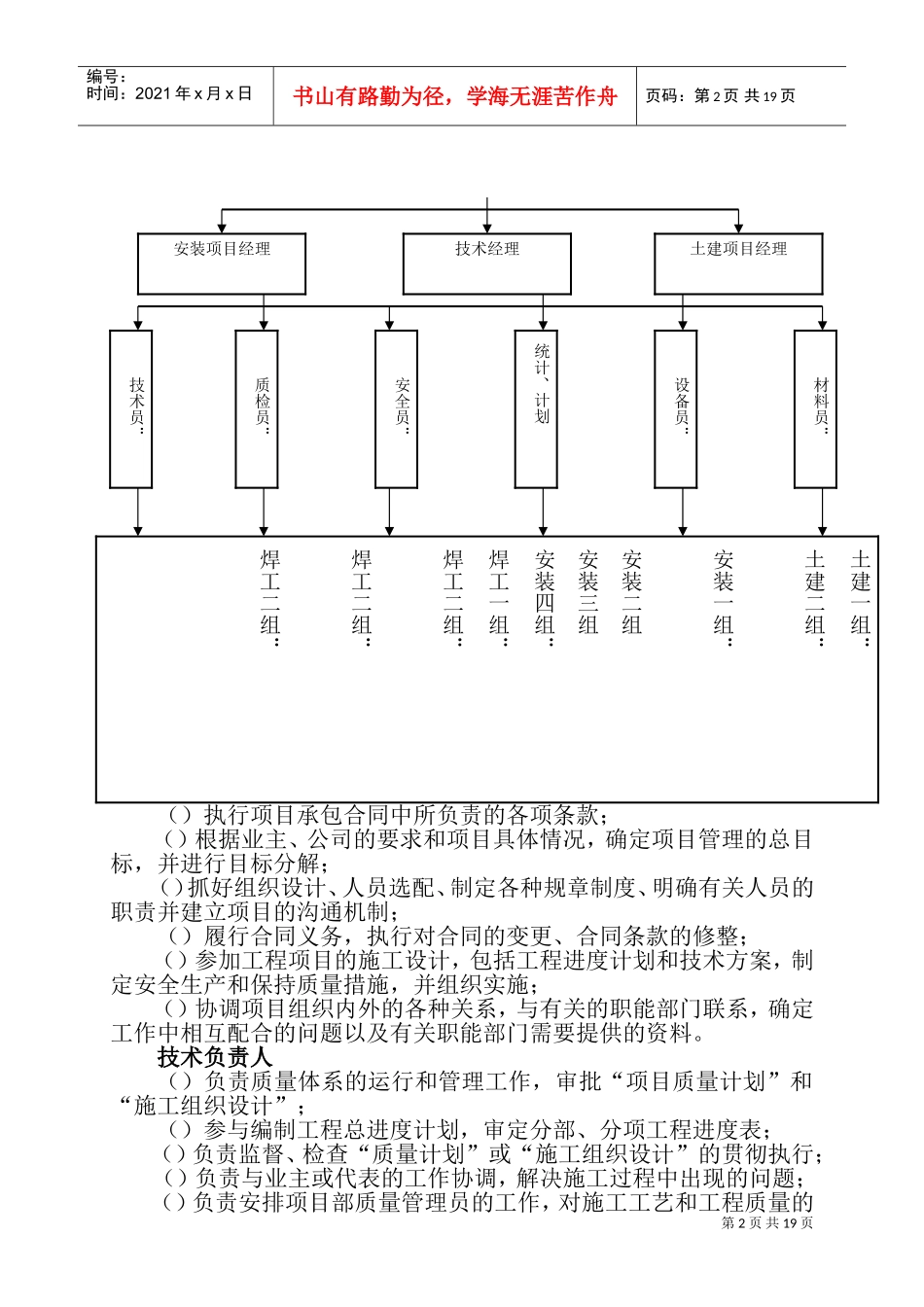
第0页共19页编号:时间:2021年x月x日书山有路勤为径,学海无涯苦作舟页码:第0页共19页施工组织设施目录、编制依据及说明、工程概况、施工组织管理、施工准备及管材、管件检验工作、主要工程项目施工技术方案、计划投入的主要施工机械设备表、施工计划安排(附:工程施工工程进度表)、工期保证措施、质量保证措施、消除质量通病保证措施、安全保证措施、文明施工保证措施、雨季施工技术措施、编制依据及说明编制依据()枣庄市新城黄河西路道路热力安装工程设计图纸;()《城镇直埋供热管道工程技术规程》()()《城市供热管网工程施工及验收规范》()()《城镇供热直埋蒸汽技术规程》()《城镇供热系统安全运行技术规程》()《工业金属管道工程施工及验收规范》()《工程建设标准强制性条文》()《现场设施、工业管道焊接施工及验收规范》()公司编制的压力管道安装工程《质量保证手册》、《程序文件》、《作业指导书》等有关文件资料。第1页共19页编号:时间:2021年x月x日书山有路勤为径,学海无涯苦作舟页码:第1页共19页说明本施工组织设计根据枣庄市新城黄河西路道路热力安装工程设计图纸,根据该工程特点,在施工过程中遇到的特殊环节,制定切实可行的作业指导文件,以确保施工质量和按期交工。、工程概况工程概况枣庄市新城黄河西路道路热力安装工程,管道总长度约米,北起德仁路,南至祁连山路。()划分范围:①立新小区南区供热面积万平方米(栋)楼;②立新小区北区供热面积万平方米(栋)楼;③主干线:南区、换热站至楼及科技楼;北区、换热站至、楼;管材为钢无缝钢管、聚氨脂发泡保温层、聚氯乙烯管保护层预制直埋管道、管道直径为;支干线:管材为钢无缝钢管、聚氨脂发泡保温层、聚氯乙烯管保护层预制直埋管道及聚氨脂发泡保温层、玻璃钢外护保护层预制架空管道、管道直径为;焊接材料为()焊条。施工应具备的条件()施工图纸、安装规范、标准等资料齐全。()到货的管材满足施工要求,施工所需机具、工具、仪器及消耗材料等配备齐全。、施工组织管理组织管理机构根据工程结构特点和复杂程度,遵循合理分工与密切协作以及因事设职选人的原则,公司专门成立《枣庄市中区热力管网改造工程施工工程项目经理部》,该项目部下设各施工职能部门及施工专业班组。管理部门包括计划、技术、物资供应、质量安全、生活保障等。组织管理机构如图所示。↓项目负责人项目经理第2页共19页编号:时间:2021年x月x日书山有路勤为径,学海无涯苦作舟页码:第2页共19页施工现场主要管理职责及分工项目部各级管理人员职责及分工如下:项目经理(项目副经理)()贯彻执行国家的有关方针、法律、法规和政策,执行企业的各项管理制度;()执行项目承包合同中所负责的各项条款;()根据业主、公司的要求和项目具体情况,确定项目管理的总目标,并进行目标分解;()抓好组织设计、人员选配、制定各种规章制度、明确有关人员的职责并建立项目的沟通机制;()履行合同义务,执行对合同的变更、合同条款的修整;()参加工程项目的施工设计,包括工程进度计划和技术方案,制定安全生产和保持质量措施,并组织实施;()协调项目组织内外的各种关系,与有关的职能部门联系,确定工作中相互配合的问题以及有关职能部门需要提供的资料。技术负责人()负责质量体系的运行和管理工作,审批“项目质量计划”和“施工组织设计”;()参与编制工程总进度计划,审定分部、分项工程进度表;()负责监督、检查“质量计划”或“施工组织设计”的贯彻执行;()负责与业主或代表的工作协调,解决施工过程中出现的问题;()负责安排项目部质量管理员的工作,对施工工艺和工程质量的安装项目经理技术经理土建项目经理技术员:质检员:安全员:统计、计划设备员:材料员:土建一组:土建二组:安装一组:安装二组安装三组安装四组:焊工一组:焊工二组:焊工二组:焊工二组:第3页共19页编号:时间:2021年x月x日书山有路勤为径,学海无涯苦作舟页码:第3页共19页监督和检查;()负责组织重要材料品质检验和试验工作;()主持有关工程技术质量问题的会议;()负责对出现较严重不合格品...

1、当您付费下载文档后,您只拥有了使用权限,并不意味着购买了版权,文档只能用于自身使用,不得用于其他商业用途(如 [转卖]进行直接盈利或[编辑后售卖]进行间接盈利)。
2、本站所有内容均由合作方或网友上传,本站不对文档的完整性、权威性及其观点立场正确性做任何保证或承诺!文档内容仅供研究参考,付费前请自行鉴别。
3、如文档内容存在违规,或者侵犯商业秘密、侵犯著作权等,请点击“违规举报”。

碎片内容

某小区室外二级热网改造工程施工组织设计(DOC34页)

您可能关注的文档

确认删除?
VIP
微信客服
  • 扫码咨询
会员Q群
  • 会员专属群点击这里加入QQ群
客服邮箱
回到顶部