电脑桌面
添加小米粒文库到电脑桌面
安装后可以在桌面快捷访问

牵引变电所高压电气设备试验工艺(1-76)VIP免费

牵引变电所高压电气设备试验工艺(1-76)_第1页
1/82
牵引变电所高压电气设备试验工艺(1-76)_第2页
2/82
牵引变电所高压电气设备试验工艺(1-76)_第3页
3/82
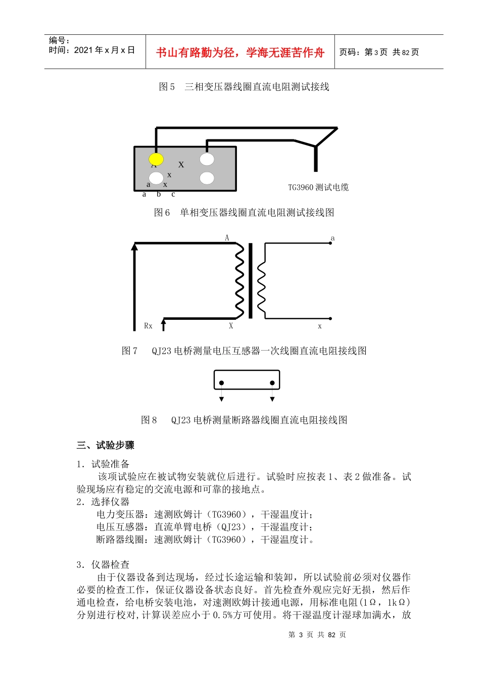
第1页共82页试验准备选择仪器仪器检查接线测试记录测试完毕填写报告编号:时间:2021年x月x日书山有路勤为径,学海无涯苦作舟页码:第1页共82页测量线圈直流电阻试验工艺本项工艺内容有:电力变压器绕组连同套管的直流电阻测试、电抗器绕组连同套管的直流电阻测试、电压互感器一次绕组直流电阻测试、断路器线圈直流电阻测试。一、试验准备1.人员组织表1序号项目单位数量备注1工作负责人人1全面负责2试验员人2操作、记录2.仪器、仪表及材料配置表2序号名称型号技术规格单位数量备注1干湿温度计个12直流单臂电桥QJ2310-9999Ω,0.2级台13直流双臂电桥QJ440.001-11Ω,0.2级台14感性负载速测欧姆计TG39600-2kΩ,台15标准电阻1Ω,1kΩ,0.5级只各16试验连线条57计算器台18产品出厂试验报告份19原始记录本本1二、操作程序1.试验流程图第2页共82页第1页共82页编号:时间:2021年x月x日书山有路勤为径,学海无涯苦作舟页码:第2页共82页2.试验接线图RxRx图1单臂电桥(QJ23)试验接线图图2双臂电桥(QJ44)试验接线图图3感性负载速测欧姆计(TG3960)试验接线图(正面)图4感性负载速测欧姆计(TG3960)试验接线图(背面)TG3960测试电缆显示屏ABCOabc第3页共82页第2页共82页AXaxaxabc编号:时间:2021年x月x日书山有路勤为径,学海无涯苦作舟页码:第3页共82页图5三相变压器线圈直流电阻测试接线TG3960测试电缆图6单相变压器线圈直流电阻测试接线图AaRxXx图7QJ23电桥测量电压互感器一次线圈直流电阻接线图图8QJ23电桥测量断路器线圈直流电阻接线图三、试验步骤1.试验准备该项试验应在被试物安装就位后进行。试验时应按表1、表2做准备。试验现场应有稳定的交流电源和可靠的接地点。2.选择仪器电力变压器:速测欧姆计(TG3960),干湿温度计;电压互感器:直流单臂电桥(QJ23),干湿温度计;断路器线圈:速测欧姆计(TG3960),干湿温度计。3.仪器检查由于仪器设备到达现场,经过长途运输和装卸,所以试验前必须对仪器作必要的检查工作,保证仪器设备状态良好。首先检查外观应完好无损,然后作通电检查,给电桥安装电池,对速测欧姆计接通电源,用标准电阻(1Ω,1kΩ)分别进行校对,计算误差应小于0.5%方可使用。将干湿温度计湿球加满水,放第4页共82页第3页共82页编号:时间:2021年x月x日书山有路勤为径,学海无涯苦作舟页码:第4页共82页置于通风,阳光不能直射的地方。4.接线接线前应拆除被试设备的外部连线,拆前应做好标记,防止错误恢复。测量三相电力变压器、电抗器线圈直流电阻按图5接线;测量单相电力变压器线圈直流电阻按图6接线;测量电压互感器一次线圈直流电阻按图7接线;测量断路器线圈直流电阻按图8接线;接线后应由工作负责人确认。5.测试由一名试验员操作仪器,另一名负责记录。对于多档位变压器,应最后测量运行位。(1)单、双臂电桥操作方法①首先将检流计指针机械调整到零位。②将“电源选择”开关置于相应位置,将检流计指针调到“0”位(电位调整零位)。③估计被测电阻值大小,选择适当倍率位置,先按“B”钮,再接“G”钮测量,此时若检流计指针偏转幅度很大,应调整检测值,反复开、断“G”钮测量直至电桥平衡检流计指向零位。④在测试过程中,双臂电桥的灵敏度旋钮应逐步调到最大位置,双臂电桥细调依靠滑线盘进行调整。⑤当检流计调整到零位则被测电阻值应为:单臂电桥Rx=倍率×读数盘之和双臂电桥Rx=倍率×(步进读数+滑线盘读数)⑥测量完毕时,应先断开“G”钮,后断开“B“钮。(2)感性负载速测欧姆计操作方法①测量电阻时,按图4接好电源线和仪器测量线,消弧键应处于按下状态。②接通电源,抬起消弧键,仪器自动选流并显示在显示屏上,然后仪器按充电、核零、自动换档、显示测量值一次完成。③测量完毕后按下消弧键,对于感性负载将显示“L”,消失后即可进行下次测量或关机。6.记录测试时应作详细记录。记录内容包括:试验地点、温度、湿度、仪器型号编号、被试设备铭牌、测试数据。记录使用墨水笔,字迹要清晰。记录本采用专门的原始记录本。记录测试数据时应复述,操作人确认后方可记录。对大型变压器应取油温读取变压器温度计指示温度。7.测试...

1、当您付费下载文档后,您只拥有了使用权限,并不意味着购买了版权,文档只能用于自身使用,不得用于其他商业用途(如 [转卖]进行直接盈利或[编辑后售卖]进行间接盈利)。
2、本站所有内容均由合作方或网友上传,本站不对文档的完整性、权威性及其观点立场正确性做任何保证或承诺!文档内容仅供研究参考,付费前请自行鉴别。
3、如文档内容存在违规,或者侵犯商业秘密、侵犯著作权等,请点击“违规举报”。

碎片内容

牵引变电所高压电气设备试验工艺(1-76)

您可能关注的文档

确认删除?
VIP
微信客服
  • 扫码咨询
会员Q群
  • 会员专属群点击这里加入QQ群
客服邮箱
回到顶部