电脑桌面
添加小米粒文库到电脑桌面
安装后可以在桌面快捷访问

某景观绿化工程施工组织设计方案(DOC35页)VIP免费

某景观绿化工程施工组织设计方案(DOC35页)_第1页
1/37
某景观绿化工程施工组织设计方案(DOC35页)_第2页
2/37
某景观绿化工程施工组织设计方案(DOC35页)_第3页
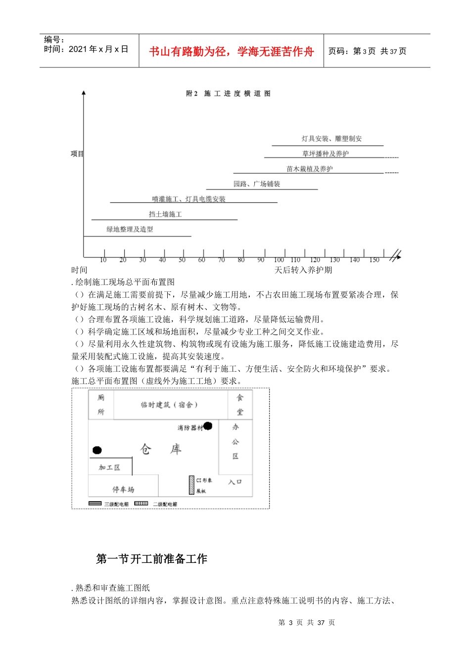
3/37
第1页共37页编号:时间:2021年x月x日书山有路勤为径,学海无涯苦作舟页码:第1页共37页目录第一章总论.....................................................................第节工程名称...............................................................第节编制依据...............................................................第节施工部署...............................................................第节开工前准备工作.........................................................第二章招标文件要求的主要项目内容...............................................第节绿地的施工方案.........................................................第节草坪养护部分...........................................................第节绿地的植物病虫害防治...................................................第节喷灌系统施工及安装.....................................................第节基础施工方案...........................................................第节项目...................................................................第节施工机械的设备和施工人员配备...........................................第节质量目标及保证措施.....................................................第节扬尘治理措施...........................................................第节工期保证措施...........................................................第节安全生产、文明施工措施.................................................第2页共37页第1页共37页编号:时间:2021年x月x日书山有路勤为径,学海无涯苦作舟页码:第2页共37页总论第一节工程名称汊河整治一期工程景观绿化标段第一节编制依据.汊河整治一期工程景观绿化招标文件(冀安招)及补遗书;.汊河整治一期工程景观绿化标段设计施工图纸;.我单位:质量管理体系《质量手册》及各作业文件;.国家有关法律、法规、标准。第一节施工部署.建立项目管理组织根据招标方要求,我单位组建了强有力的项目班子,负责施工现场的施工、管理工作。明确了项目管理组织的目标、组织内容和组织结构模式,建立了统一的工程指挥系统。组建了专业工作组,合理划分每个工作组的施工区域,明确主导施工项目和穿插施工项目及其建设期限。项目经理具有园林二级项目经理资质,中级职称;项目技术负责人为高级工程师,有从事年的园林工程技术负责经验。(详见《商务标书》).认真做好施工部署优先安排好直接影响项目施工效果的施工设施,如现场供水、供施。.制定主要项目施工方案(详见第二篇相关章节)。.制定施工进度计划根据施工部署要求,从工期和费用科学合理接,编制出可行的施工进度计划。从组织保证措施、技术保证措施、经济保证措施和合同保证措施四方面着手,制订出施工进度保证措施。附:.施工网络计划图.施工进度横道图附:附:.施工网络计划图第3页共37页第2页共37页编号:时间:2021年x月x日书山有路勤为径,学海无涯苦作舟页码:第3页共37页时间天后转入养护期.绘制施工现场总平面布置图()在满足施工需要前提下,尽量减少施工用地,不占农田施工现场布置要紧凑合理,保护好施工现场的古树名木、原有树木、文物等。()合理布置各项施工设施,科学规划施工道路,尽量降低运输费用。()科学确定施工区域和场地面积,尽量减少专业工种之间交叉作业。()尽量利用永久性建筑物、构筑物或现有设施为施工服务,降低施工设施建造费用,尽量采用装配式施工设施,提高其安装速度。()各项施工设施布置都要满足“有利于施工、方便生活、安全防火和环境保护”要求。施工总平面布置图(虚线外为施工工地)要求。第一节开工前准备工作.熟悉和审查施工图纸熟悉设计图纸的详细内容,掌握设计意图。重点注意特殊施工说明书的内容、施工方法、第4页共37页第3页共37页编号:时间:2021年x月x日书山有路勤为径,学海无涯苦作舟页码:第4页共37页工期以及所确认的施工界限等。.物资准备园林建设工程物资准备工作内...

1、当您付费下载文档后,您只拥有了使用权限,并不意味着购买了版权,文档只能用于自身使用,不得用于其他商业用途(如 [转卖]进行直接盈利或[编辑后售卖]进行间接盈利)。
2、本站所有内容均由合作方或网友上传,本站不对文档的完整性、权威性及其观点立场正确性做任何保证或承诺!文档内容仅供研究参考,付费前请自行鉴别。
3、如文档内容存在违规,或者侵犯商业秘密、侵犯著作权等,请点击“违规举报”。

碎片内容

某景观绿化工程施工组织设计方案(DOC35页)

您可能关注的文档

确认删除?
VIP
微信客服
  • 扫码咨询
会员Q群
  • 会员专属群点击这里加入QQ群
客服邮箱
回到顶部