电脑桌面
添加小米粒文库到电脑桌面
安装后可以在桌面快捷访问

消防电气全套资料VIP专享VIP免费

消防电气全套资料_第1页
1/42
消防电气全套资料_第2页
2/42
消防电气全套资料_第3页
3/42
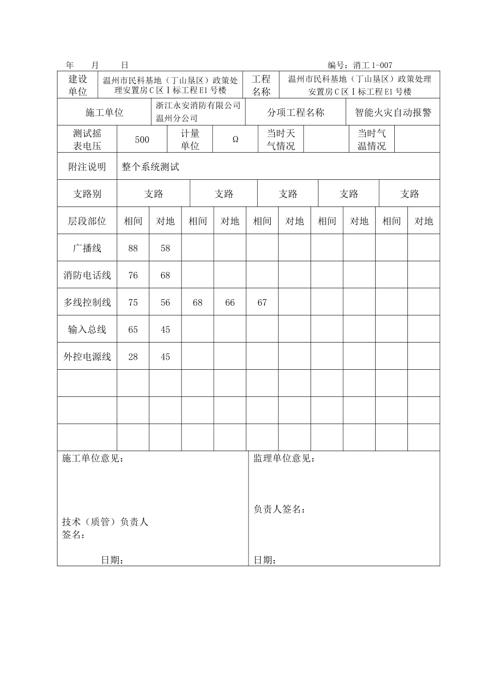
浙工程档案(封面)工程名称:温州市民科基地(丁山垦区)政策处理安置房C区Ⅰ标工程E1号楼档案名称:消防电气质量控制资料建设单位:温州经济技术开发区工程建设指挥部监理单位:浙江公望工程管理有限公司设计单位:浙江嘉华建筑设计研究院有限公司施工单位:展宇建设集团有限公司建设时间自年月日至年月日本工程共卷,本卷为第册,本卷共张保管期限密级建监A5-3绝缘电阻测试工程报验申请表工程名称:温州市民科基地(丁山垦区)政策处理安置房C区Ⅰ标工程E1号楼编号:A5-3致:浙江公望工程管理有限公司监理公司我单位完成了绝缘电阻测试工程,按设计文件及有关规范进行了自检,质量合格,请予以核查和验收。附件:1、工程质量控制资料;□2、安全和功能检验(检测)报告;√3、观感质量验收记录;□4、隐蔽工程验收记录;□5、质量验收记录;□承包单位(章)项目经理日期审查意见:□所报隐蔽工程的技术资料□齐全/□不齐全,且□符合/□不符合要求,经现场检测、核查□合格/□不合格,□同意/□不同意隐蔽。□所报检验批的技术资料□齐全/不齐全,且□符合/□不符合要求,经现场检测、核查□合格/□不合格,□同意/□不同意进行下一道工序。□检验批的技术资料齐全,且基本符合要求,因□砂浆/□混凝土试块强度试验报告未出具,暂同意进行下道工序施工,待□沙浆/□混凝土试块试验报告补报后,予以质量认定。□所报分项工程的各检验批的验收资料□完整/□不完整,且□全部/□未全部达到合格要求,经现场检测、核查□合格/□不合格。□所报分部(子分部)工程的技术资料□齐全/□不齐全,且□符合/□不符合要求,经现场检测、核查□合格/不合格。□纠正差错后再报。项目监理机构总/专业监理工程师日期本表一式三份,经监理单位审批后,建设单位、监理单位、承包单位各存一份。绝缘电阻测试记录年月日编号:消工1-007建设单位温州市民科基地(丁山垦区)政策处理安置房C区Ⅰ标工程E1号楼工程名称温州市民科基地(丁山垦区)政策处理安置房C区Ⅰ标工程E1号楼施工单位浙江永安消防有限公司温州分公司分项工程名称智能火灾自动报警测试摇表电压500计量单位Ω当时天气情况当时气温情况附注说明整个系统测试支路别支路支路支路支路支路层段部位相间对地相间对地相间对地相间对地相间对地广播线8858消防电话线7668多线控制线7556686667输入总线6545外控电源线2845施工单位意见:技术(质管)负责人签名:日期:监理单位意见:负责人签名:日期:第4页共42页编号:时间:2021年x月x日书山有路勤为径,学海无涯苦作舟页码:第4页共42页浙建监A5-3消防联动测试工程报验申请表工程名称:温州市民科基地(丁山垦区)政策处理安置房C区Ⅰ标工程F1~F4、E1~E4号楼编号:A5-3致:浙江公望工程管理有限公司监理公司我单位完成了消防联动测试工程,按设计文件及有关规范进行了自检,质量合格,请予以核查和验收。附件:1、工程质量控制资料;□2、安全和功能检验(检测)报告;√3、观感质量验收记录;□4、隐蔽工程验收记录;□5、质量验收记录;□承包单位(章)项目经理日期审查意见:□所报隐蔽工程的技术资料□齐全/□不齐全,且□符合/□不符合要求,经现场检测、核查□合格/□不合格,□同意/□不同意隐蔽。□所报检验批的技术资料□齐全/不齐全,且□符合/□不符合要求,经现场检测、核查□合格/□不合格,□同意/□不同意进行下一道工序。□检验批的技术资料齐全,且基本符合要求,因□砂浆/□混凝土试块强度试验报告未出具,暂同意进行下道工序施工,待□沙浆/□混凝土试块试验报告补报后,予以质量认定。□所报分项工程的各检验批的验收资料□完整/□不完整,且□全部/□未全部达到合格要求,经现场检测、核查□合格/□不合格。□所报分部(子分部)工程的技术资料□齐全/□不齐全,且□符合/□不符合要求,经现场检测、核查□合格/不合格。□纠正差错后再报。项目监理机构总/专业监理工程师日期本表一式三份,经监理单位审批后,建设单位、监理单位、承包单位各存一份。第5页共42页第4页共42页编号:时间:2021年x月x日书山有路勤为径,学海无涯苦作舟页码:第5页共42页消防联动测试报...

1、当您付费下载文档后,您只拥有了使用权限,并不意味着购买了版权,文档只能用于自身使用,不得用于其他商业用途(如 [转卖]进行直接盈利或[编辑后售卖]进行间接盈利)。
2、本站所有内容均由合作方或网友上传,本站不对文档的完整性、权威性及其观点立场正确性做任何保证或承诺!文档内容仅供研究参考,付费前请自行鉴别。
3、如文档内容存在违规,或者侵犯商业秘密、侵犯著作权等,请点击“违规举报”。

碎片内容

消防电气全套资料

确认删除?
VIP
微信客服
  • 扫码咨询
会员Q群
  • 会员专属群点击这里加入QQ群
客服邮箱
回到顶部