电脑桌面
添加小米粒文库到电脑桌面
安装后可以在桌面快捷访问

江西省城市规划管理技术导则(新)VIP专享VIP免费

江西省城市规划管理技术导则(新)_第1页
1/8
江西省城市规划管理技术导则(新)_第2页
2/8
江西省城市规划管理技术导则(新)_第3页
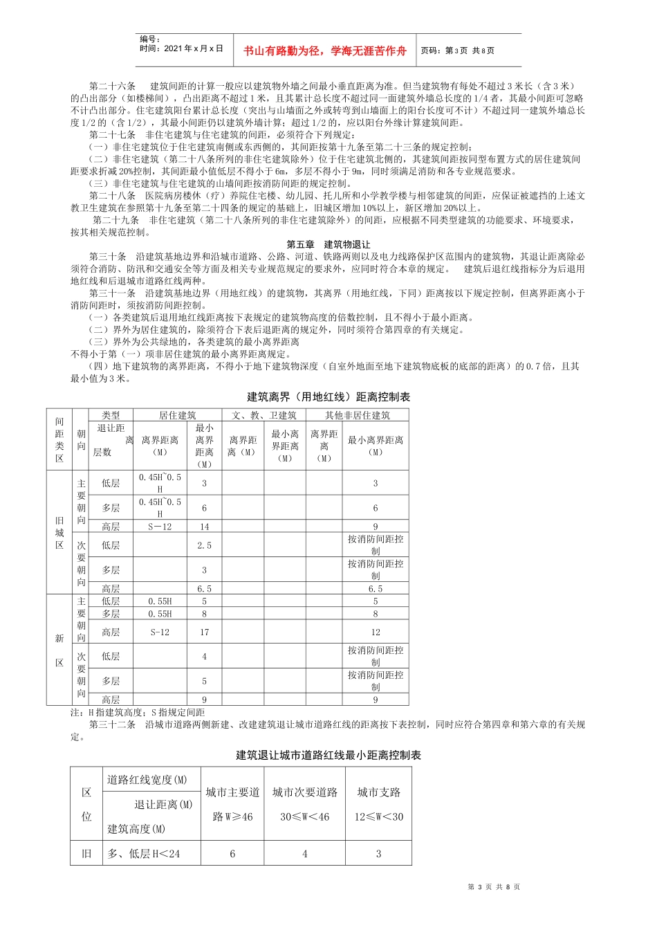
3/8
第1页共8页编号:时间:2021年x月x日书山有路勤为径,学海无涯苦作舟页码:第1页共8页第一章总则第一条为了加强全省城市建设规划管理,保障城市规划的实施,根据《中华人民共和国城市规划法》、《江西省实施〈中华人民共和国城市规划法〉办法》及有关法规、技术标准、技术规范,结合我省实际制定本导则。第二条本导则是实施《江西省实施〈中华人民共和国城市规划法〉办法》的具体指导性技术规定,适用于本省县政府所在地镇和设市城市城市规划区内新建、扩建和改建建筑物、构筑物、道路和其他工程设施。本导则中的各有关控制技术指标为低限指标,在实施中各地可以适当提高,但不得降低。编制详细规划(含控制性详细规划、修建性详细规划和城市设计)应符合技术规定。各项建设工程的建设,应按已批准的详细规划执行,尚无经批准的详细规划的,按技术规定执行。第三条各类专门性用地项目应符合已颁布的专业技术规范及本导则求。第二章建设用地的区划分类和适建范围第四条城市规划区内的建设用地按其主要用途和功能分区的基本原则进行分类,必须执行国家标准《城市用地分类与规划建设用地标准》(GBJ137-90)。第五条各类建设用地的划分应遵循土地使用兼容性的原则,按经批准的详细规划执行;尚无经批准的详细规划的,应按本导则附表(一)执行。凡需改变规划用地性质、超出附表(一)规定范围的,必须先提出调整规划,按规定程序和审批权限,报城市规划管理部门批准后执行。改变地块使用性质,应遵循以下基本原则:1、不得对相邻地块及历史文化、自然环境保护造成负面影响;2、不得突破原用地开发强度,导致该区环境、质量建设目标失控;3、不得带来严重的交通问题,如新增大量人流、车流影响城市道路交通系统的有序运行;4、不得擅自侵占城市绿地、市政设施用地和非盈利性的公益设施用地。第三章建筑容量控制指标第六条新建、改建、扩建建筑工程的建筑容量控制指标(含建筑容积率、建筑密度和绿地率,下同)应按本章的有关规定执行。建筑容量控制指标的确定应以城市总体规划相关要求为依据,综合考虑城市的用地分区、功能布局、环境条件和容量、建设工程规模、性质、功能、区位及用地情况等因素,实行分类、分层、分区控制。第七条建筑基地面积大于3万平方米的成片开发地区必须编制详细规划,并经批准后才能实施,成片开发区的详细规划应先确定建筑总容量控制指标;在不超过建筑总容量控制指标的前提下,成片开发地区内各类建筑基地的建筑容量控制指标可按照本导则附表(二)的规定适当调整。第八条建筑基地面积小于或等于3万平方米的高、多、低层居住建筑用地和高、多层公共建筑用地,其建筑密度控制指标应按附表(二)的规定执行。第九条附表(二)规定的建筑密度、容积率指标为上限,绿地率为下限,适用于单一类型的建筑基地。对混合类型的建筑基地,其建筑容量控制指标应将建筑基地按使用性质分类划定后,按不同类型分别执行;对难以分类执行的建筑基地和综合楼基地,应按不同性质建筑的建筑面积比例和不同的建筑容量控制指标换算建筑容量综合控制指标。第十条对未列入附表(二)的科研机构、大中专院校、中小学校、体育场馆以及医疗卫生、文化艺术、幼托等设施的建筑容量控制指标,应按有关专业规定执行,但不应超过附表(二)中住宅建筑建筑密度、容积率控制指标和低于附表(二)中住宅建筑绿地率控制指标。第十一条建筑基地未达到下列最小面积的,不得单独建设:序号项目分类建筑高度(单位:米)最小用地面积(单位:M2)1低层居住建筑H<105002多层居住建筑10≤H<28800多层公共建筑10≤H<2410003高层居住建筑18≤H<50200050≤H<1003000高层公共建筑24≤H<50300050≤H<1004000注:①建筑工程除满足最小用地面积要求外,还必须符合相关规范及规定要求;②不规则用地的最小用地面积根据实际用地情况确定;③超高层建筑的最小用地面积视其规模、性质、功能、高度、用地条件等情况相应增加。建筑基地未达到前款规定的最小面积,但有下列情况之一,且确实不妨碍城市规划实施的,与相邻建筑之间能满足消防、间距要求的,城市规划管理部门可予核准建设:(一)按经批准的详细规划实施...

1、当您付费下载文档后,您只拥有了使用权限,并不意味着购买了版权,文档只能用于自身使用,不得用于其他商业用途(如 [转卖]进行直接盈利或[编辑后售卖]进行间接盈利)。
2、本站所有内容均由合作方或网友上传,本站不对文档的完整性、权威性及其观点立场正确性做任何保证或承诺!文档内容仅供研究参考,付费前请自行鉴别。
3、如文档内容存在违规,或者侵犯商业秘密、侵犯著作权等,请点击“违规举报”。

碎片内容

江西省城市规划管理技术导则(新)

确认删除?
VIP
微信客服
  • 扫码咨询
会员Q群
  • 会员专属群点击这里加入QQ群
客服邮箱
回到顶部