电脑桌面
添加小米粒文库到电脑桌面
安装后可以在桌面快捷访问

星级宾馆保安部管理规范VIP免费

星级宾馆保安部管理规范_第1页
1/19
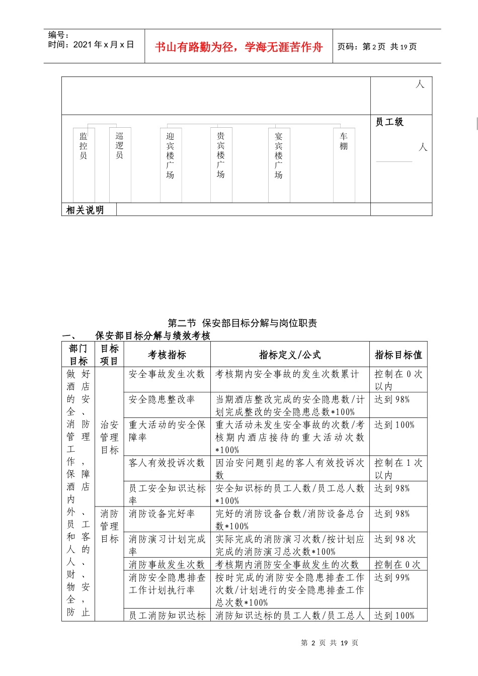
星级宾馆保安部管理规范_第2页
2/19
星级宾馆保安部管理规范_第3页
3/19
第1页共19页编号:时间:2021年x月x日书山有路勤为径,学海无涯苦作舟页码:第1页共19页第一节保安部服务事项与岗位设置一、保安部服务事项服务事项要点服务事项描述1.治安管理(1)负责酒店范围内的安全保卫工作管理,确保酒店内客人及员工的人身、财产安全。(2)负责重大宴会活动及来店重要宾客的内部保卫,防止意外事故的发生。(3)配合公安机关搞好酒店区域范围的安全警卫工作,并协助公安机关查处违法犯罪案件。(4)进行日常安全巡逻,发现安全问题与安全隐患及时汇报并提出整改意见。2.消防安全管理(1)进行日常消防安全检查,及时排除酒店内的消防安全隐患(2)检查与管理酒店的消防设备、器材、监控设备(3)配合工程技术人员和外协施工单位作好防火安全检查、明火作业审批,签订安全合同,预防火灾事故的发生(4)组建酒店义务消防队,组织消防演习及消防知识讲座,提高酒店员工的消防安全意识与消防器材的使用技能(5)协助和配合酒店所在区域的消防机关进行日常消防安全的宣传和管理3.突发安全事件处理(1)协助总经理建立和完善酒店突发事件处理机制,研究制定酒店治安、消防等安全管理制度、安全防范预案及突发安全事件处理预案(2)作好突发性事件的现场秩序维护和现场管理(3)负责或协助公安、消防机关查明酒店突发事件、安全事故等的发生原因(4)负责或协助做好突发安全事件的善后工作二、保安部岗位设置保安部岗位设计图人员编制经理级人主管级人领班级保安部经理保安部副经理办公室内外主管监控领班一班领班二班领班三班领班第2页共19页第1页共19页编号:时间:2021年x月x日书山有路勤为径,学海无涯苦作舟页码:第2页共19页人员工级人相关说明第二节保安部目标分解与岗位职责一、保安部目标分解与绩效考核部门目标目标项目考核指标指标定义/公式指标目标值做好酒店的安全、消防管理工作,保障酒店内外、员工和客人的人、财、物安全,防止治安管理目标安全事故发生次数考核期内安全事故的发生次数累计控制在0次以内安全隐患整改率当期酒店整改完成的安全隐患数/计划完成整改的安全隐患总数*100%达到98%重大活动的安全保障率重大活动未发生安全事故的次数/考核期内酒店接待的重大活动次数*100%达到100%客人有效投诉次数因治安问题引起的客人有效投诉次数控制在1次以内员工安全知识达标率安全知识标的员工人数/员工总人数*100%达到98%消防管理目标消防设备完好率完好的消防设备台数/消防设备总台数*100%达到98%消防演习计划完成率实际完成的消防演习次数/按计划应完成的消防演习总次数*100%达到98次消防事故发生次数考核期内消防安全事故发生的次数控制在0次消防安全隐患排查工作计划执行率按时完成的消防安全隐患排查工作次数/计划进行的安全隐患排查工作总次数*100%达到99%员工消防知识达标消防知识达标的员工人数/员工总人达到100%监控员迎宾楼广场贵宾楼广场宴宾楼广场车棚巡逻员第3页共19页第2页共19页编号:时间:2021年x月x日书山有路勤为径,学海无涯苦作舟页码:第3页共19页安全事故的发生率数*100%突发事件处理目标突发事件及时处理率及时处理的突发事件次数/突发事件发生的总次数*100%达到99%突发事件发生次数考核期内发生的突发事件次数累计控制在0次二、保安部经理岗位职责与目标考核(一)保安部经理岗位职责岗位名称保安部经理所属部门保安部编号直属上级总经理直属下级保安部副经理、保安部各主管、办公文员晋升方向职责概述全面负责酒店的安全保卫、消防管理工作,确保酒店的人、财、物安全,为酒店的经营活动创造良好的治安环境职责职责细分职责类别1.制度建设和工作制订及监督实施(1)负责制定和完善酒店的安全保卫制度,并督促实行周期性(2)负责制订保安部的工作计划并组织实施周期性(3)审定酒店各部门拟定的岗位安全制度,报总经理批准后实施周期性2.酒店治安管理(1)检查、督导保安员做好酒店的安全保卫、治安巡逻等工作,确保酒店人、财、物的安全日常性(2)组织保安员调查、处理发生在酒店内的安全事故、突发事件等,并及时向总经理汇报日常性(3)领导保安部做好酒店重大宴会活动及重要客人、大型会议等的安全保卫工作...

1、当您付费下载文档后,您只拥有了使用权限,并不意味着购买了版权,文档只能用于自身使用,不得用于其他商业用途(如 [转卖]进行直接盈利或[编辑后售卖]进行间接盈利)。
2、本站所有内容均由合作方或网友上传,本站不对文档的完整性、权威性及其观点立场正确性做任何保证或承诺!文档内容仅供研究参考,付费前请自行鉴别。
3、如文档内容存在违规,或者侵犯商业秘密、侵犯著作权等,请点击“违规举报”。

碎片内容

星级宾馆保安部管理规范

确认删除?
VIP
微信客服
  • 扫码咨询
会员Q群
  • 会员专属群点击这里加入QQ群
客服邮箱
回到顶部