电脑桌面
添加小米粒文库到电脑桌面
安装后可以在桌面快捷访问

机械厂降压变电所供电系统VIP免费

机械厂降压变电所供电系统_第1页
1/26
机械厂降压变电所供电系统_第2页
2/26
机械厂降压变电所供电系统_第3页
3/26
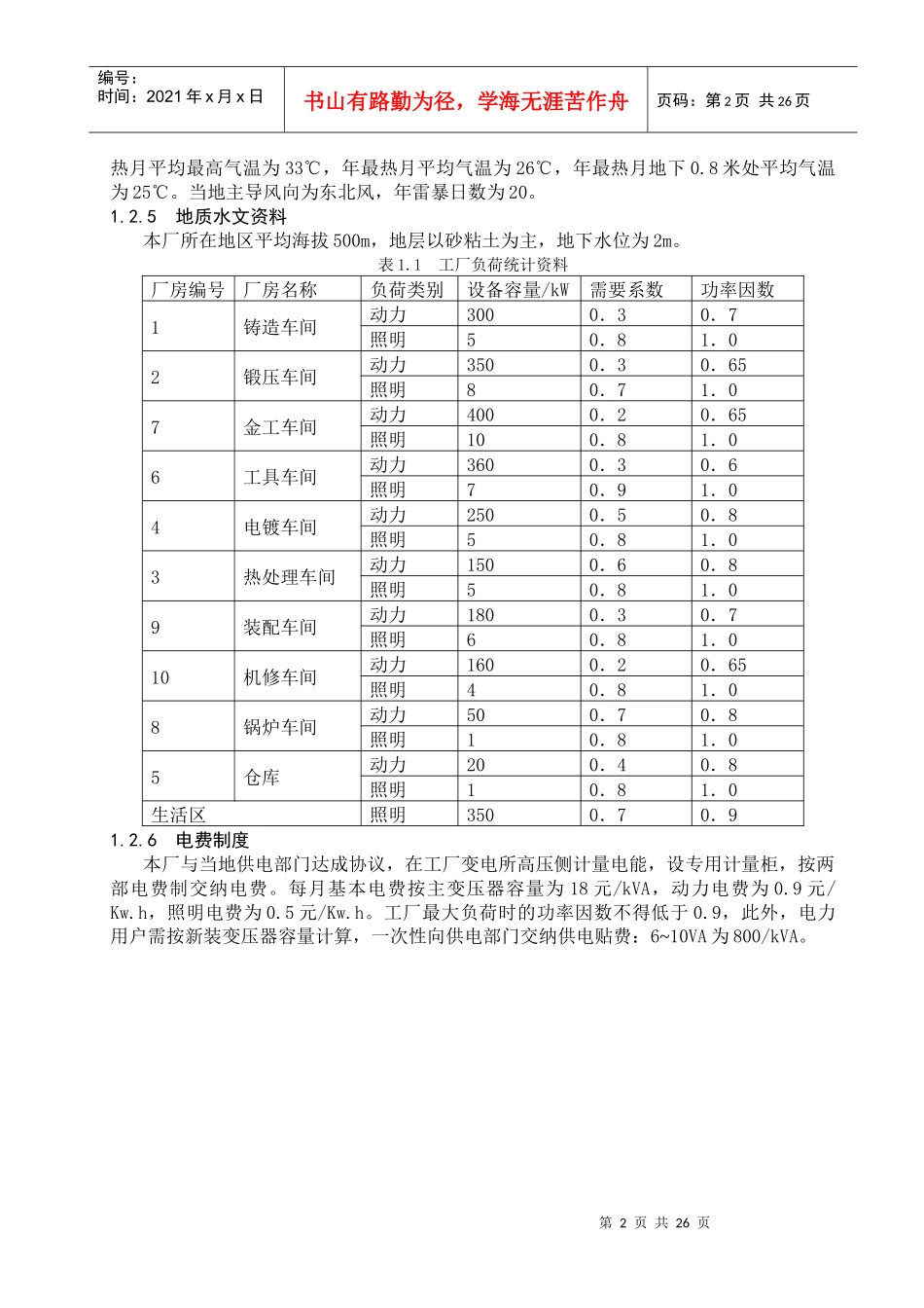
第1页共26页编号:时间:2021年x月x日书山有路勤为径,学海无涯苦作舟页码:第1页共26页第一章设计任务1.1设计要求要求根据本厂所能取得的电源及本厂用电负荷的实际情况,并适当考虑到工厂生产的发展,按照安全可靠、技术先进、经济合理的要求,确定变电所的位置和型式,确定变电所主变压器的台数、容量与类型,选择变电所主接线方案及高低压设备和进出线,确定二次回路方案,选择整定继电保护,确定防雷和接地装置。最后按要求写出设计说明书,绘出设计图纸。1.2设计依据1.2.1工厂总平面图图1.1工厂平面图1.2.2工厂负荷情况本厂多数车间为两班制,年最大负荷利用小时为4600h,日最大负荷持续时间为6h。该厂除铸造车间、电镀车间和锅炉房属二级负荷外,其余均属三级负荷。本厂的负荷统计资料如表1.1所示。1.2.3供电电源情况按照工厂与当地供电部门签定的供用电协议规定,本厂可由附近一条10kV的公用电源干线取得工作电源。该干线的走向参看工厂总平面图。该干线的导线牌号为LGJ-150,导线为等边三角形排列,线距为2m;干线首端距离本厂约8km。干线首端所装设的高压断路器断流容量为500MVA。此断路器配备有定时限过流保护和电流速断保护,定时限过流保护整定的动作时间为1.7s。为满足工厂二级负荷要求,可采用高压联络线由邻近的单位取得备用电源。已知与本厂高压侧有电气联系的架空线路总长度为80km,电缆线路总长度为25km。1.2.4气象资料本厂所在地区的年最高气温为38℃,年平均气温为23℃,年最低气温为-9℃,年最(4)(5)(6)(7)(10)(9)(8)(1)(2)(3)第2页共26页第1页共26页编号:时间:2021年x月x日书山有路勤为径,学海无涯苦作舟页码:第2页共26页热月平均最高气温为33℃,年最热月平均气温为26℃,年最热月地下0.8米处平均气温为25℃。当地主导风向为东北风,年雷暴日数为20。1.2.5地质水文资料本厂所在地区平均海拔500m,地层以砂粘土为主,地下水位为2m。表1.1工厂负荷统计资料厂房编号厂房名称负荷类别设备容量/kW需要系数功率因数1铸造车间动力3000.30.7照明50.81.02锻压车间动力3500.30.65照明80.71.07金工车间动力4000.20.65照明100.81.06工具车间动力3600.30.6照明70.91.04电镀车间动力2500.50.8照明50.81.03热处理车间动力1500.60.8照明50.81.09装配车间动力1800.30.7照明60.81.010机修车间动力1600.20.65照明40.81.08锅炉车间动力500.70.8照明10.81.05仓库动力200.40.8照明10.81.0生活区照明3500.70.91.2.6电费制度本厂与当地供电部门达成协议,在工厂变电所高压侧计量电能,设专用计量柜,按两部电费制交纳电费。每月基本电费按主变压器容量为18元/kVA,动力电费为0.9元/Kw.h,照明电费为0.5元/Kw.h。工厂最大负荷时的功率因数不得低于0.9,此外,电力用户需按新装变压器容量计算,一次性向供电部门交纳供电贴费:6~10VA为800/kVA。第3页共26页第2页共26页编号:时间:2021年x月x日书山有路勤为径,学海无涯苦作舟页码:第3页共26页第二章负荷计算和无功功率补偿2.1负荷计算2.1.1单组用电设备计算负荷的计算公式a)有功计算负荷(单位为KW)P30=KdPe,Kd为系数b)无功计算负荷(单位为kvar)Q30=P30tanϕc)视在计算负荷(单位为kvA)S30=P30cosϕd)计算电流(单位为A)I30=S30√3UN,UN为用电设备的额定电压(单位为KV)2.1.2多组用电设备计算负荷的计算公式a)有功计算负荷(单位为KW)P30=K∑¿p∑P30⋅i式中∑P30⋅i是所有设备组有功计算负荷P30之和,K∑¿p是有功负荷同时系数,可取0.85~0.95b)无功计算负荷(单位为kvar)Q30=K∑¿q∑Q30⋅i,∑Q30⋅i是所有设备无功Q30之和;K∑¿q是无功负荷同时系数,可取0.9~0.97c)视在计算负荷(单位为kvA)S30=√P302+Q302d)计算电流(单位为A)I30=S30√3UN经过计算,得到各厂房和生活区的负荷计算表,如表2.1所示(额定电压取380V)表2.1各厂房和生活区的负荷计算表编号名称类别设备容量Pe/kW需要系数Kdcosϕtanϕ计算负荷P30/kWQ30/kvarS30/kVAI30/A1铸造动力3000.30.71.029091.8————第4页共26页第3页共26页编号:时间:2021年x月x日书山有路勤为径,学海无涯苦作舟页码:...

1、当您付费下载文档后,您只拥有了使用权限,并不意味着购买了版权,文档只能用于自身使用,不得用于其他商业用途(如 [转卖]进行直接盈利或[编辑后售卖]进行间接盈利)。
2、本站所有内容均由合作方或网友上传,本站不对文档的完整性、权威性及其观点立场正确性做任何保证或承诺!文档内容仅供研究参考,付费前请自行鉴别。
3、如文档内容存在违规,或者侵犯商业秘密、侵犯著作权等,请点击“违规举报”。

碎片内容

机械厂降压变电所供电系统

您可能关注的文档

确认删除?
VIP
微信客服
  • 扫码咨询
会员Q群
  • 会员专属群点击这里加入QQ群
客服邮箱
回到顶部