电脑桌面
添加小米粒文库到电脑桌面
安装后可以在桌面快捷访问

板金件和塑料件的工艺准则(1)VIP免费

板金件和塑料件的工艺准则(1)_第1页
1/21
板金件和塑料件的工艺准则(1)_第2页
2/21
板金件和塑料件的工艺准则(1)_第3页
3/21
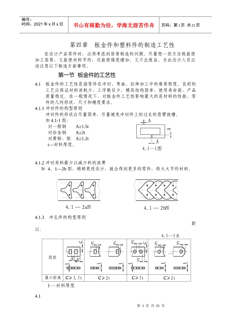
第1页共21页编号:时间:2021年x月x日书山有路勤为径,学海无涯苦作舟页码:第1页共21页第四章板金件和塑料件的制造工艺性在设计产品零件时,必须考虑到容易制造的问题。尽量想一些方法既能使加工容易,又能使材料节约,还能使强度增加,又不出废品。为此设计人员应该注意以下制造方面事项。第一节板金件的工艺性4.1板金件的工艺性是指零件在冲切、弯曲、拉伸加工中的难易程度。良好的工艺应保证材料消耗少,工序数目少,模具结构简单,使用寿命高,产品质量稳定。在一般情况下,对板金件工艺性影响最大的是材料的性能、零件的几何形状、尺寸和精度要求。4.1.1冲切件的构型原则冲切件的形状应尽量简单,尽量避免冲切件上的过长的悬臂狭槽。如4.1-1图:对一般钢A≥1.5t对合金钢A≥2t对黄铜、铝A≥1.2tt—材料厚度。4.1.2冲切弃料最少以减少料的浪费如4。1—2b图,稍稍更改设计,就会得到更多的零件,将大大节约材料。4.1.3冲孔件的构型原则最小边距和孔间距。零件上冲孔设计应考虑留有合适的孔边距和孔间距以免冲裂。最小孔边距和孔间距见4.1—1表。4.1.3-1最小冲孔直径或方孔的最小边长第2页共21页第1页共21页编号:时间:2021年x月x日书山有路勤为径,学海无涯苦作舟页码:第2页共21页冲孔时,应受到冲头强度的限制,冲孔的尺寸不能太小,否则容易损坏冲头。最小冲孔直径及最小边长见4.1—2表。4.1—2表t—材料厚度4.1.3-2冲切缺口原则冲切缺口应尽量避免尖角,如4.1—3a图所示。尖角形式容易减短模具使用寿命,且尖角处容易产生裂纹。应改为如4.1—3b图所示。R≥0.5t(t─材料厚度)4.1—3a图4.1—3b图4.1.4弯曲件的结构原则4.1.4-1板件最小弯曲半径板件弯曲时,若弯曲处的圆角过小,则外表面容易产生裂纹。若弯曲圆角过大,因受到回弹的影响,弯曲件的精度不易保证。为此规定最小弯曲半径。见4.1-3表。4.1—3表材料最小弯曲半径(R)冷轧板、电镀锌板、镀锌板R≥2t黄铜板R≥1t铝合金板R≥1.2t4.1.4-2弯曲的直边高度不宜过小,否则不易成形足够的弯矩,很难得到形状准确的零件。其值h≥R+2t方可。见4.1—5图。4.1─5图4.1─6图第3页共21页第2页共21页编号:时间:2021年x月x日书山有路勤为径,学海无涯苦作舟页码:第3页共21页4.1.4-3弯曲边冲孔时,孔边到弯曲半径R中心的距离L不得过小,以免弯曲成型后会使孔变形。其值L≥2t方可。见4.1—6图。4.1.4-4当a<R时,弯曲后,b面靠a处仍然有一段残余圆弧,为了避免残余圆弧,必须使a≥R。4.1—7图4.1.4-5在U形弯曲件上,两弯曲边最好等长,以免弯曲时产生向一边移位。如不允许,可设一工艺定位孔。如图4.1—8图。4.1—8图4.1.4-6防止侧面(梯形)弯曲时产生裂纹或畸形。应设计预留切槽,或将根部改为阶梯形。槽宽K≥2t,槽深L≥t+R+K/2。第4页共21页第3页共21页编号:时间:2021年x月x日书山有路勤为径,学海无涯苦作舟页码:第4页共21页4.1—9图4.1.4-7防止圆角在弯曲时受压产生挤料后起皱,应设计预留切口。如室外机侧板(上端、下端)圆角处切口形式。上端下端B与盖板厚度(t)相等4.1—10a图4.1—10b图4.1.4-8防止弯曲后,直角的两侧平面产生褶皱,应设计预留切口。褶皱4.1—11图4.1.4-9防止弯曲后,产生回弹的切口形式。a≥1.5t(t—材料厚度)4.1—12图4.1.4-10防止冲孔后,弯曲产生裂纹的切口形式。第5页共21页第4页共21页编号:时间:2021年x月x日书山有路勤为径,学海无涯苦作舟页码:第5页共21页裂纹切口4.1—13图4.1.4-11防止弯曲时,一边向内产生收缩。可设计工艺定位孔,或两边同时折弯,还可用增加幅宽的办法来解决收缩问题。工艺孔两边折弯增加幅宽4.1—14图4.1.4-12弯成直角的搭接形式。BAA—ABAB—B4.1—15图4.1—16图4.1.4-13凸部的弯曲若象a图那样弯曲线和阶梯线一致,有时会在根部开裂变形。所以使弯曲线让开阶梯线如图b,或设计切口如c、d那样。r≥2t第6页共21页第5页共21页编号:时间:2021年x月x日书山有路勤为径,学海无涯苦作舟页码:第6页共21页n=rabcdm≥2tk≥1.5tL≥t+R+k/24.1—17图4.1.4-14防止弯曲时,弯曲面上的孔受力后会变形,孔边距(至底根部)其值A≥4方可。鼓起4.1—18图4.1.5拉深件的构形原则a...

1、当您付费下载文档后,您只拥有了使用权限,并不意味着购买了版权,文档只能用于自身使用,不得用于其他商业用途(如 [转卖]进行直接盈利或[编辑后售卖]进行间接盈利)。
2、本站所有内容均由合作方或网友上传,本站不对文档的完整性、权威性及其观点立场正确性做任何保证或承诺!文档内容仅供研究参考,付费前请自行鉴别。
3、如文档内容存在违规,或者侵犯商业秘密、侵犯著作权等,请点击“违规举报”。

碎片内容

板金件和塑料件的工艺准则(1)

您可能关注的文档

确认删除?
VIP
微信客服
  • 扫码咨询
会员Q群
  • 会员专属群点击这里加入QQ群
客服邮箱
回到顶部