电脑桌面
添加小米粒文库到电脑桌面
安装后可以在桌面快捷访问

水利水电工程施工测量规范VIP免费

水利水电工程施工测量规范_第1页
1/105
水利水电工程施工测量规范_第2页
2/105
水利水电工程施工测量规范_第3页
3/105
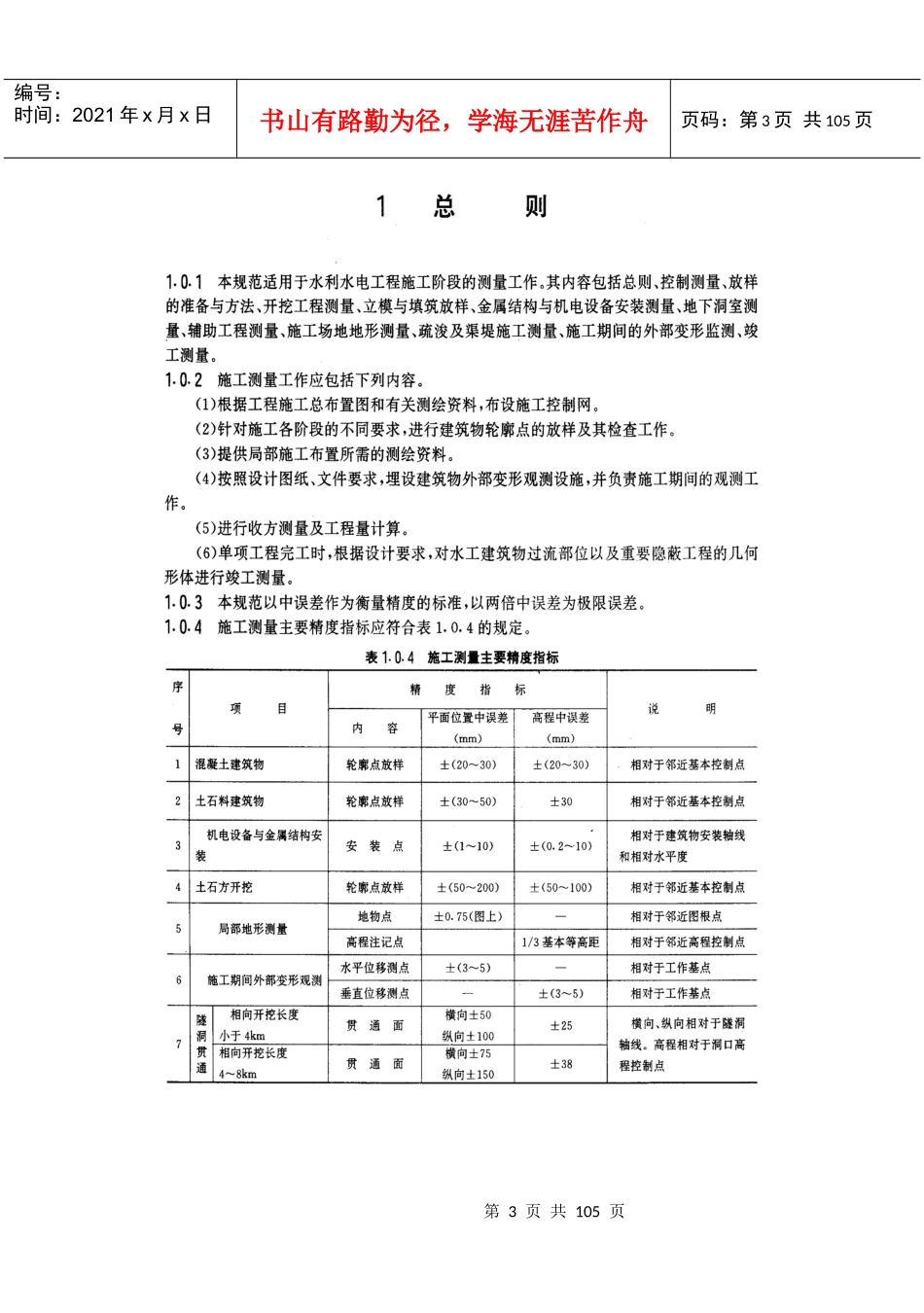
第1页共105页编号:时间:2021年x月x日书山有路勤为径,学海无涯苦作舟页码:第1页共105页水利水电工程施工测量规范SL52-93目录1总则2平面控制测量3高程控制测量4放样的准备与方法5开挖工程测量6立模与填筑放样7金属结构与机电设备安装测量8地下洞室测量9辅助工程测量10施工场地地形测量11疏浚及渠堤施工测量12施工期间的外部变形监测13竣工测量附录A平面控制的标墩与标志附录B测边网角条件自由项限值计算附录C高程控制点标志、标石埋设规格附录D测量仪器高、棱镜(觇牌)高的精密方法附录E平面位置放样操作方法的规定附录F平面放样方法精度估算公式附录G有关高程放样的精度估算公式附录H用钢带尺精密传递高程计算公式附录I用具有平行玻璃板的水准仪进行高程放样时的有关计算(以威尔特N3水准仪为例)附录J钢带尺放样中的计算附录K光电测距边长和高差的各项改正值计算公式附录L像片控制点和标志附录M洞外、洞内导线贯通误差估算附录N沉降观测点设置和工程量计算方法附加说明主要符号第2页共105页第1页共105页编号:时间:2021年x月x日书山有路勤为径,学海无涯苦作舟页码:第2页共105页中华人民共和国水利部电力工业部关于颁发《水利水电工程施工测量规范》SL52-93的通知水建[1993]330号为推动水利水电工程施工测量技术的进步,保证施工测量的质量,水利部和原能源部委托水利水电长江葛洲坝工程局为主编单位,对原水利电力部水利水电建设总局局标准《水利水电工程施工测量规范》SDJS9-85进行了修订。该规范的修订送审稿已通过两部审查,现批准为行业标准,编号为SL52-93,自1993年12月1日起执行,原局标准同时废止。本规范由主编单位负责解释,水利电力出版社负责出版发行。1993年6月25日第3页共105页第2页共105页编号:时间:2021年x月x日书山有路勤为径,学海无涯苦作舟页码:第3页共105页第4页共105页第3页共105页编号:时间:2021年x月x日书山有路勤为径,学海无涯苦作舟页码:第4页共105页对于特大型的水利水电工程,也可布设一等平面控制网,其技术指标应专门设计。第5页共105页第4页共105页编号:时间:2021年x月x日书山有路勤为径,学海无涯苦作舟页码:第5页共105页各种等级(二、三、四、五)、各种类型(测角网、测边网、边角网或导线网)的平面控制网、均可选为首级网。2.1.3平面控制网的布设梯级,可根据地形条件及放样需要决定,以1~2级为宜。但无论采用何种梯级布网,其最末级平面控制点相对于同级起始点或邻近高一级控制点的点位中误差不应大于±10mm。对于水工隧洞地面控制网,其相邻洞口点的点位中误差见表8.1.3。2.1.4首级平面控制网的起始点,应选在坝轴线或主要建筑物附近。以使最弱点远离坝轴线或放样精度要求较高的地区。2.1.5独立的平面控制网,应利用勘测设计阶段布设的测图控制点,作为起算数据,在条件方便时,可与邻近的国家三角点进行联测。其联测精度应不低于国家四等网的要求。2.1.6平面控制网建立后,应定期进行复测,尤其在建网一年后或大规模开挖结束后,必须进行一次复测。若使用过程中发现控制点有位移迹象时,应及时复测。2.1.7平面控制网的观测资料,可不作椭圆投影改正。采用平面直角坐标系统在平面上直接进行计算。但观测边长应投影到测区所选定的高程面上。2.2技术设计2.2.1平面控制网的技术设计应在全面了解工程建筑物的总体布置,工区的地形特征及施工放样精度要求的基础上进行。设计前应搜集下列资料。(1)施工区现有地形图和必要的地质资料。(2)规划设计阶段布设的平面和高程控制网成果。(3)枢纽建筑物总平面布置图。(4)有关的测量规范和招投标文件资料。2.2.2四等以上平面控制网布设前,应按下列程序进行精度估算,选定最优方案。(l)在图上或野外实地选点、确定各待定平面控制点的近似坐标。(2)选定网的等级和类型,确定各观测量的先验权。(3)解算未知参数的协因数阵,计算各点的点位中误差或误差椭圆元素并与本规范的规定精度作比较。(4)若不能满足规范要求时,调整图形结构、改变网的类型或改变各观测元素的先验权,重复(2)、(3)项工作,直至满足规定的精度为止。2.2.3直线形建筑物的主轴线...

1、当您付费下载文档后,您只拥有了使用权限,并不意味着购买了版权,文档只能用于自身使用,不得用于其他商业用途(如 [转卖]进行直接盈利或[编辑后售卖]进行间接盈利)。
2、本站所有内容均由合作方或网友上传,本站不对文档的完整性、权威性及其观点立场正确性做任何保证或承诺!文档内容仅供研究参考,付费前请自行鉴别。
3、如文档内容存在违规,或者侵犯商业秘密、侵犯著作权等,请点击“违规举报”。

碎片内容

水利水电工程施工测量规范

中小学文库+ 关注
实名认证
内容提供者

精品资料应用尽有

确认删除?
VIP
微信客服
  • 扫码咨询
会员Q群
  • 会员专属群点击这里加入QQ群
客服邮箱
回到顶部