电脑桌面
添加小米粒文库到电脑桌面
安装后可以在桌面快捷访问

温州市住宅前安置房工程桩基施工组织设计方案VIP免费

温州市住宅前安置房工程桩基施工组织设计方案_第1页
1/17
温州市住宅前安置房工程桩基施工组织设计方案_第2页
2/17
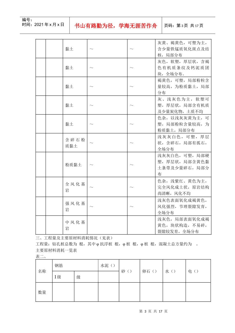
温州市住宅前安置房工程桩基施工组织设计方案_第3页
3/17
第1页共17页编号:时间:2021年x月x日书山有路勤为径,学海无涯苦作舟页码:第1页共17页目录第一章工程概况.................................................................第二章施工工艺.................................................................第三章质量目标、质量控制及保证措施.............................................第四章施工进度计划与工期保证措施...............................................第五章主要机械设备及劳动力安排.................................................第六章排污及用电专项方案.......................................................第七章提交竣工资料.............................................................第2页共17页第1页共17页编号:时间:2021年x月x日书山有路勤为径,学海无涯苦作舟页码:第2页共17页工程概况一、建筑、设计概况(一)建筑概况拟建场地位于温州市人民西路任宅前,东邻温富大厦,南邻九山外河,为旧房拆迁再建工程,拟建物包括主楼和裙房,主楼地上为层(共幢),框架剪力墙结构,柱下最大荷载柱;裙房层,框架结构;主楼和裙房设一层地下室,埋深5m,基础形式采用大直径钻孔浇筑桩。由温州市旧城改建指挥部开发建设,由杭州市建筑设计院设计。(二)设计概况.本工程±相当于黄海高程5.500m。.本工程为钻孔浇筑桩基础,共设计桩根,包括φ桩根;φ桩根;φ桩根。桩身混凝土强度等级为,试桩和锚桩φ桩根,混凝土强度等级为,主筋混凝土保护层厚度不小于50mm。设计采用端承摩擦桩,主楼高层部分,以层中风化基岩作为桩端持力层。桩底标高低于黄海高程-81.000m;同时要满足桩端全截面进入持力层不小于3.0m;裙房部分的桩以层含碎石粉质粘土作为桩端持力层,桩底标高统一为黄海高程-60.00m。.大直径钻孔浇筑桩施工的各工序必须连续进行,中间不得有停工现象。二次清孔结束测得孔底沉渣厚度满足上述要求后,半小时内必须浇筑混凝土,否则需再次清孔。.桩孔成型后必须清除孔底沉渣,孔清后沉渣厚度不得大于5cm(端承摩擦桩)并应立即浇筑水下混凝土。.混凝土实际浇筑高度高于设计桩顶标高1.8m,本工程桩基安全等级为一级。二、场址工程地质条件拟建场地位于温州海滨平原松台山残丘两侧,现地形平坦,在勘探深度内,地层由杂填土、黏土、淤泥、淤泥质黏土、黏性土、粉质黏土混碎石、风化基岩等个工程地质层和个亚层组成,基本情况见表。场址工程地质条件表序号土层序号地层名称层面高程()层厚()岩性描述杂填土~~以碎砖、瓦砾、碎块石、旧建筑物基础、沙砾、黏性土组成黏土~~灰黄、褐黄色,含铁锰质氧化斑点,可塑~软塑,全场分布淤泥~~灰色,流塑,厚层状,偶含腐植质,土质均匀,全场分布淤泥~~灰色,流塑,鳞片状,含少量贝壳碎片,全场分布第3页共17页第2页共17页编号:时间:2021年x月x日书山有路勤为径,学海无涯苦作舟页码:第3页共17页黏土~~灰黄、褐黄色,可塑为主,含少量铁锰质氧化斑点及结核,局部分布黏土~~灰色,软塑,厚层状,含褐色有机质条纹及钙泥质团块,全场分布。黏土~~褐黄色,可塑,局部粉粒含量较高,为粉质黏土,局部分布黏土~~灰、浅灰色为主,软塑可塑,厚层状,局部含有机质及少量炭化物,土质不均黏土~~色杂,以浅灰灰黄为主,可塑,局部粉粒含量较高,为粉质黏土,局部分布含碎石粉质黏土~~浅灰灰白色,可塑,厚层状,含碎石,局部有孤石,全场分布粉质黏土~~浅灰灰白色,可塑,局部硬塑,厚层状,局部含黄色黏土条带及少量碎石,局部分布全风化基岩~~色杂,浅紫红、黄色为主,完全风化成土状,原岩结构尚清晰,风化不均强风化基岩~~浅灰色表面氧化成褐黄色,风化强烈,节理裂隙发育,全场分布中风化基岩浅灰色,局部表面氧化成褐黄色,块状构造,不易碎,裂隙较发育,全场分布三、工程量及主要原材料消耗情况(见表)工程量:钻孔桩总数为根,其中φ抗浮桩根,φ桩根,φ桩根,混凝土总方量约为。主要原材料消耗一览表表二、名称钢筋水泥()砂()卵石()水()电()Ⅰ级级数量第4页共17页第3页共17页施工准备放样...

1、当您付费下载文档后,您只拥有了使用权限,并不意味着购买了版权,文档只能用于自身使用,不得用于其他商业用途(如 [转卖]进行直接盈利或[编辑后售卖]进行间接盈利)。
2、本站所有内容均由合作方或网友上传,本站不对文档的完整性、权威性及其观点立场正确性做任何保证或承诺!文档内容仅供研究参考,付费前请自行鉴别。
3、如文档内容存在违规,或者侵犯商业秘密、侵犯著作权等,请点击“违规举报”。

碎片内容

温州市住宅前安置房工程桩基施工组织设计方案

确认删除?
VIP
微信客服
  • 扫码咨询
会员Q群
  • 会员专属群点击这里加入QQ群
客服邮箱
回到顶部