电脑桌面
添加小米粒文库到电脑桌面
安装后可以在桌面快捷访问

某汽车站降水工程施工组织设计方案(DOC17页)VIP免费

某汽车站降水工程施工组织设计方案(DOC17页)_第1页
1/16
某汽车站降水工程施工组织设计方案(DOC17页)_第2页
2/16
某汽车站降水工程施工组织设计方案(DOC17页)_第3页
3/16
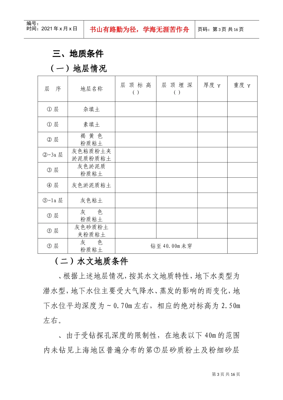
第1页共16页编号:时间:2021年x月x日书山有路勤为径,学海无涯苦作舟页码:第1页共16页一、工程概况(略)二、设计有关参数三、地质条件四、降水目的五、工作量布置依据及工作量六、降水井构造与设计要求七、成井(孔)施工工艺与技术要求八、降水运行九、投入主要机械设备十、施工管理人员及劳动力配备十一、附图表第2页共16页编号:时间:2021年x月x日书山有路勤为径,学海无涯苦作舟页码:第2页共16页一、工程概况(略)二、设计有关参数1、拟建车站总长160.00m;2、两端头井宽为23.80m;3、主车道(标准段)宽为18.40m;、车站结构采用钢筋混凝土地下连续墙加钢支撑的围护结构,连续墙刃脚深:1)端头井为26.00m左右,相应绝对标高为-2.81m;2)标准段为23.00m左右,相应绝对标高为-19.81m;、根据设计要求,本工程的结构施工(包括挖土施工),采用明开挖顺序法施工。基坑开挖深度分别为:()主体通道(标准段):开挖深度为~12.74m,基底绝对标高为~-9.55m;()西端头井:开挖深度为.25m左右,基底绝对标高为.06m;()东端头井:开挖深度为14.57m左右,基底绝对标高为.38m;()出入口开挖深度8.00m左右,基底绝对标高为-4.81m,出入口开挖深度相对较浅。故本次降水不考虑布置降水井。、本方案采用地面绝对标高为3.19m。第3页共16页编号:时间:2021年x月x日书山有路勤为径,学海无涯苦作舟页码:第3页共16页三、地质条件(一)地层情况层序地层名称层顶标高()层顶埋深()厚度γ重度γ①层杂填土①层素填土②层褐黄色粉质粘土②-3a层灰色粘质粉土夹淤泥质粉质粘土③层灰色淤泥质粉质粘土④层灰色淤泥质粘土⑤-1a层灰色粘土⑤层灰色粉质粘土⑤层灰色砂质粉土夹粉质粘土⑤层灰色粉质粘土钻至40.00m未穿(二)水文地质条件、根据上述地层情况,按其水文地质特性,地下水类型为潜水型,地下水位主要受大气降水、蒸发的影响的而变化,地下水位平均深度为~0.70m左右,相应的绝对标高为2.50m左右。、由于受钻探孔深度的限制性,在地表以下40m的范围内未钻见上海地区普遍分布的第⑦层砂质粉土及粉细砂层第4页共16页编号:时间:2021年x月x日书山有路勤为径,学海无涯苦作舟页码:第4页共16页(第Ⅰ含水层),故没有本场地承压含水层的水文地质资料,因此,只能参考区域的水文地质资料。经查本场地的第⑦层承压含水层顶板的埋藏深度一般在45m以下。其渗透系数值一般在~-3cm的范围内,按其特性属透水性较好的含水层,承压水水头高度一般在地表以下~10.00m左右,其相应的绝对标高为~-8.00m左右。四、降水目的根据本工程的基坑开挖及基础底板结构施工的要求,本次降水的目的:、通过降水及时疏干开挖范围内土层的地下水,使其得以压缩固结,以提高土层的水平抗力,防止开挖面的土体隆起。、在基坑开挖施工时做到及时降低连续墙内基坑中的地下水位,保证基坑的干开挖施工的顺利进行。4、对本场地基坑底部发生突涌的可能性作出评价。五、工作量布置依据及工作量(一)基坑底突涌的可能性评价、基坑底板稳定性评价条件:承压水上覆不透水层的厚度应满足下式要求:·≥·γ·γ式中:第5页共16页编号:时间:2021年x月x日书山有路勤为径,学海无涯苦作舟页码:第5页共16页—承压水上覆不透水层的厚度(),基坑底板深度为19.00m,承压含水层的顶板深度为28.50m,则:9.50m;γ—基坑底以下不透水层的土的加权平均重度(),取;—承压水头高于承压含水层顶板的高度(),承压含水层的顶板深度为.00m,承压水头高度取地表以下10.00m,则:35.00m;γ—水的重度(),取;—安全系数,一般为~1,取;、评价结果:≥××21.20m;、评价结果分析根据上述验算结果分析:当本工程基坑开挖至地表以下15.00m左右时,若上覆承压水不透水层的厚度大于21.20m时,基坑底不会发生突涌,而本工程的上覆不透水层的厚度要大于30m,故基底是稳定的,因此,本工程对承压水可不考虑采取减压抽水措施。(二)降水井工作量布置依据、基坑内抽水量的估算)地下水容积储存量的计算:第6页共16页编号:时间:2021年x月x日书山有路勤为径,学海无涯苦作舟页码:第6页共16页计算式:μ·或μ··式中:—容积储存量()—含水...

1、当您付费下载文档后,您只拥有了使用权限,并不意味着购买了版权,文档只能用于自身使用,不得用于其他商业用途(如 [转卖]进行直接盈利或[编辑后售卖]进行间接盈利)。
2、本站所有内容均由合作方或网友上传,本站不对文档的完整性、权威性及其观点立场正确性做任何保证或承诺!文档内容仅供研究参考,付费前请自行鉴别。
3、如文档内容存在违规,或者侵犯商业秘密、侵犯著作权等,请点击“违规举报”。

碎片内容

某汽车站降水工程施工组织设计方案(DOC17页)

您可能关注的文档

确认删除?
VIP
微信客服
  • 扫码咨询
会员Q群
  • 会员专属群点击这里加入QQ群
客服邮箱
回到顶部