电脑桌面
添加小米粒文库到电脑桌面
安装后可以在桌面快捷访问

水电施工组织设计(DOC30页)VIP免费

水电施工组织设计(DOC30页)_第1页
1/19
水电施工组织设计(DOC30页)_第2页
2/19
水电施工组织设计(DOC30页)_第3页
3/19
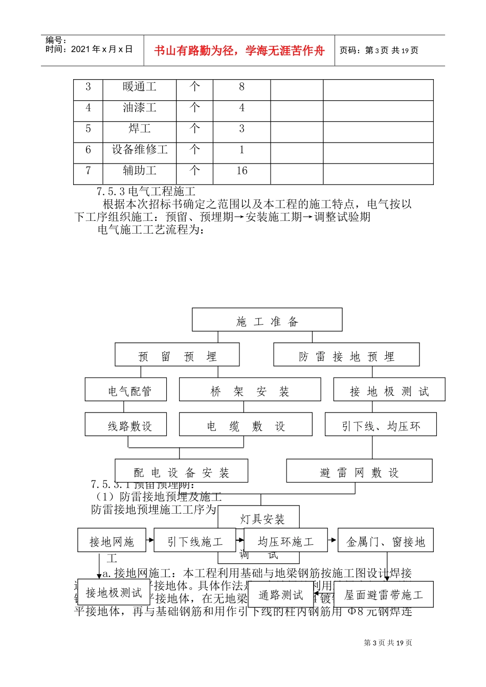
第1页共19页编号:时间:2021年x月x日书山有路勤为径,学海无涯苦作舟页码:第1页共19页7.5水、电、通安装工程施工方案7.5.1安装工程设计概况根据招标文件和施工图纸设计要求,本工程水电安装内容主要包括强电、弱电、生活给排水、消防给水及通风管道安装。7.5.1.1电气工程设计内容:本电气工程设计包括低压配电系统、照明(含应急照明)系统、动力设备配电及控制系统、防雷接地系统、电视电话系统、火灾自动报警系统。在地下室设高低压配电室和发电机房,安装包括各种高低压设备安装以及母线安装,低压配电设备包括各种双电源箱、电机控制箱和照明配电箱等。公建部份电气线路主干线在吊顶上金属线槽内敷设,支线采用金属线槽-穿管暗敷混合方式;住宅室内布线均采用穿阻燃PVC管暗敷;整个低压系统采用三相五线制供电到各用电处。防雷与保护接地系统拟利用结构钢筋作共用接地体,系统接地之总电阻不大于1欧姆。火灾自动报警弱电系统中设有手动报警按纽和广播对讲系统以及感烟、感温探测器等;有线电视主要为线路敷设。7.5.1.2给排水设计内容:本工程给排水设计包括生活给水系统、消防给水系统以及排水、雨水系统。给水水源由由市政给水管网引来,在地下室设有消防水池、生活水池及水泵房,屋顶设高位水箱。室内生活给水由屋顶高位水箱供给,室内生活给水管水表前部份采用热浸镀锌钢管焊接,水表后部份采用PP-R塑料粘接管。消防给水系统由地下层消防水泵和屋顶消防水池共同提供,每层设室内消火栓系统,管道布置成环状,且每层设消防喷淋系统,DN>125mm管道为无缝钢管,DN≤125mm管道采用热浸镀锌钢管,DN≥50mm焊接连接,DN<50mm丝扣连接。污水管道采用高层柔性排水铸铁管,卡箍连接。7.5.1.3通风设计内容:通风设计包括正压送风系统和消防排烟系统。在一层、负一层设排烟系统,每层设排烟风机房,并设排烟风机箱;负一层设送风风机箱和送风机房;排烟系统和通风系统共用一套风管和风机。楼梯间正压送风系统采用分段送风方式,每隔两层设一个正压送风口,高区风机设在屋面层,低区风机设在架空层。所有风管均采用镀锌钢板制作风管。7.5.2安装工程施工准备7.5.2.1主要施工机具、设备需用计划序号设备名称规格型号单位数量备注1直流电焊机AX-4-300型台12交流电焊机BX6-300型台13交流电焊机BX6-500型台24手提砂轮机S3S-150台25手提砂轮机SISI-200台26冲击电钻561型把2第2页共19页编号:时间:2021年x月x日书山有路勤为径,学海无涯苦作舟页码:第2页共19页序号设备名称规格型号单位数量备注7冲击电钻568型把48手枪电钻J12-6-Φ10把59手动葫芦1t台410手动葫芦5t台211切割机J3-B-350台212卷扬机5t台213电动试压泵台114手动试压泵台115台式焊接机20-125mm台1用于PP-R给水管16电子焊接机20-110mm台117机械压接钳套6导线连接18砂轮切割机台37.5.2.2主要施工及测量器具:序号名称规格单位数量备注1水平仪台1管道标高控制2接地电阻仪ZC-8只1测接地电阻3兆欧表ZC-3-500V只2绝缘测试4兆欧表ZC-3-1000V只1绝缘测试5灌水试验装置Φ75~Φ160等套26万用表块27压力表0~1.6MPa块28钳型电流表0~300A;0~500A块17.5.2.3劳动力需用计划一览表:序号工种名称单位使用数量总工日备注1管道工个162电工个16第3页共19页编号:时间:2021年x月x日书山有路勤为径,学海无涯苦作舟页码:第3页共19页3暖通工个84油漆工个45焊工个36设备维修工个17辅助工个167.5.3电气工程施工根据本次招标书确定之范围以及本工程的施工特点,电气按以下工序组织施工:预留、预埋期→安装施工期→调整试验期电气施工工艺流程为:7.5.3.1预留预埋期:(1)防雷接地预埋及施工防雷接地预埋施工工序为:a.接地网施工:本工程利用基础与地梁钢筋按施工图设计焊接连通作共用水平接地体。具体作法是:有地梁处利用地梁底部内两根钢筋焊通作水平接地体,在无地梁处采用-40×4镀锌扁钢焊通作水平接地体,再与基础钢筋和用作引下线的柱内钢筋用Φ8元钢焊连预留预埋防雷接地预埋电气配管桥架安装接地极测试线路敷设电缆敷设引下线、均压环配电设备安装避雷网敷设调试灯具安装施工准备接地网施工引下线施工均压环施工金属门...

1、当您付费下载文档后,您只拥有了使用权限,并不意味着购买了版权,文档只能用于自身使用,不得用于其他商业用途(如 [转卖]进行直接盈利或[编辑后售卖]进行间接盈利)。
2、本站所有内容均由合作方或网友上传,本站不对文档的完整性、权威性及其观点立场正确性做任何保证或承诺!文档内容仅供研究参考,付费前请自行鉴别。
3、如文档内容存在违规,或者侵犯商业秘密、侵犯著作权等,请点击“违规举报”。

碎片内容

水电施工组织设计(DOC30页)

确认删除?
VIP
微信客服
  • 扫码咨询
会员Q群
  • 会员专属群点击这里加入QQ群
客服邮箱
回到顶部