电脑桌面
添加小米粒文库到电脑桌面
安装后可以在桌面快捷访问

某商务港安装工程施工组织设计范本VIP免费

某商务港安装工程施工组织设计范本_第1页
1/83
某商务港安装工程施工组织设计范本_第2页
2/83
某商务港安装工程施工组织设计范本_第3页
3/83
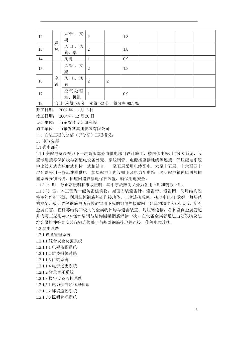
目录第一章工程简介................................................................2第二章组织结构...............................................................15第三章施工准备及配合.........................................................17第四章施工工艺及方案.........................................................23第五章质量、安全的保证措施及环境管理控制....................................131第六章劳动力安排及施工进场计划..............................................198第七章材料及设备检查、采购、检验............................................200第八章安装工程主要材料总计划................................................203第九章安装工程机具、设备计划表..............................................2081工程简介一、工程概况:工程名称:山东某商务港工程地址:济南市经一路建筑面积:90000平方米层数:地下三层,地上四十九层建筑高度:188米结构类型:框架结构质量等级:优良,争创鲁班奖。施工验收标准见下页序号项目名称标准分评定等级备注一级100%二级90%三级80%四级70%五级01室内给排水管道坡度、接口、支架、管件32.72卫生器具、支架阀门、配件32.73检查口、扫除口、地漏21.84室内采暖管道坡度、接口、支架、弯管32.75散热器及支架21.86伸缩器、膨胀水箱21.87室内电气安装线路敷设21.88配电箱(盘、板)21.89照明器具21.810开关插座21.811防雷、动力220.9212通风风管、支架21.813风口、风阀、罩21.814风机10.915空调风管、支架21.816风口、风阀2217空气处理室、机组10.918合计应得35分,实得32分,得分率90.1%开工日期:2002年11月5日竣工日期:2004年12月30日设计单位:山东省某设计研究院施工单位:山东省某集团安装有限公司二、安装工程的分部(子分部)工程概况:1、电气分部1.1强电部分1.1.1变配电室设在地下一层高压部分由供电部门设计施工,楼内供电采用TN-S系统,设置专用接零保护线与各配电设备外壳、穿线钢管、电源插座接地线等连接;低压配电系统中出线方式为放射式和树干式相结合,一至五层采用电缆配电,六至十五层,十六至四十层分别采用三条母线槽供电,楼层配电间内设照明及电力配电箱,照明配电箱内照明与插座系统分别出线,插座回路设漏电保护装置,确保用电安全。1.1.2照明:分正常照明和事故照明,其中事故照明又分为备用照明和疏散照明。1.1.3防雷:本工程为一级防雷建筑物,屋面安装避雷针、避雷带、避雷网,利用结构砼柱主筋作引下线,利用结构钢筋基础作接地体,三者连接成网,接地电阻<1欧姆,每层结构框架、板、梁等钢筋与所有做避雷引下线的钢筋焊接成网,建筑物超过30米以后,所有金属门窗、栏杆等结构和较大的金属物体均与避雷装置、均压环连接,各种竖向金属管道井内每三层用-40*4镀锌扁钢与结构圈梁钢筋焊接一次,在设备金属管道进出建筑物及建筑金属构件等处安装扁钢连接端子与基础钢筋接地体连接,作等电位连接。1.2弱电系统1.2.1设备管理系统1.2.1.1综合安全防范系统1.2.1.1.1电视监视系统1.2.1.1.2防盗报警系统1.2.1.1.3门禁系统1.2.1.1.4电子巡更系统1.2.1.2背景音乐系统1.2.1.3楼宇设备监控系统1.2.1.3.1电力供应监视与管理1.2.1.3.2环境监控系统1.2.1.3.3照明管理系统31.2.1.3.4电梯、扶梯监视1.2.2照明智能管理系统1.2.3通信网络系统1.2.3.1程控数字交换系统1.2.3.2综合布线系统1.2.3.3网络方案1.2.3.4无线对讲系统1.2.3.5室内信号覆盖系统1.2.3.6电视接收系统1.2.3.7视讯会议系统1.2.3.8信息屏蔽系统1.2.4一卡通系统1.2.5办公自动化系统1.2.6系统集成2.水卫分部:本专业内容包括生活给水、中水、废水排水系统。2.1生活给水:给水管材采用涂塑钢管,丝接。给水系统分四个区,地下三层至三层为四区,水源由市政给水管网供给,四层至十五层为下区,十六层至二十七层为中区,二十八至四十层为上区上、中、下三区分别由各区水泵水箱联合供水,三区水泵设于地下三层,生活水池设于地下三层。卫生间热水采用电热水器供给。2.2中水系统:中水系统分三个区,地下三层至十五...

1、当您付费下载文档后,您只拥有了使用权限,并不意味着购买了版权,文档只能用于自身使用,不得用于其他商业用途(如 [转卖]进行直接盈利或[编辑后售卖]进行间接盈利)。
2、本站所有内容均由合作方或网友上传,本站不对文档的完整性、权威性及其观点立场正确性做任何保证或承诺!文档内容仅供研究参考,付费前请自行鉴别。
3、如文档内容存在违规,或者侵犯商业秘密、侵犯著作权等,请点击“违规举报”。

碎片内容

某商务港安装工程施工组织设计范本

您可能关注的文档

中小学文库+ 关注
实名认证
内容提供者

精品资料应用尽有

相关文档

确认删除?
VIP
微信客服
  • 扫码咨询
会员Q群
  • 会员专属群点击这里加入QQ群
客服邮箱
回到顶部