电脑桌面
添加小米粒文库到电脑桌面
安装后可以在桌面快捷访问

某土建工程钢管脚手架施工组织设计方案VIP免费

某土建工程钢管脚手架施工组织设计方案_第1页
1/20
某土建工程钢管脚手架施工组织设计方案_第2页
2/20
某土建工程钢管脚手架施工组织设计方案_第3页
3/20
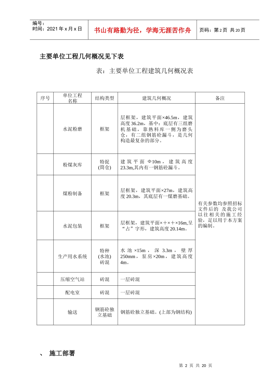
第1页共20页编号:时间:2021年x月x日书山有路勤为径,学海无涯苦作舟页码:第1页共20页1、编制说明及编制依据编制说明为保证本项目施工过程中脚手架搭设、使用、拆除符合有关规范要求特编制本方案,作为脚手架工程施工的原则性指导文件。编制依据1.2.1《建筑施工高处作业安全技术规范》()。1.2.2《建筑施工安全检查标准》()。1.2.3《建筑施工扣件式钢管脚手架安全技术规范》()。1.2.4《建筑施工手册》缩印本第四版。1.2.5招投标文件。1.2.6现场环境和条件。2、工程概况我单位承的区工程项目范围见下表表:区工程项目一览表序号项目编号项目在总图的编号项目名称工作内容号磨水泥输送除钢结构外土建石膏、混合材输送同上水泥粉磨(含粉煤灰库)同上水泥包装同上原煤输送同上煤粉制备及输送同上水泥磨压缩空气站同上生产用水系统同上上述车间的配电室同上煤粉输送管道同上总降压变电站改造同上挡土墙同上厕所同上第2页共20页第1页共20页编号:时间:2021年x月x日书山有路勤为径,学海无涯苦作舟页码:第2页共20页主要单位工程几何概况见下表表:主要单位工程建筑几何概况表、施工部署序号单位工程名称结构类型建筑几何概况备注水泥粉磨框架层框架,建筑平面×46.5m,建筑高度36.2m,基中:底层有三组磨机基础,靠熟料库一侧为磨头仓,有二组钢筋砼漏斗,是几何构造最复杂的部分。有关参数均参照招标文件后的及我公司以往相关的施工经验,足以用于本方案的编制。粉煤灰库特捉(筒仓)建筑平面Ф10m,建筑高度23.3m,其内有一钢筋砼漏斗。煤粉制备框架层框架,建筑平面×27m,建筑高度20.3m,其底层有一煤磨基础。水泥包装框架层框架,建筑平面×+×+×16m,呈“占”字形,建筑高度20.14m。生产用水系统特种(水池)砖混水池×15m,深3.3m,壁厚250mm,泵房×20m,建筑高度4m。压缩空气站砖混一层砖混配电室砖混一层砖混输送钢筋砼独立基础钢筋砼独立基础。(上部为钢结构)第3页共20页第2页共20页编号:时间:2021年x月x日书山有路勤为径,学海无涯苦作舟页码:第3页共20页施工方案的选择根据建筑几何特征及现场的环境和条件,各单位工程的脚手架施工方案确定如下:3.1.1水泥粉磨、煤粉制备、水泥包装等框架结构的主体施工,均搭设满堂(承重支撑)脚手架。3.1.2粉煤灰库主体施工:库外搭设双排结构脚手架,库内搭设满堂(承重支撑)脚手架。3.1.3对砖混屋面现浇结构,室外搭设双排脚手架,室内搭设满堂脚手架。装修施工室外脚手架不变,室内天棚施工完后拆除满堂脚手架,然后搭设简易操作平台施工墙面。质量标准严格按照建筑施工扣件式钢管脚手架安全技术规范()进行验收。材料计划表:钢管扣件材料计划表第4页共20页第3页共20页编号:时间:2021年x月x日书山有路勤为径,学海无涯苦作舟页码:第4页共20页劳动力计划表:劳动力计划表4、脚手架搭设材料要求4.1.1钢管(1)钢管采用Ф×焊管,材质级,钢管的长度不得超过6500mm(最大质量≤25kg)。序号材料名称型号规格单位数量钢管Ф×直角扣件个回转扣件个对接扣件个“”形扣件个说明:以上计划考虑水泥粉磨、粉煤灰库、煤粉制备、水泥包装四个单位平行施工高峰期的用量,具体根据工程进度情况调整。序号工种数量(人)工作内容架子工各类脚手架搭拆与维护、铺脚手板、挂安全网、配合支模等普工配合架子工作业第5页共20页第4页共20页编号:时间:2021年x月x日书山有路勤为径,学海无涯苦作舟页码:第5页共20页(2)新钢管的产品质量合格证,质量检验报告资料齐全,钢管表面应平直光滑,不应有裂缝、结疤、分层、错位、硬弯、毛刺、压痕和深的划道并涂刷防锈漆。(3)旧钢管应检查其锈蚀深度,检查时在锈蚀严重的钢管中抽取三根,在每根锈蚀的部位横向截断取样检查,当锈蚀深度超过表规定的数值时,不得使用。(4)钢管变形不得超过表规定的数值。4.1.2扣件(1)新扣件的生产许可证、测试报告和产品质量合格证资料应齐全。(2)旧扣件应检查其外观,对有裂缝、变形的禁止使用,出现滑丝的螺栓必须更换。(3)新旧扣件均应进行防锈处理。表:钢管的允许偏差第6页共20页第5页共20页编号:时间:2021年x月x日书山有路勤为径,学海无涯苦作舟页码:第6页共20页4.1.3脚手...

1、当您付费下载文档后,您只拥有了使用权限,并不意味着购买了版权,文档只能用于自身使用,不得用于其他商业用途(如 [转卖]进行直接盈利或[编辑后售卖]进行间接盈利)。
2、本站所有内容均由合作方或网友上传,本站不对文档的完整性、权威性及其观点立场正确性做任何保证或承诺!文档内容仅供研究参考,付费前请自行鉴别。
3、如文档内容存在违规,或者侵犯商业秘密、侵犯著作权等,请点击“违规举报”。

碎片内容

某土建工程钢管脚手架施工组织设计方案

确认删除?
VIP
微信客服
  • 扫码咨询
会员Q群
  • 会员专属群点击这里加入QQ群
客服邮箱
回到顶部