电脑桌面
添加小米粒文库到电脑桌面
安装后可以在桌面快捷访问

模具设计与制造专业毕业设计任务书VIP免费

模具设计与制造专业毕业设计任务书_第1页
1/7
模具设计与制造专业毕业设计任务书_第2页
2/7
模具设计与制造专业毕业设计任务书_第3页
3/7
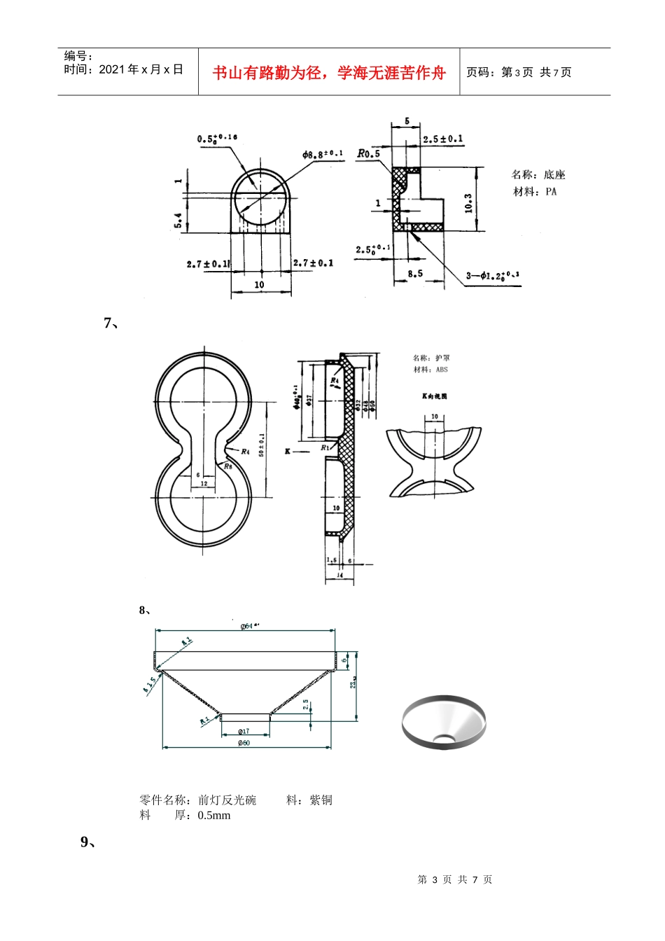
第1页共7页编号:时间:2021年x月x日书山有路勤为径,学海无涯苦作舟页码:第1页共7页2008届模具设计与制造专业毕业设计任务书同学,请你根据自身发展及实际情况,自由选择下列任一课题。(课题后附)设计任务:1、制订注射成型(或冲压成型)工艺方案,工艺卡一张2、模具总装图1张,型芯及凹模零件图(冲压模具凹、凸图)各1张3、设计说明书1份设计要求:1、图纸用CAD绘制,绘制者必须交纸质图及电子文件2、本任务书应与说明书、图纸一同装订成册,并加封面,装入资料袋中3、设计必须认真仔细,允许交流、讨论。参考资料:《模具设计与制造简明手册》、《塑料模图册》等。指导老师:聂小武毕业设计与毕业论文课题一、模具设计类课题:1、所要冲压生产的制件图纸如下:根据如图所示的数据,设计出对应的冲压模具第2页共7页第1页共7页编号:时间:2021年x月x日书山有路勤为径,学海无涯苦作舟页码:第2页共7页2、根据如图所示数据,设计出塑料模具3、名称:碗材料PP塑件的材料采用聚甲基丙烯酸根据上面所提供的信息,设计出相应的塑料模具4、零件名称:垫圈料:H62-M料厚:1.5mm5、零件名称:弹簧片料:QSn6.5-0.1y料厚:0.5mm6、0.15-0第3页共7页第2页共7页编号:时间:2021年x月x日书山有路勤为径,学海无涯苦作舟页码:第3页共7页7、8、零件名称:前灯反光碗料:紫铜料厚:0.5mm9、第4页共7页第3页共7页编号:时间:2021年x月x日书山有路勤为径,学海无涯苦作舟页码:第4页共7页零件名称:油挡材料:10钢料厚:1.5mm10、零件名称:封盖材料:08钢料厚:1.2mm11、零件名称:阶梯圆筒材料:10钢料厚:0.5mm二、模具制造类课题1、落料凹模的制造落料凹模材料Cr12,硬度60—64HRC。第5页共7页第4页共7页编号:时间:2021年x月x日书山有路勤为径,学海无涯苦作舟页码:第5页共7页要求:根据落料凹模的图纸和质量技术要求,拟定合理的工艺方案,并对所拟定的工艺方案进行技术和经济效益的综合分析及评价,编制加工工艺卡(用AutoCAD绘制,打印在A4图纸上);根据拟定的工艺卡,能正确选用机床、刀具、夹具、量具等工艺装备和工艺参数,完成落料凹模的加工(在加工时,允许采用45钢代替,并可以不热处理。);编写工艺设计说明书(不少于3000字);上交电子文档和打印文档并提供样品。2、转子芯片冲头的制造冲头材料DF—2,60—62HRC(淬火温度800—850℃,油冷,回火温度180—225℃,60—62HRC,用作五金箔片冲压模、各种测规。)要求:根据转子芯片冲头的图纸和质量技术要求,拟定合理的工艺方案,并对所拟定的工艺方案进行技术和经济效益的综合分析及评价,编制加工工艺卡(用AutoCAD绘制,打印在A4图纸上);根据拟定的工艺卡,能正确选用机床、刀具、夹具、量具等工艺装备和工艺参数,完成导正销的加工(在加工时,允许采用45钢代替,并可以不热处理。);编写工艺设计说明书(不少于3000字);上交电子文档和打印文档并提供样品。第6页共7页第5页共7页编号:时间:2021年x月x日书山有路勤为径,学海无涯苦作舟页码:第6页共7页3、拉环固定件注塑模具设计与制造完成制作塑料模具设计及对材料、结构、工艺、设备等进行分析,并用CAD软件绘制装配及零件图。三、论文类课题:1、设计并结合生产实践,总结模具设计的体会制动件零件材料Q235A,材料厚度t=2mm,大批量生产,试确定该零件的冲压工艺并设计冲压工序所使用的模具。零件公差:如图尺寸为12的公差等级为IT11,其余按IT14计2、设计并结合生产实践,总结模具设计的体会所示手柄零件,材料为Q235A,厚度为t=1.2mm,中等批量生产。试确定其冲压工艺方案并设计模具。第7页共7页第6页共7页编号:时间:2021年x月x日书山有路勤为径,学海无涯苦作舟页码:第7页共7页3、在车间实践中,总结分析产品的工艺性(面向装配及制造进行工艺性分析)。4、结合工作实践,谈谈模具设计对工业的作用和意义5、结合工作实践,谈谈大学学习与实践工作的关系,有那些启示和感想

1、当您付费下载文档后,您只拥有了使用权限,并不意味着购买了版权,文档只能用于自身使用,不得用于其他商业用途(如 [转卖]进行直接盈利或[编辑后售卖]进行间接盈利)。
2、本站所有内容均由合作方或网友上传,本站不对文档的完整性、权威性及其观点立场正确性做任何保证或承诺!文档内容仅供研究参考,付费前请自行鉴别。
3、如文档内容存在违规,或者侵犯商业秘密、侵犯著作权等,请点击“违规举报”。

碎片内容

模具设计与制造专业毕业设计任务书

确认删除?
VIP
微信客服
  • 扫码咨询
会员Q群
  • 会员专属群点击这里加入QQ群
客服邮箱
回到顶部