电脑桌面
添加小米粒文库到电脑桌面
安装后可以在桌面快捷访问

水利部水工程安全与病害防治工程技术研究中心开放研究基金项目申请VIP免费

水利部水工程安全与病害防治工程技术研究中心开放研究基金项目申请_第1页
1/6
水利部水工程安全与病害防治工程技术研究中心开放研究基金项目申请_第2页
2/6
水利部水工程安全与病害防治工程技术研究中心开放研究基金项目申请_第3页
3/6
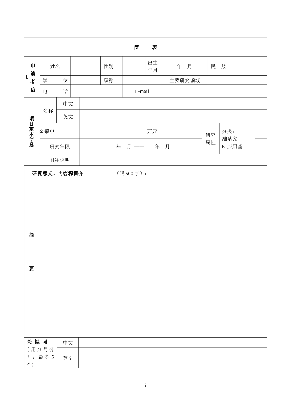
水利部水工程安全与病害防治工程技术研究中心开放研究基金项目申请书项目名称(中文):(英文):申请者:电话:所在单位:联合申请者:单位:E-mail:申报日期:2007年月日水利部水工程安全与病害防治工程技术研究中心制1简表申请者信息姓名性别出生年月年月民族学位职称主要研究领域电话E-mail项目基本信息名称中文英文申请金额万元研究属性分类:A.基础研究B.应用基础研究年限年月——年月附注说明摘要项目研究意义、内容和目标简介(限500字):关键词(用分号分开,最多5个)中文英文2项目组主要人员基本情况表编号姓名年龄性别职称学位单位名称电话在本项目中分工每年工作时间(月)123456789说明:第一位必须是申请者。3经费预算(单位:万元)预算科目名称预算金额预算说明其他经费来源(单位:万元)国家自然科学基金资助经费国家其他计划资助经费其他经费资助(含部门匹配)合计4申请书正文(一)立项依据与研究内容(2000-4000字):1、立项依据(附主要的参考文献目录)。2、研究内容、研究目标,以及拟解决的关键问题。3、拟采取的研究方案及可行性分析。4、特色与创新之处。5、年度研究计划及预期研究成果。(二)研究基础与工作条件1、工作基础2、工作条件3、申请人简历4、申请人曾承担与本课题相关的科研项目情况5第6页共6页编号:时间:2021年x月x日书山有路勤为径,学海无涯苦作舟页码:第6页共6页签字和盖章页申请者:申请者所在单位:课题名称:申请者承诺:我保证申请书内容的真实性。如果获得基金资助,我将履行项目负责人职责,严格遵守《水利部水工程安全与病害防治工程技术研究中心开放研究基金项目管理办法》,切实保证研究工作时间,认真开展工作,按时报送有关材料。若填报失实和违反规定,本人将承担全部责任。签字:申请者所在单位(签章)年月日

1、当您付费下载文档后,您只拥有了使用权限,并不意味着购买了版权,文档只能用于自身使用,不得用于其他商业用途(如 [转卖]进行直接盈利或[编辑后售卖]进行间接盈利)。
2、本站所有内容均由合作方或网友上传,本站不对文档的完整性、权威性及其观点立场正确性做任何保证或承诺!文档内容仅供研究参考,付费前请自行鉴别。
3、如文档内容存在违规,或者侵犯商业秘密、侵犯著作权等,请点击“违规举报”。

碎片内容

水利部水工程安全与病害防治工程技术研究中心开放研究基金项目申请

确认删除?
VIP
微信客服
  • 扫码咨询
会员Q群
  • 会员专属群点击这里加入QQ群
客服邮箱
回到顶部