电脑桌面
添加小米粒文库到电脑桌面
安装后可以在桌面快捷访问

机械设计说明书(空白样本)VIP免费

机械设计说明书(空白样本)_第1页
1/17
机械设计说明书(空白样本)_第2页
2/17
机械设计说明书(空白样本)_第3页
3/17
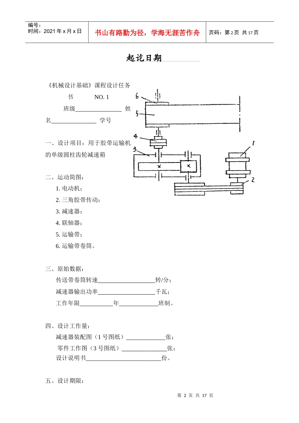
SHANGHAIUNIVERSITY机械零件设计(设计说明书)MACHINEDCOMPONENTDESIGN(Designspecifications)题目:用于胶带运输机的单级圆柱齿轮减速箱设计学院专业学号学生姓名指导教师第2页共17页编号:时间:2021年x月x日书山有路勤为径,学海无涯苦作舟页码:第2页共17页起讫日期《机械设计基础》课程设计任务书NO.1班级姓名学号一、设计项目:用于胶带运输机的单级圆柱齿轮减速箱二、运动简图:1.电动机;2.三角胶带传动;3.减速器;4.联轴器;5.运输带;6.运输带卷筒。三、原始数据:传送带卷筒转速转/分;减速器输出功率千瓦;工作年限年班制。四、设计工作量:减速器装配图(1号图纸)张;零件工作图(3号图纸)张;设计说明书份。五、设计期限:第3页共17页第2页共17页编号:时间:2021年x月x日书山有路勤为径,学海无涯苦作舟页码:第3页共17页年月日至年月日(本任务书须与设计说明书一起装订成册一并交上)第4页共17页第3页共17页编号:时间:2021年x月x日书山有路勤为径,学海无涯苦作舟页码:第4页共17页目录1.传动参数计算…………………………………………………………………42.传动零件的设计计算…………………………………………………………2.1带传动……………………………………………………………………2.2齿轮传动………………………………………………………………………3.轴的设计及强度计算…………………………………………………………3.1高速轴(小齿轮轴)设计……………………………………………………3.2低速轴(大齿轮轴)设计……………………………………………………4.轴承的寿命计算………………………………………………………………4.1高速轴轴承寿命计算……………………………………………………4.2低速轴轴承寿命计算……………………………………………………5.其它零部件选用及强度校核…………………………………………………5.1键的强度校核………………………………………………………………5.2联轴器的选用………………………………………………………………5.3铸铁减速箱体的主要结构尺寸……………………………………………6.技术要求…………………………………………………………………………7.参考文献…………………………………………………………………………8.设计小结…………………………………………………………………………第5页共17页第4页共17页编号:时间:2021年x月x日书山有路勤为径,学海无涯苦作舟页码:第5页共17页计算及说明主要结果1.传动参数计算第6页共17页第5页共17页编号:时间:2021年x月x日书山有路勤为径,学海无涯苦作舟页码:第6页共17页计算及说明主要结果2.传动零件的设计计算2.1带传动第7页共17页第6页共17页编号:时间:2021年x月x日书山有路勤为径,学海无涯苦作舟页码:第7页共17页计算及说明主要结果2.2齿轮传动第8页共17页第7页共17页编号:时间:2021年x月x日书山有路勤为径,学海无涯苦作舟页码:第8页共17页计算及说明主要结果3.轴的设计及强度计算3.1高速轴(小齿轮轴)设计第9页共17页第8页共17页编号:时间:2021年x月x日书山有路勤为径,学海无涯苦作舟页码:第9页共17页计算及说明主要结果3.2低速轴(大齿轮轴)设计第10页共17页第9页共17页编号:时间:2021年x月x日书山有路勤为径,学海无涯苦作舟页码:第10页共17页计算及说明主要结果4.轴承的寿命计算4.1高速轴轴承寿命计算第11页共17页第10页共17页编号:时间:2021年x月x日书山有路勤为径,学海无涯苦作舟页码:第11页共17页计算及说明主要结果4.2低速轴轴承寿命计算第12页共17页第11页共17页编号:时间:2021年x月x日书山有路勤为径,学海无涯苦作舟页码:第12页共17页计算及说明主要结果5.其它零部件选用及强度校核5.1键的强度校核第13页共17页第12页共17页编号:时间:2021年x月x日书山有路勤为径,学海无涯苦作舟页码:第13页共17页计算及说明主要结果5.2联轴器的选用第14页共17页第13页共17页编号:时间:2021年x月x日书山有路勤为径,学海无涯苦作舟页码:第14页共17页计算及说明主要结果5.3铸铁减速箱体的主要结...

1、当您付费下载文档后,您只拥有了使用权限,并不意味着购买了版权,文档只能用于自身使用,不得用于其他商业用途(如 [转卖]进行直接盈利或[编辑后售卖]进行间接盈利)。
2、本站所有内容均由合作方或网友上传,本站不对文档的完整性、权威性及其观点立场正确性做任何保证或承诺!文档内容仅供研究参考,付费前请自行鉴别。
3、如文档内容存在违规,或者侵犯商业秘密、侵犯著作权等,请点击“违规举报”。

碎片内容

机械设计说明书(空白样本)

确认删除?
VIP
微信客服
  • 扫码咨询
会员Q群
  • 会员专属群点击这里加入QQ群
客服邮箱
回到顶部