电脑桌面
添加小米粒文库到电脑桌面
安装后可以在桌面快捷访问

某化纤企业机械工程师职务说明书VIP免费

某化纤企业机械工程师职务说明书_第1页
1/4
某化纤企业机械工程师职务说明书_第2页
2/4
某化纤企业机械工程师职务说明书_第3页
3/4
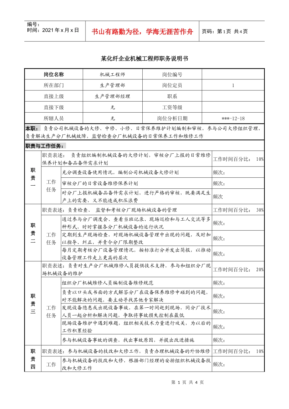
第1页共4页编号:时间:2021年x月x日书山有路勤为径,学海无涯苦作舟页码:第1页共4页某化纤企业机械工程师职务说明书岗位名称机械工程师岗位编号所在部门生产管理部岗位定员1直接上级生产管理部经理职系直接下级无工资等级所辖人员无岗位分析日期***-12-18本职:负责公司机械设备的大修、中修、小修、日常保养维护计划编制和审核,参与公司大修组织管理,负责解决生产分厂机械故障,监督检查分厂机械设备的日常保养工作和维修工作职责与工作任务:职责一职责表述:负责组织编制机械设备的大修计划,审核分厂上报的日常维修保养计划和备品备件需求计划工作时间百分比:10%工作任务充分调查设备使用情况,编制公司机械设备大修计划频次:审核分厂的日常设备维修保养计划频次:对分厂上报机械备品备件需求计划,进行严格的审核,既要满足生产上的需要,又不能造成积压浪费频次职责二职责表述:负责检查、监督和考核分厂现场机械设备的管理工作时间百分比:30%工作任务通过参与分厂调度会、查看当班记录、现场巡检和与工人交流等多种形式,时时掌握各分厂机械设备的运行状况频次:定期到生产现场检查,对现场机械设备管理中出现的问题,及时加以指导、纠正,并责令分厂限期整改频次:每月定期考核分厂设备管理情况,按标准打分并发出简报,以推动设备管理工作走上更高的层次频次:职责三职责表述:负责对生产分厂机械维修人员提供技术支持,参与和组织分厂现场机械设备的维护工作时间百分比:20%工作任务组织分厂机械维修人员编制设备维修规范频次:负责以口头或书面的方式解答分厂在设备保养维修中碰到的问题,对不能解决的问题,要主动寻找其他专家解决频次:发现设备隐患或出现设备事故,在第一时间赶到现场,同分厂技术人员一起分析和解决问题,争取将事故损失控制在最低频次:现场设备维护中遇到难题,组织相关技术力量进行攻关,为以后的工作积累经验频次:参与机械设备事故的调查,找出事故原因,并提出改进措施频次:职责四职责表述:参与机械设备的技改和大修工作,负责办理机械设备的外协维修工作时间百分比:10%工作参与机械设备的技改和大修,根据部门经理的安排组织机械设备技改和大修工作频次:第2页共4页第1页共4页编号:时间:2021年x月x日书山有路勤为径,学海无涯苦作舟页码:第2页共4页任务对生产现场更换下来的机械设备进行鉴定,看是否具有修复价值并联系厂家维修频次:组织分厂开展废旧利用工作,最大限度地发挥设备价值。频次:职责五职责表述:收集行业设备使用信息,定期开展设备经济运行评价工作时间百分比:20%工作任务积极收集行业机械设备最新发展信息,定期提供给部门经理,为公司设备更新工作做准备频次:分析各种设备运行的经济性能,提出设备更新建议频次:组织和指导分厂机械设备国产化工作频次:职责六职责表述:完成上级交办的其他工作工作时间百分比:5%权力:备件计划的审核权外协工作的建议权生产厂设备保养维修计划审核权工作建议权工作协作关系:内部协调关系生产分厂、部门经理、财务部主管、经理、财务总监、生产总监外部协调关系维修厂家、施工单位任职资格:教育水平大学专科及以上学历专业通用或纺织化工机械等相关专业培训经历接受过本行业专业知识培训经验三年以上机械设备工作经验,一年以上设备管理经验知识精通机械制造相关专业的知识,了解专业外语知识技能技巧具有现场基础管理能力,熟练使用工作用办公软件,具有一定的写作能力其它:使用工具设备一般办公自动化设备,需要上网工作环境办公楼环境工作时间特征正常工作时间,偶尔加班,偶尔出差所需记录文档及传达部门和人员记录文档:简报、汇报文件或报告、合同或法律文件、电子邮件;传达部门和人员:分厂设备负责人、物流部仓储主管、综合管理部计划主管、维修厂家、部门经理、生产总监第3页共4页第2页共4页编号:时间:2021年x月x日书山有路勤为径,学海无涯苦作舟页码:第3页共4页考核要点备注:第4页共4页第3页共4页编号:时间:2021年x月x日书山有路勤为径,学海无涯苦作舟页码:第4页共4页

1、当您付费下载文档后,您只拥有了使用权限,并不意味着购买了版权,文档只能用于自身使用,不得用于其他商业用途(如 [转卖]进行直接盈利或[编辑后售卖]进行间接盈利)。
2、本站所有内容均由合作方或网友上传,本站不对文档的完整性、权威性及其观点立场正确性做任何保证或承诺!文档内容仅供研究参考,付费前请自行鉴别。
3、如文档内容存在违规,或者侵犯商业秘密、侵犯著作权等,请点击“违规举报”。

碎片内容

某化纤企业机械工程师职务说明书

中小学文库+ 关注
实名认证
内容提供者

精品资料应用尽有

确认删除?
VIP
微信客服
  • 扫码咨询
会员Q群
  • 会员专属群点击这里加入QQ群
客服邮箱
回到顶部