电脑桌面
添加小米粒文库到电脑桌面
安装后可以在桌面快捷访问

最新外墙机械固定施工方案(钢丝网架)VIP专享VIP免费

最新外墙机械固定施工方案(钢丝网架)_第1页
1/15
最新外墙机械固定施工方案(钢丝网架)_第2页
2/15
最新外墙机械固定施工方案(钢丝网架)_第3页
3/15
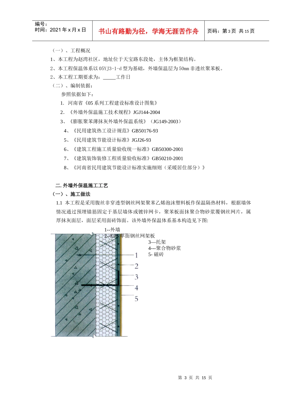
第1页共15页编号:时间:2021年x月x日书山有路勤为径,学海无涯苦作舟页码:第1页共15页外墙外保温工程施工方案方案编制人:项目负责人:方案审批人:第2页共15页第1页共15页编号:时间:2021年x月x日书山有路勤为径,学海无涯苦作舟页码:第2页共15页目录一.工程概况及编制依据二.外墙外保温施工工艺三.质量标准四.质量保证措施五.实现质量目标措施六.成品保护措施七.材料节约措施八.安全及文明措施九.对甲方单位配合要求十.其他注意事项十一.外保温细部做法一.工程概况及编制依据第3页共15页第2页共15页编号:时间:2021年x月x日书山有路勤为径,学海无涯苦作舟页码:第3页共15页(一)、工程概况1、本工程为赵湾社区,地址位于天宝路东段处,主体为框架结构。2、本工程保温体系以05YJ3-1-d型为基础,外墙保温层为50mm非透丝聚苯板。2、本工程工期要求为:工作日(二)、编制依据:参照依据如下:1.河南省《05系列工程建设标准设计图集》2.《外墙外保温施工技术规程》JGJ144-20043、《膨胀聚苯薄抹灰外墙外保温系统》(JG149-2003)4、《民用建筑热工设计规范》GB50176-935、《民用建筑节能设计标准》JGJ26-936、《建筑工程施工质量验收统一标准》GB50300-20017、《建筑装饰装修工程质量验收标准》GB50210-20018、《河南省民用建筑节能设计标准实施细则(采暖居住部分)》二.外墙外保温施工工艺(一)、施工做法1.1本工程是采用腹丝非穿透型钢丝网架聚苯乙烯泡沫塑料板作保温隔热材料,根据墙体情况通过预埋锚筋固定于基层墙体或镀锌网卡,聚苯板面抹聚合物砂浆覆钢丝网片,属厚抹灰面层,面层采用面砖饰面。该外墙外保温体系基本构造见下图:1--外墙2--EPS单面钢丝网架板3—托架4---聚合物砂浆5-磁砖第4页共15页第3页共15页编号:时间:2021年x月x日书山有路勤为径,学海无涯苦作舟页码:第4页共15页2.材料准备2.1材料(1)钢丝网架板:EPS单面钢丝网架板每平方米斜插腹丝不得超过200根,斜插腹丝应为镀锌钢丝,板两面应预喷刷界面砂浆。加工质量除应符合表6.4.2规定外,尚应符合现行行业标准《钢丝网架水泥聚苯乙烯夹心板》JC623有关规定EPS单面钢丝网架板质量要求项目质量要求外观界面砂浆涂敷均匀,与钢丝和EPS板附着牢固焊点质量斜丝脱焊点不超过3%钢丝挑头穿透EPS板挑头不小于30mmEPS板对接板长3000mm范围内EPS板对接不得多于两处,且对接处需用胶粘剂粘牢2)聚苯乙烯泡沫塑料板(以下简称聚苯板):聚苯板为阻燃型外墙保温专用EPS板。聚苯板技术性能要求如下:表1聚苯板技术性能要求表面密度(kg/m3)导热系数(w/m·k)吸水率%(v/v)氧指数(%)抗拉强度(kpa)抗压强度(kpa)厚度(mm)厚度偏差(mm)18≤0.041≤4≥30≥103≥6960±2第5页共15页第4页共15页编号:时间:2021年x月x日书山有路勤为径,学海无涯苦作舟页码:第5页共15页2.2施工工具(1)拌和设备:水桶、剪刀、铲刀、手提式搅拌器。(2)运输设备:手推车、塑料桶、垂直运输设备、铁锹、铲刀。2.3施工条件2.3.1外墙和外门窗口施工及验收完毕。2.3高层建筑外墙贴面砖时,则磁砖的单位面积要≤190cm2,厚度≤0.75cm,单位面积质量小于20kg/㎡。2.3.2外墙达到《混凝土结构工程施工及验收规范》GB50204—92中对“混凝土工程”中对高层大模的要求。2.3.3外墙面必需符合《河南省建筑图集05YJ1》中“外墙面”中“外墙26”的要求:“20厚1:3水泥砂浆(砖墙、钢筋混凝土墙)或2:1:8水泥石灰砖浆(加气混凝土墙)找平。2.3.4操作地点环境温度和基底温度不低于5℃、风力不大于5级,雨雪天不能施工。2.3.5施工所用架子或吊篮已安装且验收完毕。2.3.6在施工过程中,甲方必须提供220V与380V动力电。功率不少于20KW,提供施工用水源。3.施工准备及施工工艺3.1.施工准备3.1.2现场组织准备在工程全面施工前一星期内,项目部人员全部到位,并按照项目负责人的分工和岗位职责着手紧做好施工前的一切准备工作。落实施工材料及施工工具存放地,施工人员住宿安排相关事宜。3.1.3技术准备1)由项目技术负责牵头组织专业技术人员,熟悉消化施工图纸(或效果图等),了解和掌握设计意图、工程的难点和重点,通过图纸会审,积极与设...

1、当您付费下载文档后,您只拥有了使用权限,并不意味着购买了版权,文档只能用于自身使用,不得用于其他商业用途(如 [转卖]进行直接盈利或[编辑后售卖]进行间接盈利)。
2、本站所有内容均由合作方或网友上传,本站不对文档的完整性、权威性及其观点立场正确性做任何保证或承诺!文档内容仅供研究参考,付费前请自行鉴别。
3、如文档内容存在违规,或者侵犯商业秘密、侵犯著作权等,请点击“违规举报”。

碎片内容

最新外墙机械固定施工方案(钢丝网架)

确认删除?
VIP
微信客服
  • 扫码咨询
会员Q群
  • 会员专属群点击这里加入QQ群
客服邮箱
回到顶部