电脑桌面
添加小米粒文库到电脑桌面
安装后可以在桌面快捷访问

某工程项目安全策划方案VIP专享VIP免费

某工程项目安全策划方案_第1页
1/96
某工程项目安全策划方案_第2页
2/96
某工程项目安全策划方案_第3页
3/96
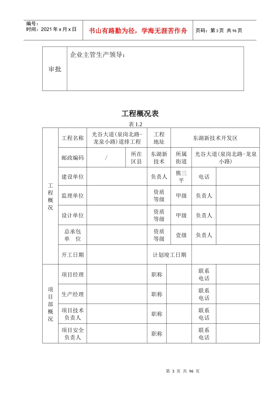
第1页共96页编号:时间:2021年x月x日书山有路勤为径,学海无涯苦作舟页码:第1页共96页1、项目安全策划目录序号项目内容表单编号备注1项目安全策划及审批表1.12工程概况表1.23安全体系组织机构表自定4安全生产领导小组自定5安全管理人员登记表(B、C合格证)1.36安全生产目标自定7危险源(危害)辨识评价表1.48安全生产责任制自定9安全生产责任状自定10安全管理制度汇总表1.511施工现场总平面布置图自定12施工现场安全标志平面布置图自定13施工现场消防平面布置图自定14安全标志、标语、标牌登记表1.615重大危险源公示牌自定16责任制考核记录1.7第2页共96页第1页共96页编号:时间:2021年x月x日书山有路勤为径,学海无涯苦作舟页码:第2页共96页安全策划书审批表表1.1工程名称编制人(项目经理)编制日期年月日评审意见评审部门负责人企业审批部门工程部门技术部门安全部门审核企业安全总监:第3页共96页第2页共96页编号:时间:2021年x月x日书山有路勤为径,学海无涯苦作舟页码:第3页共96页审批企业主管生产领导:工程概况表表1.2工程概况工程名称光谷大道(泉岗北路-龙泉小路)道排工程工程地址东湖新技术开发区邮政编码/所在区县东湖新技术所属街道光谷大道(泉岗北路-龙泉小路)建设单位负责人熊三平电话监理单位资质等级甲级负责人设计单位资质等级甲级负责人总承包单位资质等级壹级负责人开工日期计划竣工日期项目部概况项目经理职称联系电话生产经理职称联系电话项目技术负责人职称联系电话项目安全负责人职称联系电话第4页共96页第3页共96页编号:时间:2021年x月x日书山有路勤为径,学海无涯苦作舟页码:第4页共96页安全监督概况安全管理目标优良受监安全站东湖新技术开发区受检登记日期监督负责人联系电话注:1、项目技术负责人为项目总工,安全负责人为安全总监,未设安全总监的为安全部负责人。2、本表由项目安全负责人填写。项目安全管理人员登记表项目名称:光谷大道(泉岗北路-龙泉小路)道排工程表1.3总承包单位武汉市西亚市政工程有限公司资质证编号安全生产许可证编号发证日期项目经理资格证号编号发证日期项目安全总监(安全负责人)资格证号安全考核合格证编号发证日期安全员资格证号安全考核合格证编号发证日期第5页共96页第4页共96页编号:时间:2021年x月x日书山有路勤为径,学海无涯苦作舟页码:第5页共96页安全员资格证号安全考核合格证编号发证日期安全员资格证号安全考核合格证编号发证日期注:此表由项目安全负责人填写,若有单位变动,应及时变更。危险源(危害)辨识评价表表1.4项目名称:光谷大道(泉岗北路-龙泉小路)道排工程序号危险源名称场所风险等级控制措施要点1钢筋加工4(重大风险)违章作业2钢筋运输、存放5(不容许危险)防护缺陷3钢筋吊运3(中度风险)操作失误信号缺陷4钢筋绑扎、焊接4(重大风险)交叉作业防护缺陷灼烫伤害违章作业电光辐射有毒气体5模板安装、拆除4(重大风险)操作失误6模板运输、存放5(不容许危险)堆放不当消防缺陷违章作业设施缺陷防护缺陷7混凝土搅拌4(重大风险)振动、噪声危害粉尘危害第6页共96页第5页共96页编号:时间:2021年x月x日书山有路勤为径,学海无涯苦作舟页码:第6页共96页8混凝土运输4(不容许危险)机械伤害物体打击物体打击9混凝土浇筑4(中度风险)物体打击高处坠落10砖、砌体工程5(不容许危险)物体打击高处坠落11“四口”防护5(不容许危险)高处坠落12临边防护5(不容许危险)高处坠落物体打击13安全网搭、拆4(重大风险)物体打击高处坠落14管道安装4(重大风险)装卸危害防护不当15电焊4(重大风险)有毒气体光危害16钢筋切断机4(重大风险)违章操作17电焊机4(重大风险)违章操作有毒气体光辐射18对焊机4(重大风险)违章操作光辐射19钢筋弯曲机4(重大风险)违章操作20切割机4(重大风险)违章操作21圆盘锯4(重大风险)违章操作噪声防护缺陷22手持电动工具4(重大风险)违章操作23危险品仓库4(重大风险)消防设施设置不当24木工棚4(重大风险)易燃物质未清理消防设施设置不当25机械用电5(不容许危险)接线不规范线路老化绝缘皮破损第7页共96页第6页共96页编号:时间:2021年x月x日...

1、当您付费下载文档后,您只拥有了使用权限,并不意味着购买了版权,文档只能用于自身使用,不得用于其他商业用途(如 [转卖]进行直接盈利或[编辑后售卖]进行间接盈利)。
2、本站所有内容均由合作方或网友上传,本站不对文档的完整性、权威性及其观点立场正确性做任何保证或承诺!文档内容仅供研究参考,付费前请自行鉴别。
3、如文档内容存在违规,或者侵犯商业秘密、侵犯著作权等,请点击“违规举报”。

碎片内容

某工程项目安全策划方案

确认删除?
VIP
微信客服
  • 扫码咨询
会员Q群
  • 会员专属群点击这里加入QQ群
客服邮箱
回到顶部