电脑桌面
添加小米粒文库到电脑桌面
安装后可以在桌面快捷访问

桑塔纳XXXXGsi轿车电气原理图VIP免费

桑塔纳XXXXGsi轿车电气原理图_第1页
1/29
桑塔纳XXXXGsi轿车电气原理图_第2页
2/29
桑塔纳XXXXGsi轿车电气原理图_第3页
3/29
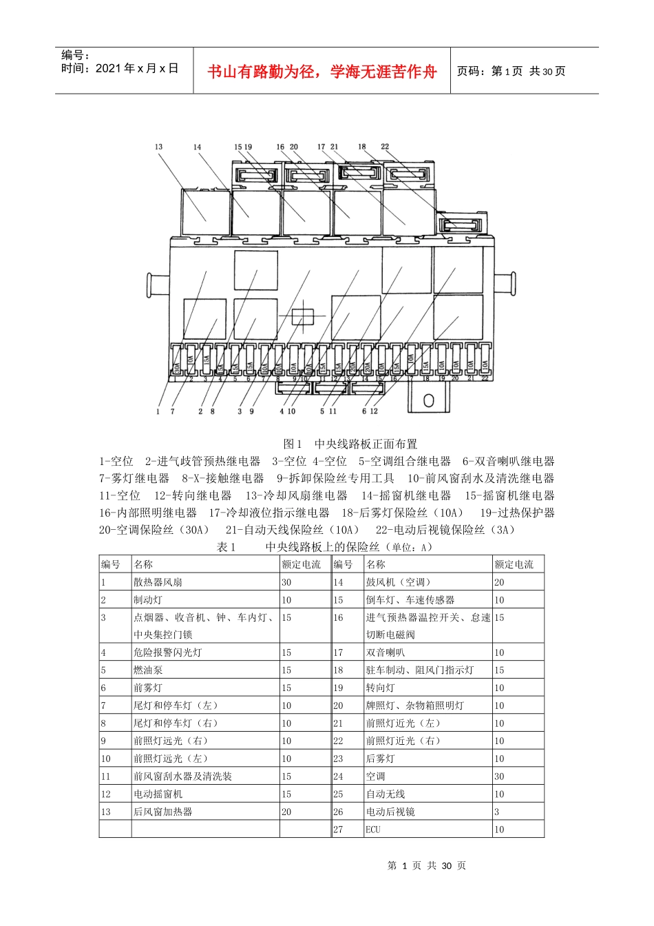
桑塔纳2000Gsi轿车电气原理图第1页共30页编号:时间:2021年x月x日书山有路勤为径,学海无涯苦作舟页码:第1页共30页图1中央线路板正面布置1-空位2-进气歧管预热继电器3-空位4-空位5-空调组合继电器6-双音喇叭继电器7-雾灯继电器8-X-接触继电器9-拆卸保险丝专用工具10-前风窗刮水及清洗继电器11-空位12-转向继电器13-冷却风扇继电器14-摇窗机继电器15-摇窗机继电器16-内部照明继电器17-冷却液位指示继电器18-后雾灯保险丝(10A)19-过热保护器20-空调保险丝(30A)21-自动天线保险丝(10A)22-电动后视镜保险丝(3A)表1中央线路板上的保险丝(单位:A)编号名称额定电流编号名称额定电流1散热器风扇3014鼓风机(空调)202制动灯1015倒车灯、车速传感器103点烟器、收音机、钟、车内灯、中央集控门锁1516进气预热器温控开关、怠速切断电磁阀154危险报警闪光灯1517双音喇叭105燃油泵1518驻车制动、阻风门指示灯156前雾灯1519转向灯107尾灯和停车灯(左)1020牌照灯、杂物箱照明灯108尾灯和停车灯(右)1021前照灯近光(左)109前照灯远光(右)1022前照灯近光(右)1010前照灯远光(左)1023后雾灯1011前风窗刮水器及清洗装1524空调3012电动摇窗机1525自动无线1013后风窗加热器2026电动后视镜327ECU10第2页共30页第1页共30页编号:时间:2021年x月x日书山有路勤为径,学海无涯苦作舟页码:第2页共30页注:保险丝23~27为桑塔纳200OGSi型轿车的编号,插在中央线路板的旁边。图2中央线路板反面布置A-用于仪表板线束,插件颜色为蓝色B-用于连接仪表板线束,插件颜色为红色C-用于连接发动机室左边线束,插件颜色为黄色D-用于连接发动机室右边线束,插件颜色为白色E-用于连接车辆后部线束,插件颜色为黑色G-用于连接单个插头(主要用于冷却液不足指示控制器)H-用于连接空调装置的线束,插件颜色为棕色K-空位L-用于连接双音喇叭等线束,插件颜色为灰色M-空位N-用于单个插头(主要用于进气管预热器的加热电阻的电源)P-用于单个插头(主要用于蓄电池火线与中央线路板“30”的连接,中央线路板“30”与点火开关“30”接线柱连接)R-空位第3页共30页第2页共30页编号:时间:2021年x月x日书山有路勤为径,学海无涯苦作舟页码:第3页共30页图3桑塔纳2000GSi型轿车交流发电机、蓄电池、起动机、点火开关电路图A-蓄电池B-起动机C-交流发电机C1-调压器D-点火开关T2-发动机线束与发电机线束插头连接(2针,在发动机舱中间支架上)T3a-发动机线束与前大灯线束插头连接(3针,在中央线路板后面)②-接地点(在蓄电池支架上)⑨-自身接地-接地连接线(在前大灯线束内)第4页共30页第3页共30页编号:时间:2021年x月x日书山有路勤为径,学海无涯苦作舟页码:第4页共30页图4桑塔纳2000GSi型轿车点火装置、发动机控制单元、霍尔传感器、冷却液温度传感器、进气温度传感器电路图G2-水温表传感器G40-霍尔传感器G62-冷却液温度传感器G72-进气温度传感器J220-发动机控制单元N152-点火线圈P-火花塞插头Q-火花塞S17-发动机控制单元保险丝(10A)T4-前大灯线束与散热扇控制器插头连接(4针,在散热风扇控制器上)T8a-发动机线束与发动机右线束插头连接(8针,在发动机舱中间支架上)T80-发动机线束、发动机右线束与发动机控制单元插头连接(80针,在发动机控制单元上)④-接地点(在离合器壳上的支架上)⑨-自身接地-连接线(在发动机右线束内)-+5V连接线(在发动机右线束内)第5页共30页第4页共30页编号:时间:2021年x月x日书山有路勤为径,学海无涯苦作舟页码:第5页共30页图5桑塔纳2000GSi型轿车发动机控制单元、节气门控制部件、1、2缸爆震传感器电路图F60-怠速开关G61-1、2缸爆震传感器G69-节气门电位计G88-节气门定位电位计J220-发动机控制单元J338-节气门控制部件T3c-发动机右线束与1、2缸爆震传感器插头连接(3针,在发动机舱中间支架上)T8b-发动机右线束与节气门控制部件插头连接(8针,在节气门控制部件上)T80-发动机线束、发动机右线束与发动机控制单元插头连接(80针,在发动机控制单元上)V60-节气门定位器-连接线(在发动机右线束内)第6页共30页第5页共30页编号:时间:2021年x月x日书山有路...

1、当您付费下载文档后,您只拥有了使用权限,并不意味着购买了版权,文档只能用于自身使用,不得用于其他商业用途(如 [转卖]进行直接盈利或[编辑后售卖]进行间接盈利)。
2、本站所有内容均由合作方或网友上传,本站不对文档的完整性、权威性及其观点立场正确性做任何保证或承诺!文档内容仅供研究参考,付费前请自行鉴别。
3、如文档内容存在违规,或者侵犯商业秘密、侵犯著作权等,请点击“违规举报”。

碎片内容

桑塔纳XXXXGsi轿车电气原理图

精品中小学文档+ 关注
实名认证
内容提供者

精品资料,值得下载

确认删除?
VIP
微信客服
  • 扫码咨询
会员Q群
  • 会员专属群点击这里加入QQ群
客服邮箱
回到顶部