电脑桌面
添加小米粒文库到电脑桌面
安装后可以在桌面快捷访问

燃气集团安全技术部部门职责VIP免费

燃气集团安全技术部部门职责_第1页
1/9
燃气集团安全技术部部门职责_第2页
2/9
燃气集团安全技术部部门职责_第3页
3/9
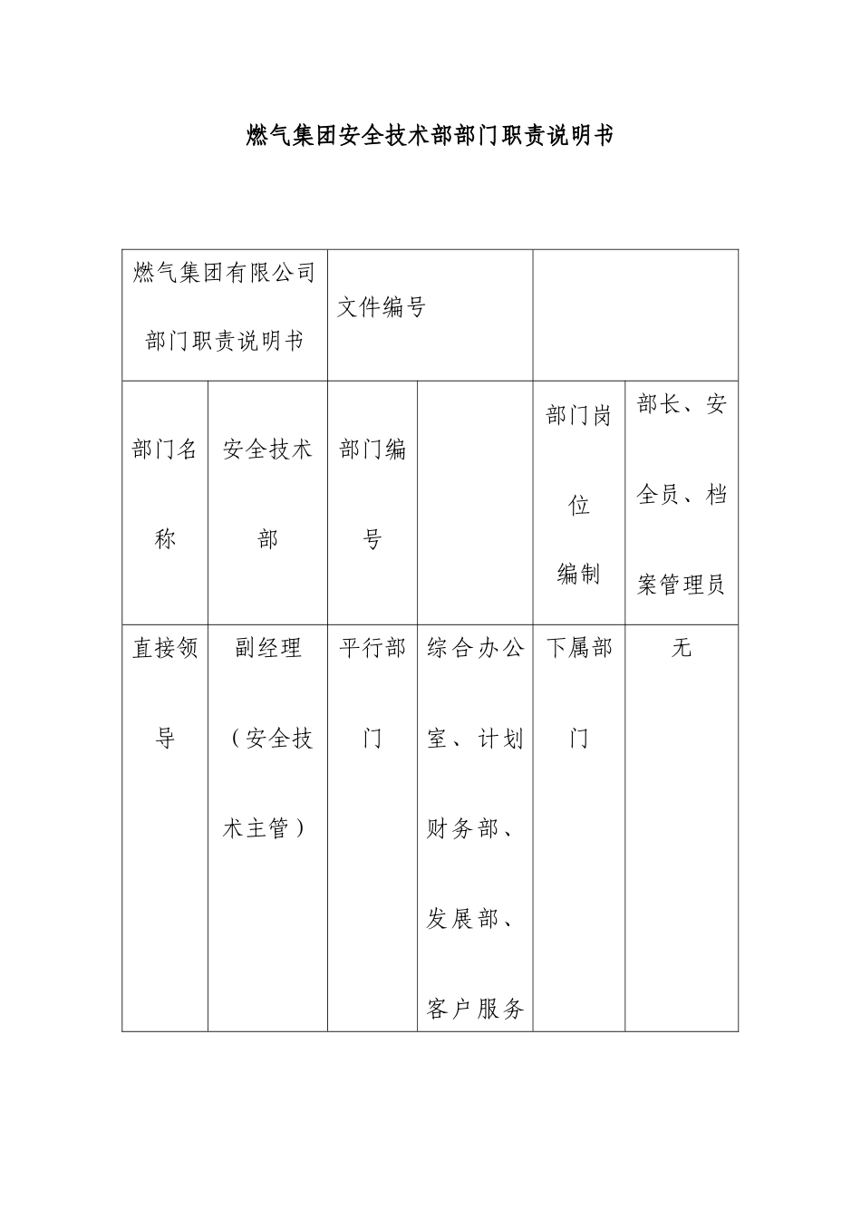
燃气集团安全技术部部门职责说明书燃气集团有限公司部门职责说明书文件编号部门名称安全技术部部门编号部门岗位编制部长、安全员、档案管理员直接领导副经理(安全技术主管)平行部门综合办公室、计划财务部、发展部、客户服务下属部门无第3页共9页编号:时间:2021年x月x日书山有路勤为径,学海无涯苦作舟页码:第3页共9页部、供气服务部、工程部、大工业区客户服务部、天然气置换办公室第4页共9页编号:时间:2021年x月x日书山有路勤为径,学海无涯苦作舟页码:第4页共9页部门定义作为公司日常安全管理工作常设机构,负责制定年度安全计划、制订有关管理制度、负责组织日常、专项安全检查,跟踪隐患落实整改,负责事故处理。第5页共9页编号:时间:2021年x月x日书山有路勤为径,学海无涯苦作舟页码:第5页共9页具体功能描述战略管理计划预算1.每年年初制定消防安全年度计划,规划消防安全基金。2.每年年末提交消防安全总结,分析全年消防安全工作形势,提出改进建议。3.制定部门每月工作计划,对各部门消防安全工作检查监督。4.每月向集团主管部门提交小结。5.协助有关部门开展需要安全技术支持的工作。6.传达上级有关部门的文件、制度,监督各部门落实实施。第6页共9页编号:时间:2021年x月x日书山有路勤为径,学海无涯苦作舟页码:第6页共9页市场营销运行管理组织和人力资源管理员工培养负责公司新员工安全教育、员工日常安全培训教育。其它工作1.协助客户服务部对用户进行安全培训。2.协助开展隐患整改。第7页共9页编号:时间:2021年x月x日书山有路勤为径,学海无涯苦作舟页码:第7页共9页流程负责负责流程1.负责公司消防器材、专用劳保用品的购置、发放。2.负责制定并组织实施公司技术发展总体规划,负责新技术、新工艺、新材料的考察、论证、选型和推广应用,负责公司的对外技术服务,负责联系落实设备的检修、大修和更新改造计划。3.负责公司的消防安全宣传工作,对公司员工进行安全培训、演练,对新进员工进行三级安全教育。4.负责组织公司日常、专项安全检查。5.管理公司保安人员,负责公司内部治安保卫和防范工作。第8页共9页编号:时间:2021年x月x日书山有路勤为径,学海无涯苦作舟页码:第8页共9页参与流程1.公司各压力容器的检测和安全阀、压力表及防雷、防静电设施的检查校验。2.集团公司组织企业安全技术标准的编制、修订。监督流程运行、施工现场、高空、深沟、动火等危险作业;平行部门关系监督检查各客户服务部、供气服务部、工程部、大工业区客户服务部、天然气置换办公室的安全管理制度落实、安全技术资料管理和现场管理情况,提出整改意见。第9页共9页编号:时间:2021年x月x日书山有路勤为径,学海无涯苦作舟页码:第9页共9页编制审核批准生效日期

1、当您付费下载文档后,您只拥有了使用权限,并不意味着购买了版权,文档只能用于自身使用,不得用于其他商业用途(如 [转卖]进行直接盈利或[编辑后售卖]进行间接盈利)。
2、本站所有内容均由合作方或网友上传,本站不对文档的完整性、权威性及其观点立场正确性做任何保证或承诺!文档内容仅供研究参考,付费前请自行鉴别。
3、如文档内容存在违规,或者侵犯商业秘密、侵犯著作权等,请点击“违规举报”。

碎片内容

燃气集团安全技术部部门职责

确认删除?
VIP
微信客服
  • 扫码咨询
会员Q群
  • 会员专属群点击这里加入QQ群
客服邮箱
回到顶部