电脑桌面
添加小米粒文库到电脑桌面
安装后可以在桌面快捷访问

煤气平衡、硫平衡与水平衡VIP专享VIP免费

煤气平衡、硫平衡与水平衡_第1页
1/7
煤气平衡、硫平衡与水平衡_第2页
2/7
煤气平衡、硫平衡与水平衡_第3页
3/7
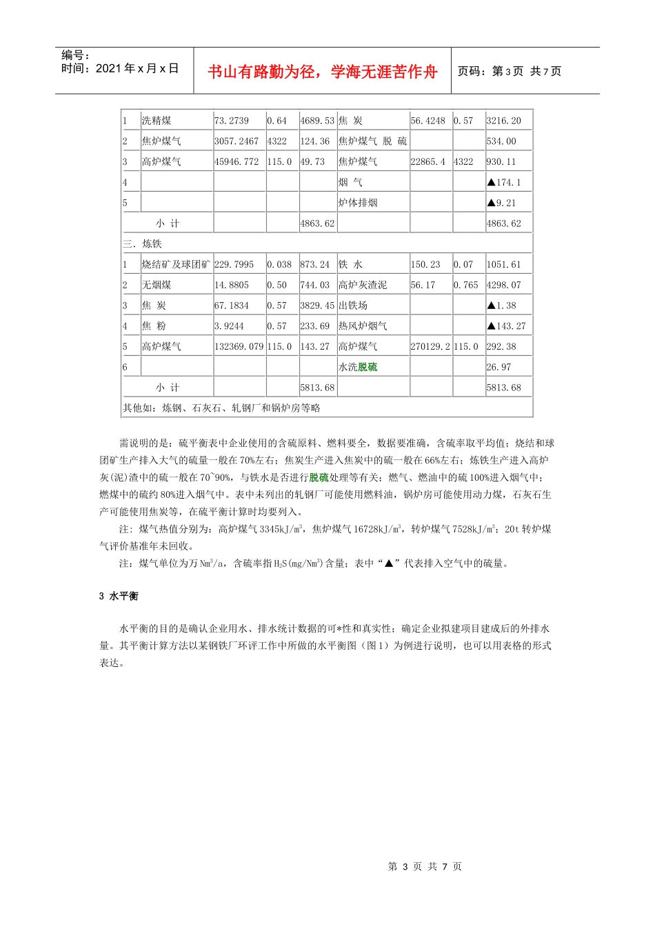
第1页共7页编号:时间:2021年x月x日书山有路勤为径,学海无涯苦作舟页码:第1页共7页在建设项目环境影响评价工作中,为掌握被评价企业或建设项目排放的各种污染物量,必须从源头——原材料、辅料、燃料的消耗量开始进行分析,即从煤气平衡、硫平衡、水平衡及其他物料(酸、碱、铬、氟等)平衡着手分析,使统计或计算的污染物排放量能比较真实地反映企业在生产中的实际情况,这是环保管理部门及环评报告书审查专家非常重视的内容。笔者根据多年来参加数个大型冶金工厂等建设项目环境影响评价工作的体会,就上述物料平衡问题谈谈自己的看法。1煤气平衡通常冶金工厂使用的煤气有:高炉煤气、焦炉煤气和转炉煤气,少数企业还使用发生炉煤气。各种煤气在使用中的含尘浓度一般在10mg/m3左右,“OG”法净化的转炉煤气含尘约50mg/m3,经电除尘器进一步净化到10mg/m3后供用户使用;因此煤气在使用过程中产生的尘量,在环评工作中可不进行统计。煤气平衡的目的:一是确认企业煤气使用情况,为计算各生产系统的SO2排放量作基础;二是确认企业是否实施清洁生产,煤气资源得到充分和合理的利用;三是确认建设项目建成后企业煤气是否够用,是否使用或需要补充动力煤、重油等产生污染物量较大的工业燃料。表1中列出了某钢铁厂环评工作中所做的煤气平衡表。表1某钢铁厂拟建项目建成前后煤气平衡表单位:万m3/a企业名称项目建设前项目建设后备注高炉煤气焦炉煤气高炉煤气焦炉煤气转炉煤气产生量:某钢铁厂30910145314309101453140评价基准年产生量33228铁增加17.95万吨6523现有20t转炉(吨钢回收70m3)8840新建100t转炉(吨钢回收85m3)合计309101453143423294531415363消耗量:焦化318601725431860172540产量不变球团1176101896100增加3#竖炉,增耗气7200万m3/a炼铁1282103571419933950增产17.95万吨,增耗气10.75%转炉炼钢1401448084326970减产61.6万吨,减耗气39.8%动力厂3661277611313222930余热利用工程产生蒸汽,可减锅炉耗气:第2页共7页第1页共7页编号:时间:2021年x月x日书山有路勤为径,学海无涯苦作舟页码:第2页共7页高气23479.84万m3/a、焦气5468.6183万m3/a拟建工程000143311089新建其他1823614602101307203823433如烧结、电炉炼钢、各轧钢厂及耐火厂等放散8102186034233860841回收原放散高气:46788万m3/a合计309101453143423294531415363放散率(%)26.21.910.01.95.5一般情况下企业能源部门对煤气的使用现状可提出资料,评价单位可依据所提资料按表1的形式进行统计,从表中煤气放散率大小分析煤气资源是否得到充分利用。通常焦炉煤气使用情况较好,转炉煤气回收部分的使用情况也较好,但个别企业小转炉煤气未回收或吨钢回收率较低,而高炉煤气放散率往往较高。评价单位应通过煤气平衡分析,对企业提出要求进行技术改造,开发新的煤气利用途径,充分利用煤气资源,提高煤气利用率。通常情况下,企业往往难以提出工程建成后的煤气平衡资料,此时需要评价单位按表1中备注栏的方式进行煤气平衡计算,当煤气不足时,评价单位需通过煤气热值及热效率核算,建议企业进行煤气的可行性置换调整或用燃油补充煤气的不足;如:用高炉煤气置换动力厂、焦化厂、轧钢厂的部分焦炉煤气,用转炉煤气置换轧钢厂的焦炉煤气,在煤气不够的情况下用燃油置换轧钢厂的煤气等;煤气平衡结果要请企业确认,这是进行企业建设项目建成后SO2排放量计算的依据。2硫平衡硫平衡计算的目的是核对企业所排放的SO2量,是否与其使用的含硫原料、燃料所应排放的量相吻合。其平衡方法以某钢铁厂环评工作中所做的硫平衡表为例进行说明,见表2。表2某钢铁厂现有工程硫平衡表序号进入产(排)出进料名称进入量(万t/a)含硫率(%)含硫量(t/a)出料名称产(排)量(万t/a)含硫率(%)含硫量(t/a)一.烧结及球团1进口矿119.340.0168200.49烧结矿及球团矿230.260.038874.532精矿粉73.410.2051504.91烟气▲2140.783澳矿粉9.780.10299.764原矿粉20.370.237482.775无烟煤6.21930.5310.976焦粉6.02710.57343.547焦炉煤气1526.0789432262.088高炉煤气9962.9190115.010.79小计3015.313015.31二.焦炉第3页共7页第2页共7页编号:时间:2021年x月x日书山有路勤...

1、当您付费下载文档后,您只拥有了使用权限,并不意味着购买了版权,文档只能用于自身使用,不得用于其他商业用途(如 [转卖]进行直接盈利或[编辑后售卖]进行间接盈利)。
2、本站所有内容均由合作方或网友上传,本站不对文档的完整性、权威性及其观点立场正确性做任何保证或承诺!文档内容仅供研究参考,付费前请自行鉴别。
3、如文档内容存在违规,或者侵犯商业秘密、侵犯著作权等,请点击“违规举报”。

碎片内容

煤气平衡、硫平衡与水平衡

精品中小学文档+ 关注
实名认证
内容提供者

精品资料,值得下载

确认删除?
VIP
微信客服
  • 扫码咨询
会员Q群
  • 会员专属群点击这里加入QQ群
客服邮箱
回到顶部