电脑桌面
添加小米粒文库到电脑桌面
安装后可以在桌面快捷访问

常用电子元器件基础简介VIP免费

常用电子元器件基础简介_第1页
1/30
常用电子元器件基础简介_第2页
2/30
常用电子元器件基础简介_第3页
3/30
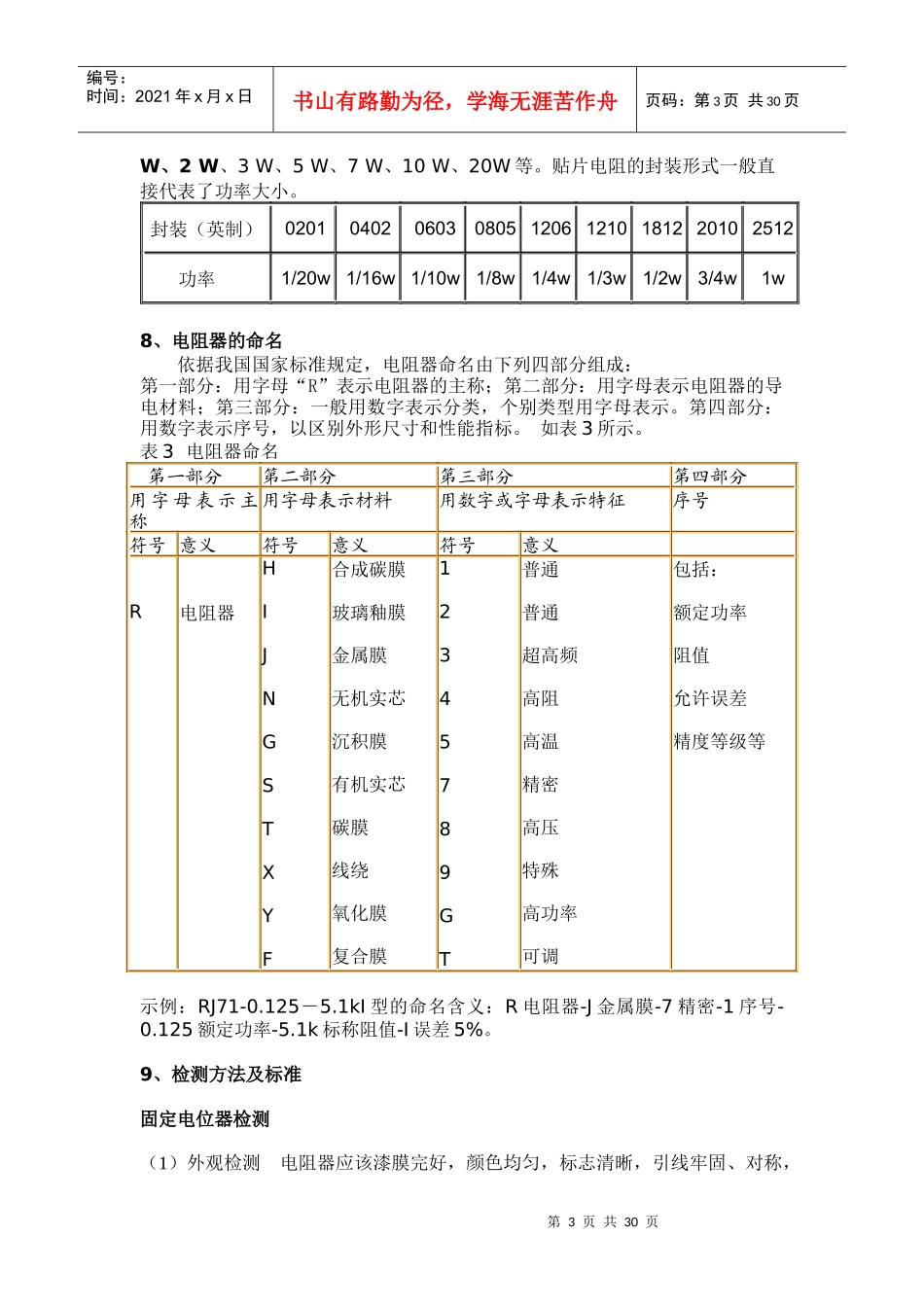
第1页共30页编号:时间:2021年x月x日书山有路勤为径,学海无涯苦作舟页码:第1页共30页常用电子元器件基础知识部分电气元器件图形符号名称图形符号名称第2页共30页第1页共30页编号:时间:2021年x月x日书山有路勤为径,学海无涯苦作舟页码:第2页共30页电阻1、定义:导电体对电流的阻碍作用称为电阻。当在一个电阻器的两端加上1伏特的电压时,如果在这个电阻器中有1安培的电流通过,则这个电阻器的阻值为1欧姆。2、符号:R;3、单位:Ω、kΩ、MΩ4、公式:R=U/I5、作用:在电路中通常起分压、限流的作用。交流与直流信号都可以通过电阻。常见的用法如上拉、下拉电阻、阻抗匹配,与其它元件一起可构成一些功能电路,如RC电路等。6、分类:根据阻值可分为固定电阻器和电位器;根据材料可分为碳膜电阻、碳质电阻、金属膜电阻等;根据封装形式分为直插电阻和贴片电阻。7、性能指标:标称阻值、允许偏差、额定功率等。1)标称阻值:电阻器表面上标志的电阻值就是标称阻值。标称阻值都应符合下表1所列数值乘以10N欧,其中N为整数。EIA(电子工业协会)对电阻元件的规格的定义有E3,E6,E12,E24,E48,E96,E192,常见的为E12系列和E24系列表1电阻器标称阻值系列系列代号允许误差标称阻值系列E24±5%(Ⅰ)1.01.11.21.31.51.61.82.02.22.42.73.03.33.63.94.34.75.15.66.26.87.58.29.1(共24个)E12±10%(Ⅱ)1.01.21.51.82.22.73.33.94.75.66.88.2(共12个)E6±20%(Ⅲ)1.01.52.23.34.76.82)允许偏差:电阻器的实际阻值对于标称阻值所允许最大偏差范围,它标志着电阻器的阻值精度。δ=(R-Rr)/Rr×100%。其中R为电阻器的实际电阻值;Rr为电阻器的标称电阻值;δ为电阻器的允许偏差。表2电阻器允许误差允许误差/%±0.1±0.25±0.5±1±2±5或Ⅰ±10或Ⅱ±20或Ⅲ标志符号BCDFGJKM允许误差/%±0.001±0.002±0.005±0.01±0.02±0.05或Ⅰ--±30标志符号YXELPW--N3)额定功率:电阻器在直流或交流电路中,当在一定大气压力下和在产品中规定的温度下,长期连续工作所允许承受的最大功率。电阻所消耗功率的计算公式:P=IU或P=I2×R或P=U2/R。额定功率分19个等级,常用的有0.05W(1/10)、0.125W(1/8)、0.25W(1/4)、0.5W(1/2)、1第3页共30页第2页共30页编号:时间:2021年x月x日书山有路勤为径,学海无涯苦作舟页码:第3页共30页W、2W、3W、5W、7W、10W、20W等。贴片电阻的封装形式一般直接代表了功率大小。封装(英制)020104020603080512061210181220102512功率1/20w1/16w1/10w1/8w1/4w1/3w1/2w3/4w1w8、电阻器的命名依据我国国家标准规定,电阻器命名由下列四部分组成:第一部分:用字母“R”表示电阻器的主称;第二部分:用字母表示电阻器的导电材料;第三部分:一般用数字表示分类,个别类型用字母表示。第四部分:用数字表示序号,以区别外形尺寸和性能指标。如表3所示。表3电阻器命名第一部分第二部分第三部分第四部分用字母表示主称用字母表示材料用数字或字母表示特征序号符号意义符号意义符号意义R电阻器HIJNGSTXYF合成碳膜玻璃釉膜金属膜无机实芯沉积膜有机实芯碳膜线绕氧化膜复合膜12345789GT普通普通超高频高阻高温精密高压特殊高功率可调包括:额定功率阻值允许误差精度等级等示例:RJ71-0.125-5.1kI型的命名含义:R电阻器-J金属膜-7精密-1序号-0.125额定功率-5.1k标称阻值-I误差5%。9、检测方法及标准固定电位器检测(1)外观检测电阻器应该漆膜完好,颜色均匀,标志清晰,引线牢固、对称,第4页共30页第3页共30页编号:时间:2021年x月x日书山有路勤为径,学海无涯苦作舟页码:第4页共30页外形端正,无断裂、烧焦现象。贴片电阻焊盘应和电阻连接紧密,无焊盘翘起等外观异常。(2)质量检测用数字万用表电阻档测量阻值。为了提高测量精度,应根据被测电阻标称值的大小来选择量程,尽量使电阻的测量值落在满量程的20%~80%范围内。电阻器的标称符合规定并且实际阻值在允许误差范围内视为合格。电阻器的实际阻值是指用万用表测得的电阻两引线间修正后的阻值。测量时万用表数值指示应稳定。如果显示不稳定,表明电阻体与引线接触不良。如果万用表指示为零,表明电阻...

1、当您付费下载文档后,您只拥有了使用权限,并不意味着购买了版权,文档只能用于自身使用,不得用于其他商业用途(如 [转卖]进行直接盈利或[编辑后售卖]进行间接盈利)。
2、本站所有内容均由合作方或网友上传,本站不对文档的完整性、权威性及其观点立场正确性做任何保证或承诺!文档内容仅供研究参考,付费前请自行鉴别。
3、如文档内容存在违规,或者侵犯商业秘密、侵犯著作权等,请点击“违规举报”。

碎片内容

常用电子元器件基础简介

您可能关注的文档

确认删除?
VIP
微信客服
  • 扫码咨询
会员Q群
  • 会员专属群点击这里加入QQ群
客服邮箱
回到顶部