电脑桌面
添加小米粒文库到电脑桌面
安装后可以在桌面快捷访问

大灯清洗装置电气线路图(1)VIP免费

大灯清洗装置电气线路图(1)_第1页
1/15
大灯清洗装置电气线路图(1)_第2页
2/15
大灯清洗装置电气线路图(1)_第3页
3/15
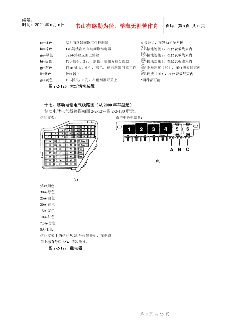
第1页共15页编号:时间:2021年x月x日书山有路勤为径,学海无涯苦作舟页码:第1页共15页大灯清洗装置电气线路图(从2000年车型起)大灯清洗装置电气线路图如图2-2-125~图2-2-126所示。熔丝支架:(a)微型中央电器盒:(b)熔丝颜色:30A-绿色25A-白色20A-黄色15A-蓝色10A-红色7.5A-棕色5A-米色熔丝支架上的熔丝从23号位置开始,在电路图上标有号码223,依次类推。继电器布局:清洗刮水自动间歇继电器(J31)图2-2-125继电器第2页共15页第1页共15页编号:时间:2021年x月x日书山有路勤为径,学海无涯苦作舟页码:第2页共15页ws=白色sw=黑色E1-灯开关E22-雨刮器间歇工作开关V5-风窗清洗泵V11-大灯清洗泵第3页共15页第2页共15页编号:时间:2021年x月x日书山有路勤为径,学海无涯苦作舟页码:第3页共15页ro=红色br=棕色gn=绿色bi=蓝色gr=灰色li=紫色ge=黄色E28-雨刮器间歇工作控制器J31-清洗刮水自动间歇继电器S224-熔丝支架上熔丝T2b-插头,2孔,黑色,左侧A柱分线器T6ac-插头,6孔,棕色,在雨刮器间歇工作控制器上T8i-插头,8孔,在雨刮器开关上-接地点,在发动机舱左侧-接地连接1,在仪表板线束内-接地连接2,在仪表板线束内-接地连接3,在仪表板线束内-正极连接(30),在仪表板线束内-连接(56),在仪表板线束内*两种都可能图2-2-126大灯清洗装置十七、移动电话电气线路图(从2000年车型起)移动电话电气线路图如图2-2-127~图2-2-130所示。熔丝支架:(a)微型中央电器盒:(b)熔丝颜色:30A-绿色25A-白色20A-黄色15A-蓝色10A-红色7.5A-棕色5A-米色熔丝支架上的熔丝从23号位置开始,在电路图上标有号码223,依次类推。图2-2-127继电器第4页共15页第3页共15页编号:时间:2021年x月x日书山有路勤为径,学海无涯苦作舟页码:第4页共15页第5页共15页第4页共15页编号:时间:2021年x月x日书山有路勤为径,学海无涯苦作舟页码:第5页共15页ws=白色sw=黑色ro=红色br=棕色gn=绿色bi=蓝色gr=灰色li=紫色ge=黄色D-点火开关J412-电话电控单元R38-电话麦克风S5-熔丝支架上熔丝S8-熔丝支架上熔丝T2au-插头,2孔,用于麦克风,左侧A柱分线器T3as-插头,3孔,蓝色,左侧A柱分线器T15a-插头,15孔,蓝色,左侧A柱分线器-接地连接,在电话线束内-正极连接(15),在仪表板线束内-连接(15a),在仪表板线束内-正极连接2(30),在仪表板线束内-正极连接(30),在电话线束内图2-2-128移动电话(一)第6页共15页第5页共15页编号:时间:2021年x月x日书山有路勤为径,学海无涯苦作舟页码:第6页共15页ws=白色sw=黑色ro=红色br=棕色gn=绿色bi=蓝色J218-仪表板内组合处理器J412-电话电控单元R-收录机T10z-插头,10孔,红色,收录机插头ⅣT15a-插头,15孔,蓝色,左侧A柱分线器T32-插头,32孔,蓝色,在仪表板上-连接(58s),在仪表板线束内(开关照明)-连接(车速信号),在仪表板线束内第7页共15页第6页共15页编号:时间:2021年x月x日书山有路勤为径,学海无涯苦作舟页码:第7页共15页gr=灰色li=紫色ge=黄色图2-2-129移动电话(二)ws=白色J412-电话电控单元R54-移动电话第8页共15页第7页共15页编号:时间:2021年x月x日书山有路勤为径,学海无涯苦作舟页码:第8页共15页sw=黑色ro=红色br=棕色gn=绿色bi=蓝色gr=灰色li=紫色ge=黄色R-收录机R1-天线接头R24-天线放大器R45-天线放大器(电话/收录机)R51-收录机/电话/停车加热天线R52-收录机/电话天线R86-移动电话放大器-接地点,左侧A柱下部-接地连接,在电话线束内*带鞭形天线的车**带隔音玻璃的车图2-2-130移动电话(三)十八、Concert立体声收录机电气线路图(从2000年车型起)Concert立体声收录机电气线路图如图2-2-131~图2-2-135所示。熔丝支架:(a)微型中央电器盒:(b)熔丝颜色:30A-绿色25A-白色20A-黄色15A-蓝色10A-红色7.5A-棕色5A-米色熔丝支架上的熔丝从23号位置开始,在电路图上标有号码223,依次类推。继电器布局:清洗刮水自动间歇继电器(J31)图2-2-131继电器第9页共15页第8页共15页编号:时间:2021年x月x日书山有路勤为径,学海无涯苦作舟页码:第9页共15页第10页共15页第9页共15页编号:时间:2021年x月x日书山有路勤为径,学海无...

1、当您付费下载文档后,您只拥有了使用权限,并不意味着购买了版权,文档只能用于自身使用,不得用于其他商业用途(如 [转卖]进行直接盈利或[编辑后售卖]进行间接盈利)。
2、本站所有内容均由合作方或网友上传,本站不对文档的完整性、权威性及其观点立场正确性做任何保证或承诺!文档内容仅供研究参考,付费前请自行鉴别。
3、如文档内容存在违规,或者侵犯商业秘密、侵犯著作权等,请点击“违规举报”。

碎片内容

大灯清洗装置电气线路图(1)

精品中小学文档+ 关注
实名认证
内容提供者

精品资料,值得下载

确认删除?
VIP
微信客服
  • 扫码咨询
会员Q群
  • 会员专属群点击这里加入QQ群
客服邮箱
回到顶部