电脑桌面
添加小米粒文库到电脑桌面
安装后可以在桌面快捷访问

城市轨道交通工程质量安全检查指南(精编版)VIP免费

城市轨道交通工程质量安全检查指南(精编版)_第1页
1/65
城市轨道交通工程质量安全检查指南(精编版)_第2页
2/65
城市轨道交通工程质量安全检查指南(精编版)_第3页
3/65
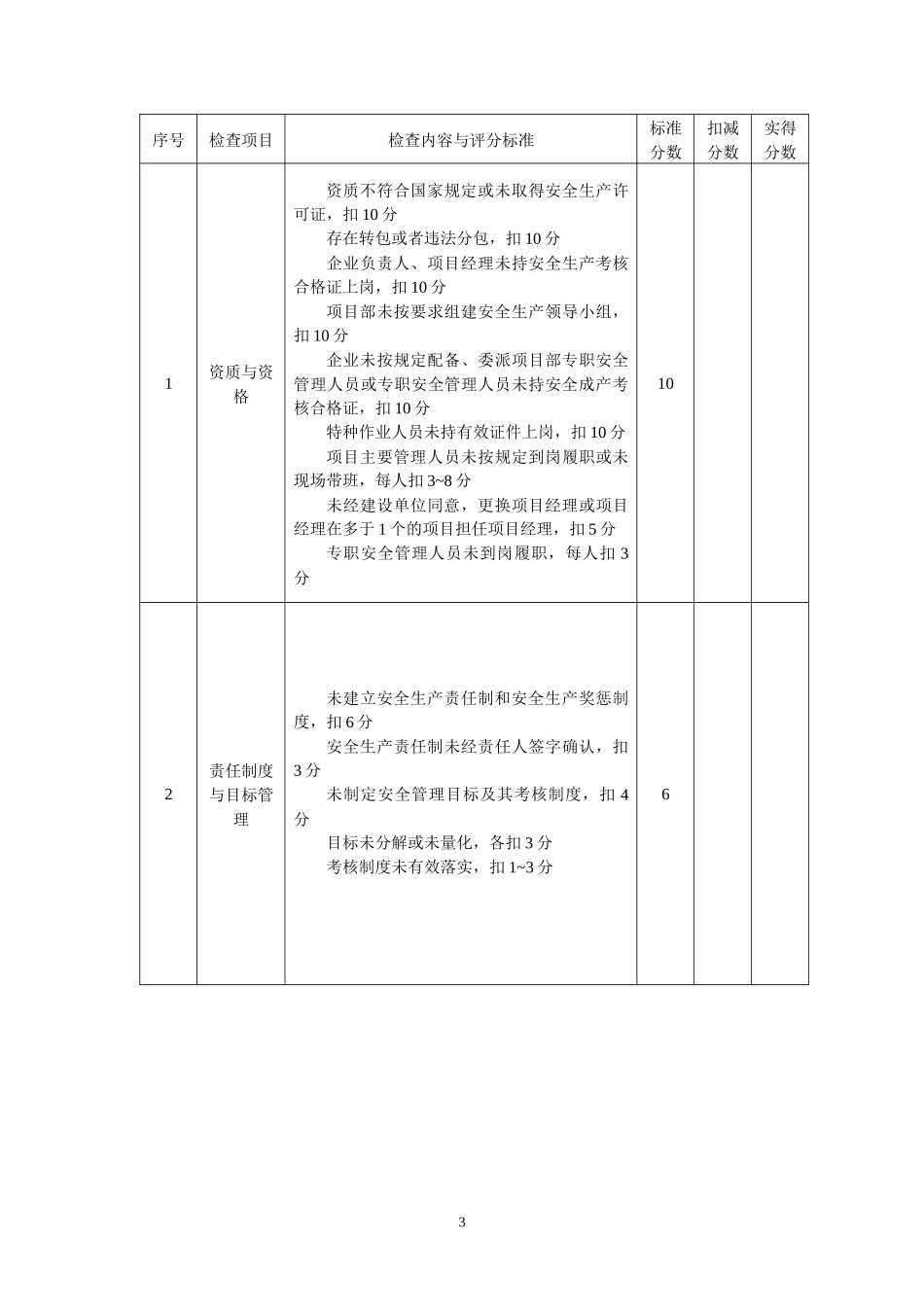
城市轨道交通工程质量安全检查指南(试行)一.为有效指导城市轨道交通工程质量安全检查工作,科学评价质量安全管理现状,推动建设.勘察.设计。施工,监理等单位落实质量安全主体责任,防范质量安全事故发生,制定本指南。二、本指南主要依据《中华人民共和国建筑法》、《建设工程质量管理条例》、《建设工程安全生产管理条例》、《城市轨道交通工程安全质量管理暂行办法》等有关法律、法规、规章、规范性文件及标准规范制定。三、本指南主要适用于城市轨道交通工程建设、勘察、设计、施工、监理、第三方监测、质量检测、施工图审查等各方主体开展质量安全自查工作,也可用于城市轨道交通工程建设单位对和参建单位实施履约管理及评价等工作,以及城市轨道交通工程所在地建设主管部门开展质量安全检查工作。四、本指南由建设单位、勘察单位、设计单位、施工单位、监理单位、第三方监测单位、质量检测单位、施工图审查机构等8个主体的检查评分表组成,详见附表1~10。五、检查评分表主要包括检查项目、检查内容和评分标准主、标准分数、扣减分数、实得分数、合计分数、评价意见等内容。六、检查评分表的评分应符合下列规定:(一)检查评分表满为100分,得分应为按规定检查项目实得分数之和。(二)检查项目实得分数不出现负值,各检查项目扣减分数不超过该项标准分数。(三)如遇有缺项,可按下列公式计算得分:遇有缺项时实查项目实得分数之和=*100检查表重分实查项目标准分数之和(四)多人对同一工程项目检查时,取算术平均值作为最终得分。七、检查评定等级分为优良、合格、不合格三个等级。(一)合计得分在80分(含80分)以上,评定为优良;(二)合计得分在70分(含70分)至80分,评定为合格;(三)合计得分不足70分,评定为不合格。八、受检单位存在严重违反基本建设程序,资质资格不符合国家有关规定,转包、违法分包等违法违规行为的,可直接评定为不合格。九、检查评定等级为不合格时,受检(自检)单位必须限期整改为合格。十、检查发现有质量安全隐患的,受检(自检)单位应当立即采取措施消除隐患。十一、本指南应当与相关标准规范配套使用。15附表5施工单位安全检查评分汇总表说明:1、汇总表满分100分;2、在汇总表中各检查项目实得分数=在汇总表中该项赢得满分分值╳该项检查评分表实得分值/100;3、遇有缺项时汇总表总得分+实查项目实得分值之和/实查项目应得满分分值之和╳100;4、其他专项主要是指:轨行区施工安全、人工挖孔桩施工安全等。对应部门:项目部各部门附表5.1安全管理检查评分表工程名称工程地点建筑面积造价进度施工单位项目经理联系电话监理单位项目总监联系电话建设单位业主代表联系电话检查项目检查合计(100分)安全管理(10分)文明施工(7分)脚手架(8分)基坑支护/模板工程(12分)矿山法(12分)/盾构法(8分)隧道(合20分)安全防护(8分)施工用电(10分)塔吊/龙门吊/物料提升机(7分)起重吊装(8分)施工机具(5分)其他专项(5分)评价意见:检查单位检查人员检查日期2序号检查项目检查内容与评分标准标准分数扣减分数实得分数1资质与资格资质不符合国家规定或未取得安全生产许可证,扣10分存在转包或者违法分包,扣10分企业负责人、项目经理未持安全生产考核合格证上岗,扣10分项目部未按要求组建安全生产领导小组,扣10分企业未按规定配备、委派项目部专职安全管理人员或专职安全管理人员未持安全成产考核合格证,扣10分特种作业人员未持有效证件上岗,扣10分项目主要管理人员未按规定到岗履职或未现场带班,每人扣3~8分未经建设单位同意,更换项目经理或项目经理在多于1个的项目担任项目经理,扣5分专职安全管理人员未到岗履职,每人扣3分102责任制度与目标管理未建立安全生产责任制和安全生产奖惩制度,扣6分安全生产责任制未经责任人签字确认,扣3分未制定安全管理目标及其考核制度,扣4分目标未分解或未量化,各扣3分考核制度未有效落实,扣1~3分63序号检查项目检查内容与评分标准标准分数扣减分数实得分数3施工组织设计与专项施工方案使用未经审查的施工图设计文件施工,扣14分未制定安全技术措施编制、审查制度,扣5分未...

1、当您付费下载文档后,您只拥有了使用权限,并不意味着购买了版权,文档只能用于自身使用,不得用于其他商业用途(如 [转卖]进行直接盈利或[编辑后售卖]进行间接盈利)。
2、本站所有内容均由合作方或网友上传,本站不对文档的完整性、权威性及其观点立场正确性做任何保证或承诺!文档内容仅供研究参考,付费前请自行鉴别。
3、如文档内容存在违规,或者侵犯商业秘密、侵犯著作权等,请点击“违规举报”。

碎片内容

城市轨道交通工程质量安全检查指南(精编版)

您可能关注的文档

精品中小学文档+ 关注
实名认证
内容提供者

精品资料,值得下载

相关文档

确认删除?
VIP
微信客服
  • 扫码咨询
会员Q群
  • 会员专属群点击这里加入QQ群
客服邮箱
回到顶部