电脑桌面
添加小米粒文库到电脑桌面
安装后可以在桌面快捷访问

医药行业相关表格VIP免费

医药行业相关表格_第1页
1/16
医药行业相关表格_第2页
2/16
医药行业相关表格_第3页
3/16
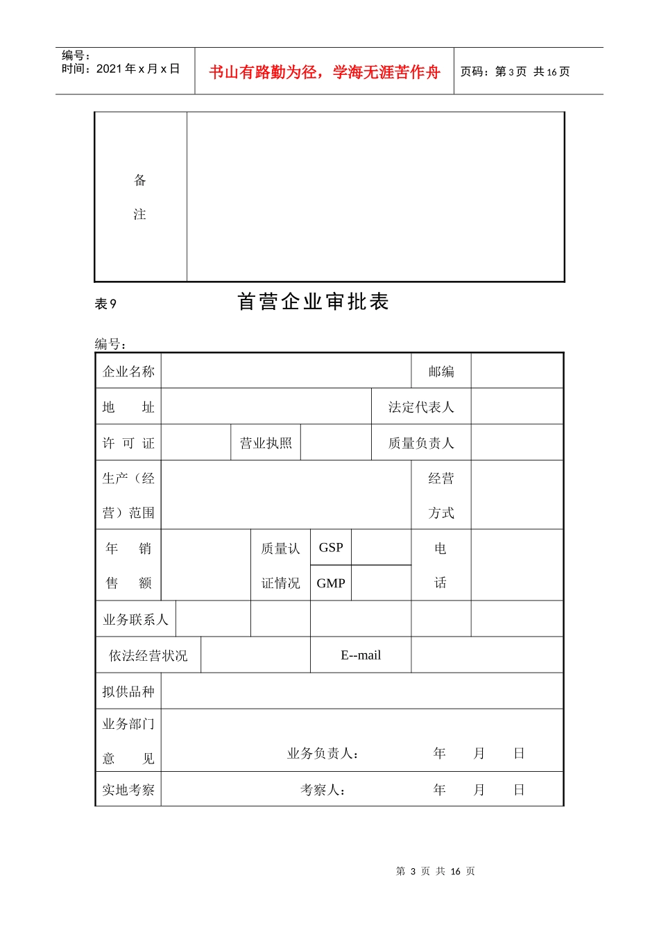
第1页共16页编号:时间:2021年x月x日书山有路勤为径,学海无涯苦作舟页码:第1页共16页表7合格供货方档案表编号:建档日期:企业名称地址邮编法定代表人质量负责人电话营业执照许可证生产(经营)范围经营方式年销售额质量认证情况业务联系人电话传真E--mail主要产品依法经营状况综合评价经审核符合规定,可以列为合格供货方。该供货方企业编码为:主管负责人:质管员:年月日年月日第2页共16页第1页共16页编号:时间:2021年x月x日书山有路勤为径,学海无涯苦作舟页码:第2页共16页备注表8药品质量档案表编号:建档日期:药品通用名称品种类型商品名称规格剂型有效期储存条件批准文号质量认证情况生产企业供货联系人电话传真E--mail质量状况综合评价经审核符合规定,可以列为合格经营品种。该药品品种编码为:主管负责人:质管员:年月日年月日第3页共16页第2页共16页编号:时间:2021年x月x日书山有路勤为径,学海无涯苦作舟页码:第3页共16页备注表9首营企业审批表编号:企业名称邮编地址法定代表人许可证营业执照质量负责人生产(经营)范围经营方式年销售额质量认证情况GSP电话GMP业务联系人依法经营状况E--mail拟供品种业务部门意见业务负责人:年月日实地考察考察人:年月日第4页共16页第3页共16页编号:时间:2021年x月x日书山有路勤为径,学海无涯苦作舟页码:第4页共16页质量审核意见该首营企业的企业编码为:质管员:年月日审批意见经审核符合规定,可以列为合格供货方。主管负责人:年月日备注填表人:注:材料附后。表10首营品种审批表编号:药品通用名称品种类别商品名称规格生产单位装箱规格批准文号GMP有效期储存条件出厂价零售价适应症供货联系人电话传真质量状况E---mail业务部门意见业务负责人:年月日第5页共16页第4页共16页编号:时间:2021年x月x日书山有路勤为径,学海无涯苦作舟页码:第5页共16页财务部门意见财务负责人;年月日质量部(员)意见该首营品种编码为:质管员:年月日综合评价经审核符合规定,可以列为合格经营品种。主管负责人:年月日备注填表人:注:材料附后。表12药品拒收报告单编号:通用名称检查验收人商品名称验收时间剂型单位数量规格批号有效期至生产企业供货企业第6页共16页第5页共16页编号:时间:2021年x月x日书山有路勤为径,学海无涯苦作舟页码:第6页共16页质量问题保管员:年月日业务部门意见负责人:年月日质量管理部门意见负责人:年月日表15解除药品停售通知单解除停售通知单年月日:如下药品质量复查结果合格,撤销年第号“药品停售通知单”,请恢复正常出库发货及销售使用,特此通知。药品通用名称规格产品批号有效期生产日期生产企业经手人复核人第7页共16页第6页共16页编号:时间:2021年x月x日书山有路勤为径,学海无涯苦作舟页码:第7页共16页停售原因质量管理员年月日(一式三联:质管员、柜组、采购各一联)表14药品停售通知单药品停售通知年月日:以下药品存在质量疑问,请即采取有效措施控制,停止销售,等待通知。药品通用名称规格产品批号有效期生产日期生产企业经手人复核人停售原因质量管理员年月日(一式三联:质管员、柜组、采购各一联)表16药品质量处理通知单编号:购货单位购货日期及凭证号通用名称商品名称第8页共16页第7页共16页编号:时间:2021年x月x日书山有路勤为径,学海无涯苦作舟页码:第8页共16页规格单位数量批号生产企业质量情况经办人:年月日质管部门鉴定处理意见质管员:年月日处理情况业务部门:年月日仓储部门:年月日表17不合格药品报告表编号:通用名称商品名称剂型规格有效期至批准文号产品批号第9页共16页第8页共16页编号:时间:2021年x月x日书山有路勤为径,学海无涯苦作舟页码:第9页共16页生产企业供货企业进货数量验收人员验收日期不合格数量不合格情况发现地点不合格情况发现日期不合格原因报告人:年月日不合格情况复查质量员:年月日质管部门意见负责人:年月日主管负责人审批意见负责人:年月日备注表19不合格药品报损审批表编号:报告时间:年月日通用名称商品名称批号第10页共16页第9页共16页编号:时间:2021年x月x日书山有路勤为径,学海无涯苦作舟页码:第10页共...

1、当您付费下载文档后,您只拥有了使用权限,并不意味着购买了版权,文档只能用于自身使用,不得用于其他商业用途(如 [转卖]进行直接盈利或[编辑后售卖]进行间接盈利)。
2、本站所有内容均由合作方或网友上传,本站不对文档的完整性、权威性及其观点立场正确性做任何保证或承诺!文档内容仅供研究参考,付费前请自行鉴别。
3、如文档内容存在违规,或者侵犯商业秘密、侵犯著作权等,请点击“违规举报”。

碎片内容

医药行业相关表格

精品中小学文档+ 关注
实名认证
内容提供者

精品资料,值得下载

相关文档

确认删除?
VIP
微信客服
  • 扫码咨询
会员Q群
  • 会员专属群点击这里加入QQ群
客服邮箱
回到顶部