电脑桌面
添加小米粒文库到电脑桌面
安装后可以在桌面快捷访问

新闻大楼给排水设计VIP专享VIP免费

新闻大楼给排水设计_第1页
1/9
新闻大楼给排水设计_第2页
2/9
新闻大楼给排水设计_第3页
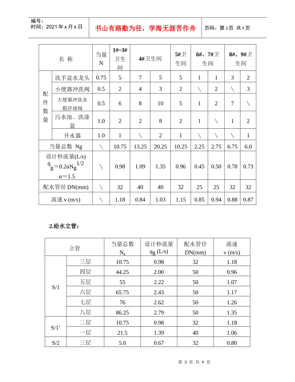
3/9
第1页共9页编号:时间:2021年x月x日书山有路勤为径,学海无涯苦作舟页码:第1页共9页给排水设计给排水设计一、设计依据:1、《建筑给水排水设计规范》GB50015-2003;2、《全国民用建筑工程设计技术措施•给水排水》;3、《高层民用建筑设计防火规范》GB50045-95(2001年版);4、《自动喷水灭火系统设计规范》GBJ50084-2001;5、《建筑灭火器配置设计规范》GBJ140-90(1997年版);6、上海市消防局沪消发[2002]37号《关于规范建筑灭火器配置的通知》;7、《民用建筑水灭火系统设计规范》DGJ08-94-2001;8、其它现行的有关设计规范、规程和规定;9、有关主管部门对方案设计的审查意见;10、业主提出的设计要求;11、建筑工种提供的图纸;二、设计范围:本工种主要负责基地内建筑物室内外给水、污废水、雨水、消防栓消防、自动喷水灭火、灭火器配置等的施工图设计与配合。三、给水系统:1、给水水源和系统:为满足消防用水要求,从市政自来水管上引入两路进水管,进水管口径为DN200(生活用水接自其中一路),在基地内以DN200管形成环网,进入基地处生活用水设水表计量。室外浇洒道路用水、绿化用水、外墙面清洗用水、-1~2层的生活用水等,利用城市管网水压直接供给。其余用水进入主楼地下室生活水箱,经加压泵组抽吸、提升至屋顶水箱后供给。2、用水量计算:⑴办公用水:人数:主楼地上部分面积为7433m2,副楼面积为3083m2,有效面积为建筑面积60%,每人使用面积按6m2计,则办公人数为:(7433+3083)×60%/6=1052,取1000人;用水量标准:50L/人·班;时变化系数:K=1.2;使用时间:10小时;最高日用水量:Qd1=50×1000/1000=50m3/day最大时用水量:Qh1=50×1.2/10=6m3/hr平均时用水量:Qh平1=50/10=5m3/hr⑵道路地面冲洗用水和绿化用水:用水量标准:2L/m2·次;使用时间:以2h/次,上、下午各一次计;面积:约4000m2;第2页共9页第1页共9页编号:时间:2021年x月x日书山有路勤为径,学海无涯苦作舟页码:第2页共9页最高日用水量:Qd2=2×4000×2/1000=16m3/day最大时用水量:Qh2=16/4=4m3/hr平均时用水量:Qh平2=4m3/hr⑶未预见水量:按用水量10~15%计。⑷总用水量:Qd=(50+16)×1.15=75.9m3/dayQh=(6+4)×1.15=11.5m3/hr⑸消防用水量:室外消火栓用水量20L/S,室内消火栓用水量20L/S,火灾延续时间2小时;自动喷水灭火系统:按中危险级,Q=8×160×1.3/60=27.7L/S,考虑其他因素取30L/S,火灾延续时间1小时。则一次灭火用水量=(20+20)×3.6×2+30×3.6=396m33、水箱选型:屋顶生活水箱:按3~8层主楼日用水量的30%计算。S=6711×0.6=4026.6m2,n=4026.6/6=671人,Qd=50×671/1000=33.6m3/day,V=33.6×0.3=10.08m3。取18m3屋顶消防水箱:18m3地下室生活蓄水箱:按加压供水部分的日用水量的30%计算。V=10.08m3,取18m34、加压泵组选择:⑴流量:按1小时内充满屋顶水箱计算。取Q≥18m3/hr,⑵扬程:①管道水头损失Q=18m3/hr,DN80,L=70m,v=0.61m/s,1000i=38;取局部水头损失为沿程水头损失的30%则管道水头损失=1.3×70×38‰≈3.5m②几何高差:43.05―(―3.5)=46.55m③卫生器具出口自由水头:2m④安全水头:2m⑤综合①②③④3.5+46.55+2+2=54.05m1.1×54.05≈59.5m⑶故选用立式多级离心泵两台,一用一备,配原厂减振基座等全套,水泵性能:Q=18m3/hr,H=60m,2900r/min,N=5.5kW,马达允许工作点在全曲线停留,水泵工作∕试验压力:0.6∕1.0MPa。5、给水管道水力计算:1.给水干管:第3页共9页第2页共9页编号:时间:2021年x月x日书山有路勤为径,学海无涯苦作舟页码:第3页共9页名称当量N1#~3#卫生间4#卫生间5#卫生间6#、7#卫生间8#、9#卫生间配件数量洗手盆水龙头0.7557551132小便器冲洗阀0.52432\2\3大便器冲洗水箱浮球阀0.568105127\污水池、洗涤盆1.022821\12开水器1.01\21\\\1当量总数Ng\10.7513.2520.2510.252.252.756.756.0设计秒流量(L/s)qg=0.2αNg1/2α=1.5\0.981.091.350.960.450.500.780.73配水管径DN(mm)\3240403225253232流速v(m/s)\1.180.841.031.150.850.940.880.872.给水立管:立管当量总数Ng设计秒流量qg(L...

1、当您付费下载文档后,您只拥有了使用权限,并不意味着购买了版权,文档只能用于自身使用,不得用于其他商业用途(如 [转卖]进行直接盈利或[编辑后售卖]进行间接盈利)。
2、本站所有内容均由合作方或网友上传,本站不对文档的完整性、权威性及其观点立场正确性做任何保证或承诺!文档内容仅供研究参考,付费前请自行鉴别。
3、如文档内容存在违规,或者侵犯商业秘密、侵犯著作权等,请点击“违规举报”。

碎片内容

新闻大楼给排水设计

确认删除?
VIP
微信客服
  • 扫码咨询
会员Q群
  • 会员专属群点击这里加入QQ群
客服邮箱
回到顶部