电脑桌面
添加小米粒文库到电脑桌面
安装后可以在桌面快捷访问

土建工程验收表格(DOC103页)VIP免费

土建工程验收表格(DOC103页)_第1页
1/101
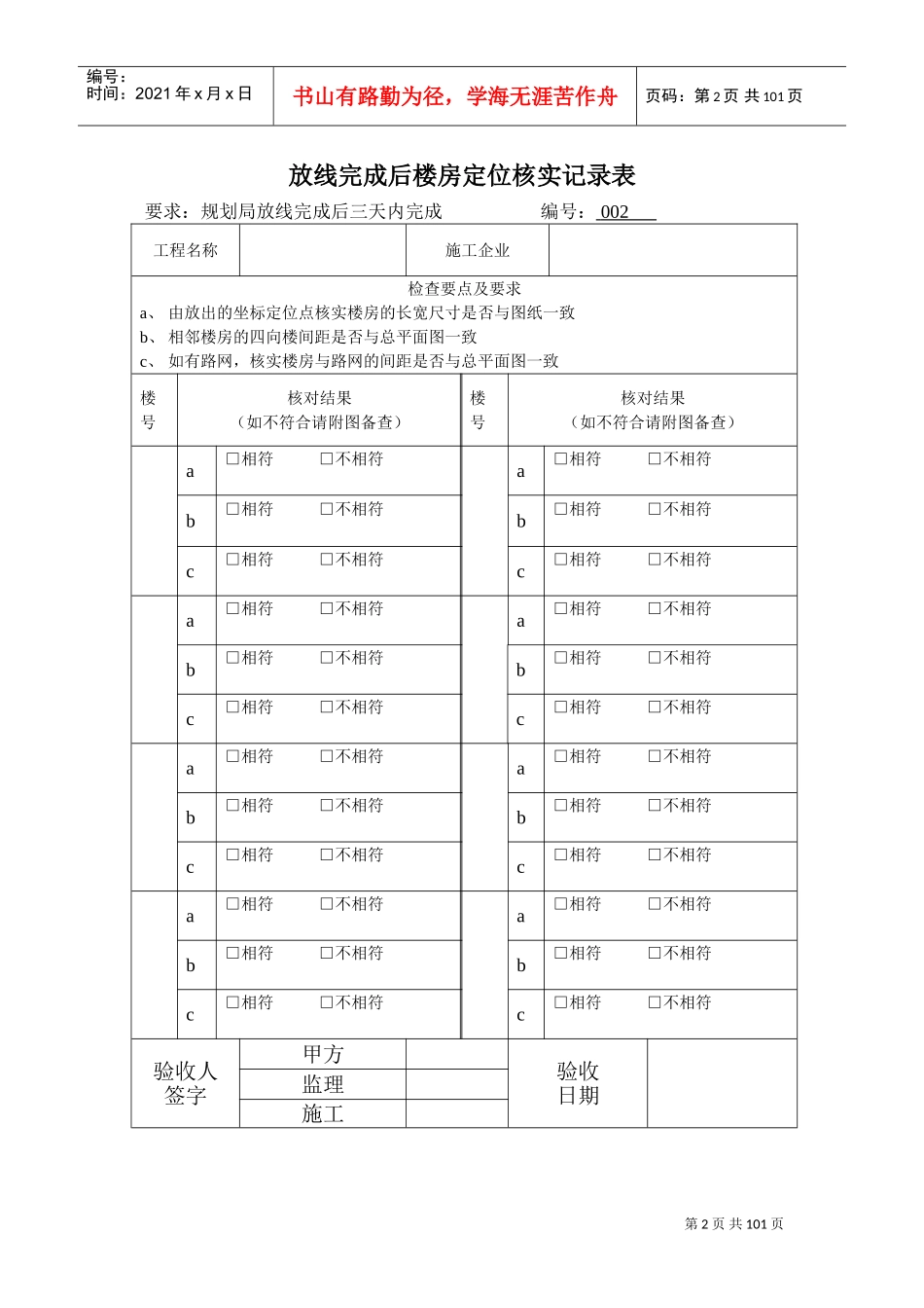
土建工程验收表格(DOC103页)_第2页
2/101
土建工程验收表格(DOC103页)_第3页
3/101
第1页共101页编号:时间:2021年x月x日书山有路勤为径,学海无涯苦作舟页码:第1页共101页总平面图坐标与实际尺寸核实记录表要求:拿到总图后三天内完成编号:001工程名称施工企业检查要点及要求对总平面图中各楼坐标进行计算,与各楼号的图纸尺寸进行核对是否相符。楼号核对结果(如不符合请在表中简要表明数据)楼号核对结果(如不符合请在表中简要表明数据)□相符□不相符□相符□不相符□相符□不相符□相符□不相符□相符□不相符□相符□不相符□相符□不相符□相符□不相符□相符□不相符□相符□不相符验收人签字甲方验收日期监理施工第2页共101页编号:时间:2021年x月x日书山有路勤为径,学海无涯苦作舟页码:第2页共101页放线完成后楼房定位核实记录表要求:规划局放线完成后三天内完成编号:002工程名称施工企业检查要点及要求a、由放出的坐标定位点核实楼房的长宽尺寸是否与图纸一致b、相邻楼房的四向楼间距是否与总平面图一致c、如有路网,核实楼房与路网的间距是否与总平面图一致楼号核对结果(如不符合请附图备查)楼号核对结果(如不符合请附图备查)a□相符□不相符a□相符□不相符b□相符□不相符b□相符□不相符c□相符□不相符c□相符□不相符a□相符□不相符a□相符□不相符b□相符□不相符b□相符□不相符c□相符□不相符c□相符□不相符a□相符□不相符a□相符□不相符b□相符□不相符b□相符□不相符c□相符□不相符c□相符□不相符a□相符□不相符a□相符□不相符b□相符□不相符b□相符□不相符c□相符□不相符c□相符□不相符验收人签字甲方验收日期监理施工第3页共101页编号:时间:2021年x月x日书山有路勤为径,学海无涯苦作舟页码:第3页共101页场地标高书面交接验收记录表要求:施工单位进场后三天内完成编号:003工程名称施工企业1、标高引出点位置及标高:2、引入现场后位置及标高:3、引入现场的标高控制点是否加固牢固:验收人签字甲方验收日期监理施工第4页共101页编号:时间:2021年x月x日书山有路勤为径,学海无涯苦作舟页码:第4页共101页场地标高书面交接验收记录表要求:施工单位进场后三天内完成编号:003工程名称海通港城花园33#楼施工企业东营天华建筑安装有限公司1、标高引出点位置及标高:2、引入现场后位置及标高:3、引入现场的标高控制点是否加固牢固:验收人签字甲方验收日期监理施工第5页共101页编号:时间:2021年x月x日书山有路勤为径,学海无涯苦作舟页码:第5页共101页特殊地基处理方案收集表要求:特殊地基处理完成后10天内收集完成编号:004工程名称施工企业特殊地基处理方案收集流程:由建设方主管工程师组织各方人员制定处理方案→施工单位根据现场制定的方案对地基进行处理→地基处理完成后建设方主管工程师发出资料整理指令→施工单位将依据现场实际制作地基处理详细的文字及图纸资料(地基处理完成后三天内完成)→建设方主管工程师将资料收齐后协同设计部找设计院办理签字盖章资料(资料收齐后七天内完成)。地基处理资料办理完成后附到此表后存档备用附表中地基处理资料与现场实际做法相符甲方验收日期监理施工第6页共101页编号:时间:2021年x月x日书山有路勤为径,学海无涯苦作舟页码:第6页共101页基槽验收记录表每栋楼为检验批编号:005工程名称施工企业检查要点及要求1、地基土质必须为原土层。2、特殊地基必须严格按照设计文件要求处理,并形成相应的处理资料。检查内容1、满槽巡视地基土质是否为原土层2、地基处理方案(可附图表示)验收意见复检意见验收人签字甲方验收日期监理施工基础轴线验收表每栋楼为检验批编号:006第7页共101页编号:时间:2021年x月x日书山有路勤为径,学海无涯苦作舟页码:第7页共101页工程名称施工企业检查要点及要求1、对照图纸验收2、坐标定位点回点是否正确3、轴线尺寸必须正确、柱子定位正确、尺寸符合图纸要求检查内容1、必须对照图纸□是□否2、坐标定位点回点□正确□错误1、轴线尺寸2、柱子定位及尺寸验收意见复检意见验收人签字甲方验收日期监理施工轴线、标高验收表每施工段为检验批编号:工程名称联检大楼一层施工企业天华建安第8页共101页编号:时间:2021年x月x...

1、当您付费下载文档后,您只拥有了使用权限,并不意味着购买了版权,文档只能用于自身使用,不得用于其他商业用途(如 [转卖]进行直接盈利或[编辑后售卖]进行间接盈利)。
2、本站所有内容均由合作方或网友上传,本站不对文档的完整性、权威性及其观点立场正确性做任何保证或承诺!文档内容仅供研究参考,付费前请自行鉴别。
3、如文档内容存在违规,或者侵犯商业秘密、侵犯著作权等,请点击“违规举报”。

碎片内容

土建工程验收表格(DOC103页)

精品中小学文档+ 关注
实名认证
内容提供者

精品资料,值得下载

相关文档

确认删除?
VIP
微信客服
  • 扫码咨询
会员Q群
  • 会员专属群点击这里加入QQ群
客服邮箱
回到顶部