电脑桌面
添加小米粒文库到电脑桌面
安装后可以在桌面快捷访问

产品最终检验规程VIP免费

产品最终检验规程_第1页
1/8
产品最终检验规程_第2页
2/8
产品最终检验规程_第3页
3/8
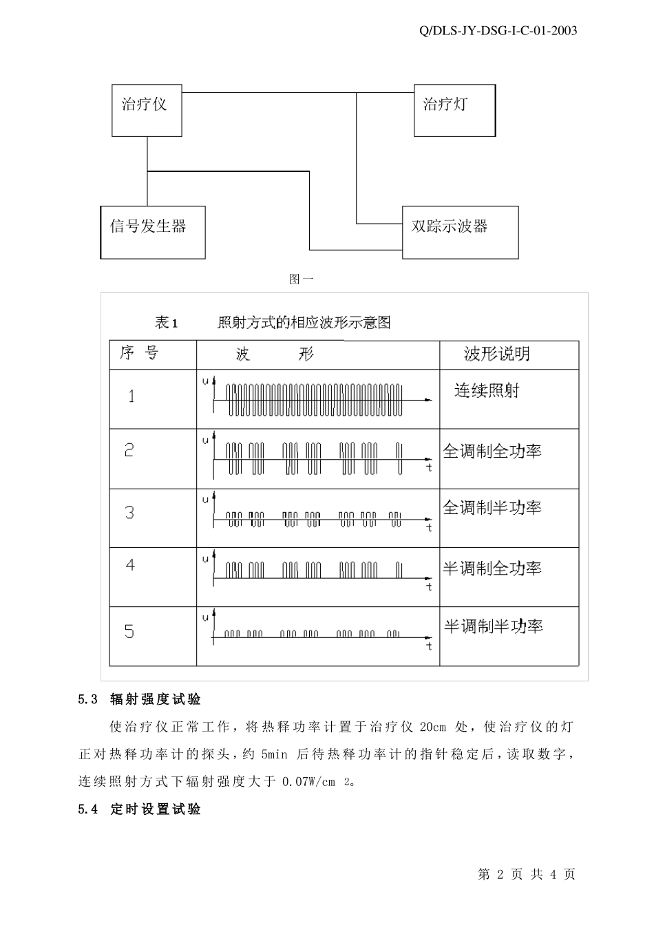
Q/DLS-JY-DSG-I-C-01-2003产品最终检验规程1.检验依据企业标准Q/HDS004-2001作为产品出厂检验规程编写的依据。2.检验人员产品出厂检验员须经总经理授权,并具备中专以上(含中专)学历。3.抽样方法全检。4.最终检验附加说明所有过程检验完成后才能进行产品最终检验。5.检验项目5.1外观手感目测,应符合以下要求:治疗仪的外观应平整、光洁、色泽均匀,不得有毛刺、凹凸、划痕、裂纹、污渍、杂质等缺陷。治疗仪的零件、部件装配应牢固,开关控制件应操作灵活,工作可靠,指示明确。5.2性能试验5.2.1照射性能试验5.2.1.1按照图一接线,使治疗仪正常工作,将其分别调整到全调制全功率,全调制半功率工作状态,信号发生器发出60次/min的脉冲波,观察波形应符合表一的要求。5.2.1.2按照图一接线,使治疗仪正常工作,将其分别调整到半调制全功率,半调制半功率工作状态,信号发生器发出60次/min的脉冲波,观察波形应符合表一的要求。5.2.1.3按照图一接线,使治疗仪正常工作,将其调整到连续工作状态,信号发生器发出60次/min的脉冲波,观察波形应符合表一的要求。第1页共4页Q/DLS-JY-DSG-I-C-01-2003治疗仪治疗灯信号发生器图一双踪示波器5.3辐射强度试验使治疗仪正常工作,将热释功率计置于治疗仪20cm处,使治疗仪的灯正对热释功率计的探头,约5min后待热释功率计的指针稳定后,读取数字,连续照射方式下辐射强度大于0.07W/cm2。5.4定时设置试验第2页共4页Q/DLS-JY-DSG-I-C-01-2003使治疗仪正常工作,将定时设置在30min,即用秒表计时,当治疗仪停止工作时,观察秒表其结果应与治疗仪定时设置符合。治疗仪的定时设置为5min~90min,允差为±5%。5.5安全性能试验5.5.1保护接地阻抗5.5.1.1要求治疗仪电源输入插口的设备,在插口中的保护接地点与已保护接地的可触及金属部件阻抗,不得超过0.1Ω。5.5.1.2试验方法用医用设备保护接地阻抗测量仪在端子或接地点或接地脚与金属部件之间进行测量。5.5.2工作温度下的连续漏电流5.5.2.1要求a)对地漏电流:正常状态:≤0.5mA单一故障状态:≤1.0mAb)外壳漏电流:正常状态:≤0.1mA单一故障状态:≤0.5mAc)患者漏电流:正常状态:≤0.1mA单一故障状态:≤0.5mA5.5.2.2测试方法测试用仪器:医用设备漏电流测量仪,精度不低于5%。使治疗仪通电,并处于待机状态和完全工作状态,且网电源部分的任何开关处于任何位置,电压为110%的最高额定电网电压下,单一故障GB9706.1中19.2a)。测量按GB9706.1中19.4f)的要求,用医用设备漏电流测量仪进行测量对地漏电流;按GB9706.1中19.4g)的要求,用医用设备漏电流测量仪进行测量外壳漏电流。5.5.3工作温度下电介质强度5.5.3.1要求a)网电源和已保护接地的可触及金属部件之间应能承受50Hz、1500V的正弦波试验电压,历时1min,无击穿或闪络现象。第3页共4页Q/DLS-JY-DSG-I-C-01-2003b)网电源和未保护接地的外壳部件之间应能承受50Hz、4000V的正弦波试验电压,历时1min,无击穿或闪络现象。c)网电源与指套之间应能承受50Hz、4000V的正弦波试验电压,历时1min,无击穿或闪络现象。5.5.3.2测试方法测试用仪器:电介质强度试验仪,精度不低于5%。在治疗仪升温至工作温度后,使肝病仪的电源开关闭合但不通电,立即用电介质强度试验仪进行试验,开始时,必须加上不超过一半规定值的电压,然后必须在10s后将电压逐渐增加到规定值,必须保持此值达1min,之后须在10s后将电压逐渐降至一半规定值以下。试验时,网电源部分的接线端子要短接。6判断准则6.1治疗仪的使用性能;6.2治疗仪的安全性能;6.3治疗仪的外观质量。7.最终检验6.1、6.2中有一项不合格,则判为不合格,返修(或返工)后需再进行最终检验。8.质量记录8.1成品的最终检验应详实填写《成品检验报告》。8.2装箱单、合格证上应有成品检验员的签字(或印章)。8.3对不合格品,成品检验员应如实填写返修(或返工)单。9.相关记录a、成品检验报告Q/DLS-JY-DSG-I-C-02-2003第4页共4页Q/DLS-JY-DSG-I-C-02-2003DSG-I型电脑肝病治疗仪成杭州品检验报告产品名称:受检单位:检验类别:大力神医疗器械有限公司第1页共4页Q/DLS-JY-DSG-I-C-02-2003杭州大力神医疗器...

1、当您付费下载文档后,您只拥有了使用权限,并不意味着购买了版权,文档只能用于自身使用,不得用于其他商业用途(如 [转卖]进行直接盈利或[编辑后售卖]进行间接盈利)。
2、本站所有内容均由合作方或网友上传,本站不对文档的完整性、权威性及其观点立场正确性做任何保证或承诺!文档内容仅供研究参考,付费前请自行鉴别。
3、如文档内容存在违规,或者侵犯商业秘密、侵犯著作权等,请点击“违规举报”。

碎片内容

产品最终检验规程

您可能关注的文档

确认删除?
VIP
微信客服
  • 扫码咨询
会员Q群
  • 会员专属群点击这里加入QQ群
客服邮箱
回到顶部