电脑桌面
添加小米粒文库到电脑桌面
安装后可以在桌面快捷访问

智能仪器实验指导书(me)VIP免费

智能仪器实验指导书(me)_第1页
1/8
智能仪器实验指导书(me)_第2页
2/8
智能仪器实验指导书(me)_第3页
3/8
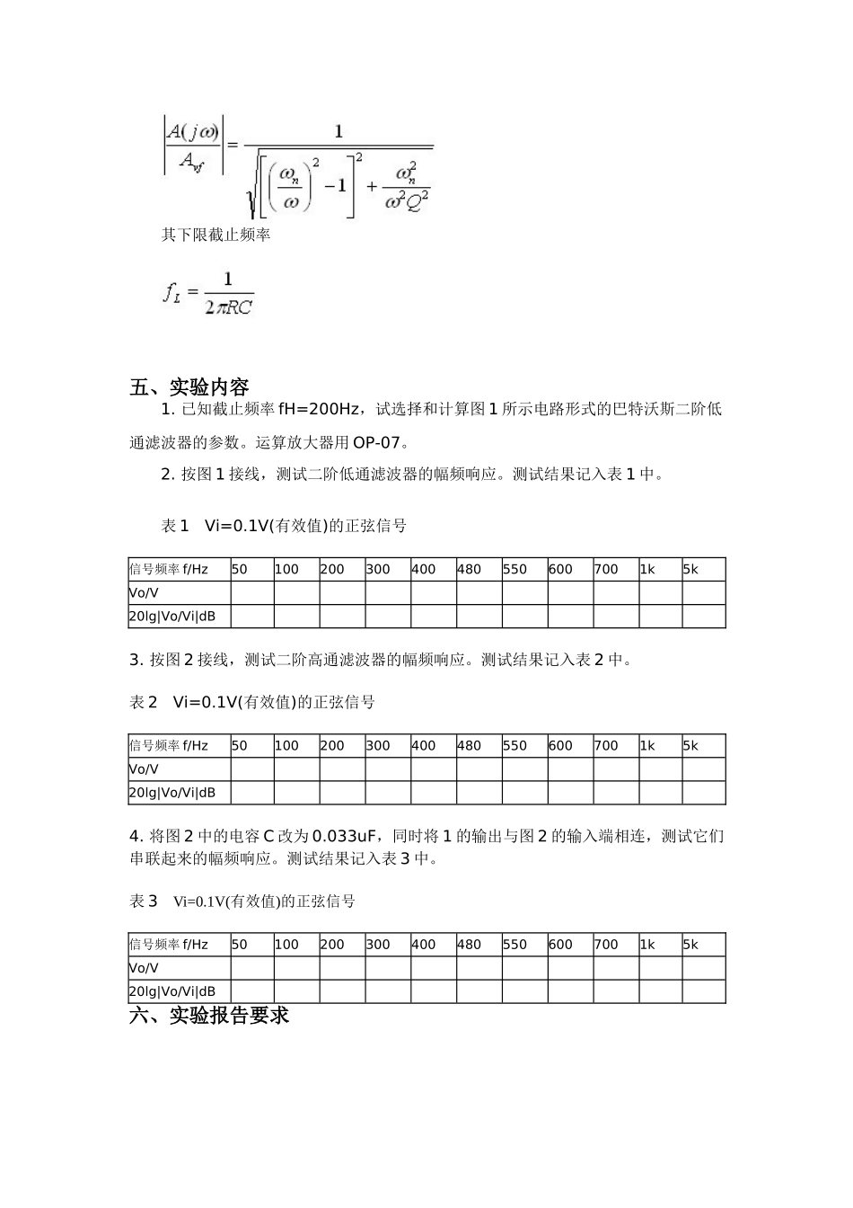
《智能仪器》实验指导书适用专业:电子信息专业说明:实验课时数为8节课,可从以下实验中自行选取8学时进行实验实验一模拟信号调理实验(有源滤波器的设计)一、实验目的1.熟悉运算放大器和电阻电容构成的有源波器。2.掌握有源滤波器的调试。二、实验学时课内:2学时课外:2学时三、预习要求1.预习有源低通、高通和带通滤波器的工作原理2.已知上限截止频率fH=480Hz,电容C=0.01uF,试计算图1所示电路形式的巴特沃斯二阶低通滤波器的电阻参数,运放采用OP-07。3.将图2中的电容C改为0.033uF,此时图2所示高通滤波器的下限截止频率fL=?。四、实验原理及参考电路在实际的电子系统中输入信号往往包含有一些不需要的信号成份,必须设法将它衰减到足够小的程度,或者把有用信号挑选出来。为此,可采用滤波器。考虑到高于二阶的滤波器都可以由一阶和二阶有源滤波器构成,下面重点研究二阶有源滤波器。1.二阶有源低通滤波器二阶有源低通滤波器电路如图1所示。可以证明其幅频响应表达式为图1二阶有源低通滤波器图2二阶有源高通滤波器式中:上限截止频率当Q=0.707时,这种滤波器称为巴特沃斯滤波器。2.二阶有源高通滤波器如果将图1中的R和C的位置互换,则可得二阶高通滤波器电路,如图2所示。令和可得其幅频响应表达式为其下限截止频率五、实验内容1.已知截止频率fH=200Hz,试选择和计算图1所示电路形式的巴特沃斯二阶低通滤波器的参数。运算放大器用OP-07。2.按图1接线,测试二阶低通滤波器的幅频响应。测试结果记入表1中。表1Vi=0.1V(有效值)的正弦信号信号频率f/Hz501002003004004805506007001k5kVo/V20lg|Vo/Vi|dB3.按图2接线,测试二阶高通滤波器的幅频响应。测试结果记入表2中。表2Vi=0.1V(有效值)的正弦信号信号频率f/Hz501002003004004805506007001k5kVo/V20lg|Vo/Vi|dB4.将图2中的电容C改为0.033uF,同时将1的输出与图2的输入端相连,测试它们串联起来的幅频响应。测试结果记入表3中。表3Vi=0.1V(有效值)的正弦信号信号频率f/Hz501002003004004805506007001k5kVo/V20lg|Vo/Vi|dB六、实验报告要求1.用表列出实验结果。以频率的对数为横坐标,电压增益的分贝数为纵坐标,在同一坐标上分别绘出两种(低通、高通)滤波器的幅频特性。说明二阶低通滤波器和高涌滤波器的幅频特征具有对偶关系。2.画出实验内容3的幅频特征,说明它是什么滤波器特征。3.简要说明测试结果与理论值有一定差异的主要原因。4.高涌滤波器的幅频特征,为什么在频率很高时,其电压增益会随频率升高而下降。实验二基于单片机的智能仪器综合设计实验一、实验目的1.了解智能仪器的硬件组成;2.熟悉智能仪器的各个组成部分的设计方法;3.掌握A/D及D/A转换的原理;4.掌握标定原理和工程量变换方法。二、实验学时课内:6时课外:6学时三、实验内容1.利用单片机开发平台,完成具有信号采集、数据处理、键盘控制、LED显示等功能的智能仪器。2.编写A/D及D/A转换的程序并进行调试。3.以温度为测量对象,选择热敏电阻或AD590为传感器,设计检测电路和信号调理电路。4.编写标度变换程序并进行调试。5.对实验结果进行分析。四、实验报告要求1.画出硬件原理框图。2.画出检测电路与信号调理电路的硬件电路图。3.画出相关程序框图。4.写出实验的说明文档并附上程序源代码实验三虚拟示波器的使用实验一、实验目的1.学习和掌握虚拟数字存储示波器的性能、基本原理;1.学习和掌握频谱分析及逻辑分析的使用;二、实验学时课内:2学时课外:2学时三、实验内容1.利用虚拟存储示波器测量任意信号波形,并进行频谱分析。2.观测低压直流电源的噪声。3.对模拟-数字电路进行混合调试,显示电路各部分的波形,分析他们之间的时序关系。4.捕捉非周期性信号,并进行分析。四、实验报告要求1.自拟实验步骤与实验表格。2.画出相关模拟-数字电路的电路图。3.记录相关波形,对实验结果进行分析。实验四虚拟仪器的开发与设计实验一、实验目的1.了解虚拟仪器的概念及特点。2.学习和掌握LabVIEW编程技巧。二、实验学时课内:8学时课外:10学时三、实验内容1.软件平台的熟悉(2学时)。2.简单VI的开发与设计(2学时)。3.波形发生器的设计与开...

1、当您付费下载文档后,您只拥有了使用权限,并不意味着购买了版权,文档只能用于自身使用,不得用于其他商业用途(如 [转卖]进行直接盈利或[编辑后售卖]进行间接盈利)。
2、本站所有内容均由合作方或网友上传,本站不对文档的完整性、权威性及其观点立场正确性做任何保证或承诺!文档内容仅供研究参考,付费前请自行鉴别。
3、如文档内容存在违规,或者侵犯商业秘密、侵犯著作权等,请点击“违规举报”。

碎片内容

智能仪器实验指导书(me)

您可能关注的文档

书海行舟+ 关注
实名认证
内容提供者

热爱教学事业,对互联网知识分享很感兴趣

相关文档

确认删除?
VIP
微信客服
  • 扫码咨询
会员Q群
  • 会员专属群点击这里加入QQ群
客服邮箱
回到顶部