电脑桌面
添加小米粒文库到电脑桌面
安装后可以在桌面快捷访问

小家电常用元器件识别与检测VIP免费

小家电常用元器件识别与检测_第1页
1/88
小家电常用元器件识别与检测_第2页
2/88
小家电常用元器件识别与检测_第3页
3/88
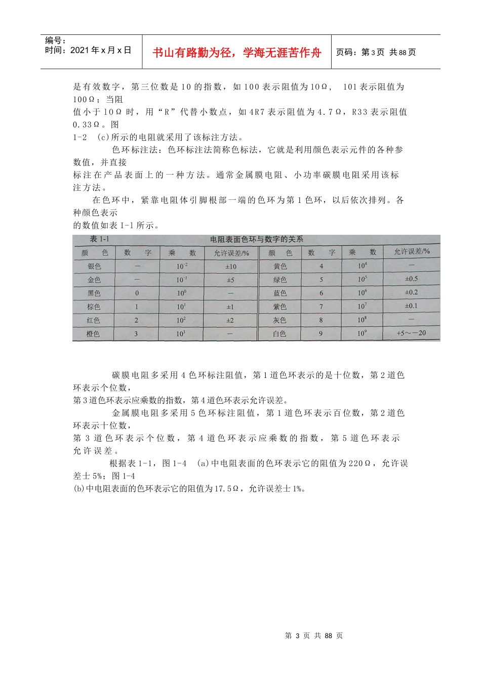
第1页共88页编号:时间:2021年x月x日书山有路勤为径,学海无涯苦作舟页码:第1页共88页第1章小家电常用元器件识别与检测第1节小家电常用电子元器件识别与检测小家电都是由大量的电子元器件构成的,要想成为一名合格的小家电产品维修人员,必须先了解这些元器件的作用、工作原理和检测方法,否则是无法胜任维修工作的。为此,本章对典型的电子元器件进行了详尽分类和简单分析,并详细介绍了使用万用表对它们进行检测的方法与技巧,这些无论是对于初学者,还是对于维修人员都是极为重要的。小家电常用的电子元器件有电阻、电容、二极管、三极管、场效应管、晶闸管、电感、变压器、开关、继电器等。一、电阻1.电阻的作用电阻(电阻器的简称)的作用就是阻碍电流流过,它是一个耗能元件,电流经过它就产生热能。电阻在电路中通常起分压限流、温度检测、过压保护等作用。电阻可根据阻值能否变化而分为固定电阻、可变电阻和特种电阻三大类。特种电阻包括压敏电阻、热敏电阻、光敏电阻、排电阻等。电路中,电阻与电压、电流的关系是:R=U/I。其中,R是电阻,U是电压,,是电流。2.命名方法根据相关标准SJ153-73《电阻器、电容器型号命名方法》的规定,电阻器产品的型号由4部分组成,各部分的含义如下:3.单位电阻的单位是欧姆(Ω)。为了对不同阻值的电阻进行标注,还使用千欧(kΩ)、兆欧(MΩ)等单位。其换算关系为:lMΩ=lOOOKΩ:lKΩ=1000Ω。4.固定电阻第2页共88页第1页共88页编号:时间:2021年x月x日书山有路勤为径,学海无涯苦作舟页码:第2页共88页顾名思义,固定电阻的阻值是不可变的。而固定电阻根据作用不同又分为普通电阻和熔断电阻两类。(1)普通固定电阻根据材料的不同普通电阻可分为碳膜电阻、金属膜电阻、合成膜电阻、线绕电阻等。其中常用的是碳膜电阻和金属膜电阻。普通固定电阻在电路中通常用字母“R”表示(2)熔断电阻熔断电阻也叫保险电阻,它既有过流保护的作用,又有电阻限流的作用。熔断电阻通常安装在供电回路中,实现限流供电和过流保护的双重功能。当流过它的电流达到保护值时,它的阻值迅速增大到标称值的数十倍或熔断开路,切断供电回路,以免故障扩大,实现过流保护功能。因此,此类电阻过流损坏后除了应检查过流的原因,还应采用同规格的电阻更换。常见的熔断电阻实物外形和电路符号如图1-3所示。(3)阻值的标注固定电阻通常采用直标法、数字符号法、色环标注法三种标注方法。直标法:直标法就是直接在电阻表面标明其阻值,如100Ω、lKΩ、2.2MΩ等。数字标注法:数字标注法就是在电阻表面用三位数表示其阻值的大小,三位数的前两位第3页共88页第2页共88页编号:时间:2021年x月x日书山有路勤为径,学海无涯苦作舟页码:第3页共88页是有效数字,第三位数是10的指数,如100表示阻值为1OΩ,101表示阻值为100Ω;当阻值小于lOΩ时,用“R”代替小数点,如4R7表示阻值为4.7Ω,R33表示阻值0.33Ω。图1-2(c)所示的电阻就采用了该标注方法。色环标注法:色环标注法简称色标法,它就是利用颜色表示元件的各种参数值,并直接标注在产品表面上的一种方法。通常金属膜电阻、小功率碳膜电阻采用该标注方法。在色环中,紧靠电阻体引脚根部一端的色环为第1色环,以后依次排列。各种颜色表示的数值如表I-l所示。碳膜电阻多采用4色环标注阻值,第1道色环表示的是十位数,第2道色环表示个位数,第3道色环表示应乘数的指数,第4道色环表示允许误差。金属膜电阻多采用5色环标注阻值,第1道色环表示百位数,第2道色环表示十位数,第3道色环表示个位数,第4道色环表示应乘数的指数,第5道色环表示允许误差。根据表1-1,图1-4(a)中电阻表面的色环表示它的阻值为220Ω,允许误差士5%;图1-4(b)中电阻表面的色环表示它的阻值为17.5Ω,允许误差士1%。第4页共88页第3页共88页编号:时间:2021年x月x日书山有路勤为径,学海无涯苦作舟页码:第4页共88页提示部分熔断电阻仅有1道色环,而不同的颜色的色环代表不同的阻值和特性。比如,色环为黑色,说明它的阻值为10Ω,并且在通过的电流达到0.85A时,1min内它的阻值会迅速增大,并超过标称值的50倍;色环为红色,说明它的阻值为2.2Ω...

1、当您付费下载文档后,您只拥有了使用权限,并不意味着购买了版权,文档只能用于自身使用,不得用于其他商业用途(如 [转卖]进行直接盈利或[编辑后售卖]进行间接盈利)。
2、本站所有内容均由合作方或网友上传,本站不对文档的完整性、权威性及其观点立场正确性做任何保证或承诺!文档内容仅供研究参考,付费前请自行鉴别。
3、如文档内容存在违规,或者侵犯商业秘密、侵犯著作权等,请点击“违规举报”。

碎片内容

小家电常用元器件识别与检测

精品中小学文档+ 关注
实名认证
内容提供者

精品资料,值得下载

确认删除?
VIP
微信客服
  • 扫码咨询
会员Q群
  • 会员专属群点击这里加入QQ群
客服邮箱
回到顶部